总 则
铁路是国家重要的基础设施、国民经济的大动脉、交通运输体系的骨干,是运输能力大、节约资源、有利环保的交通运输方式,在全面建设小康社会的进程中肩负着重要的历史使命。铁路要促进经济社会又快又好发展,适应保障国防建设的需要。
铁路运输具有高度集中的特点,各工作环节须紧密联系、协同配合。为确保铁路安全正点、方便快捷、高速高效,必须加强铁路技术管理,制定统一、科学的《铁路技术管理规程》。
《铁 路技术管理规程》规定了铁路的基本建设、产品制造、验收交接、使用管理及保养维修方面的基本要求和标准;规定了各部门、各单位、各工种在从事铁路运输生产 时,必须遵循的基本原则、责任范围、工作方法、作业程序和相互关系;规定了信号的显示方式和执行要求;明确了铁路工作人员的主要职责和必须具备的基本条 件。
《铁路技术管理规程》依据《中华人民共和国铁路法》、《铁路运输安全保护条例》等有关法律法规制定,是铁路技术管理的基本规章。铁路其他规章和规范性文件以及各部门、各单位制定的技术管理文件等,都必须符合《铁路技术管理规程》的规定。
《铁路技术管理规程》是长期生产实践和科学研究的总结,它将随着运输生产和科学技术的不断发展,逐步充实和完善。在铁道部没有明令修改以前,任何部门、任何单位、任何人员都不得违反本规程的规定。
第一编 技 术 设 备
第一章 基 本 要 求
基建、制造及其验收交接
第1条 铁路的基本建设、产品制造应综合配套,保证质量,采用保证行车安全的技术设备,不断提高运输能力,以适应国民经济发展和市场竞争的需要。
应采用先进、成熟、经济、适用、可靠的技术,实现技术设备标准化、系列化、模块化、信息化,加快实现铁路现代化。
第2条 铁路基本建设应严格按照国家规定的程序进行,必须符合国家和铁道部规定的技术标准。
设计工作必须由具有设计资质的单位承担,根据已批准的可行性研究报告进行,须考虑环境保护、水土保持、劳动安全、劳动卫生及消防的要求,并充分听取施工、维修、使用部门的意见。
设计文件须经有关部门鉴定,并按规定的审批程序批准。
第3条 工程施工须按照批准的设计文件的要求进行,并应采用科学的施工组织和先进的施工方法,加强环境保护,严格执行工程建设项目招投标和监理制度,确保工程质量。
在营业线上施工时,按铁道部规定程序审批,且必须保证行车安全,减少对运输的影响。
第4条 新建、改建工程竣工后,应按规定进行验收。线路验收时应达到设计速度。在确认工程符合技术标准、设计文件的要求,并检查竣工文件和技术设备使用说明书等资料齐全后,方可交接。新建、改建的工程设施,施工单位必须有明确的质量保证期。
如运输生产急需,可按上述原则分段验收交接。
第5条 铁路基本建设项目中的环境保护、水土保持、劳动安全、劳动卫生及消防等设施,必须和主体工程同时设计、同时施工、同时投产。
第6条 铁路使用的产品须符合国家和铁道行业技术标准。铁路重要产品须按照国家和铁道部有关规定,实行行政许可管理或产品强制认证。
第7条 铁路运输企业应严格控制进入铁路的产品质量,建立必要的检验制度。不得使用监督抽查、验收不合格和产品认证未通过的产品。产品检测、检验报告必须由符合国家规定条件的专业检测、检验机构出具。
机车车辆须按有关标准要求进行试验,并经铁道部指派的验收机构验收合格后,方准交付使用。
第8条 新设备(包括改造后的设备)投入使用前须有操作规程、竣工图纸等技术文件和保证安全生产的办法与管理细则,经过技术测验合格并对有关人员进行培训后,方可使用。
第9条 铁路机车车辆、线路、桥隧、通信、信号、供电、信息、安全、给水等技术设备,均须有完整和正确反映其技术状态的文件及《技术履历簿》等有关资料。
上述技术资料由有关部门或单位妥善保管,并根据变化情况及时记载修订。
第10条 机车车辆等技术设备须有铁道部统一规定的标记。
隐蔽的建筑物及设备须在地面上设有标志。
第11条 机车、客车、动车组等主要设备的报废、调拨及其重大的结构改变须经铁道部批准。货车由铁道部统一管理。
第12条 对现有不符合本规程规定标准的技术设备,应有计划地逐步改造或更换。
限界、安全保护区
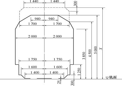
第13条 一切建筑物、设备,在任何情况下均不得侵入铁路的建筑限界(附图1)。与机车车辆有直接互相作用的设备,在使用中不得超过规定的侵入范围。
在设计建筑物或设备时,距钢轨顶面的距离应附加钢轨顶面标高可能的变动量(路基沉落、加厚道床、更换重轨等)。
靠近铁路线路修建各种建筑物及电线路时,须经铁路局批准。
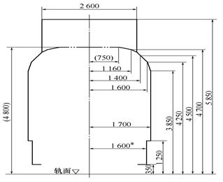
机车车辆无论空、重状态,均不得超出机车车辆限界(附图2)。
第14条 区间及站内两相邻线路中心线间的标准距离规定如下:
1.直线部分
第1表 客货共线铁路线间距
顺 序 | 名 称 | 线间最 小距离 (mm) |
| ||||
1 | 区间 双线 | v≤120km/m | 4000 |
| |||
120 km/h<v≤160km/h | 4200 |
| |||||
160 km/h<v≤200 km/h | 4400 |
| |||||
2 | 三线及四线区间的第二线与第三线 | 5300 |
| ||||
3 | 站内正线 | 5000 |
| ||||
4 | 站内 正线 与相 邻到 发线 | 无列检作业 | 5000 |
| |||
有列 检作 业或 上水 作业 | v≤120 km/h | 一 般 | 5500 |
| |||
改建特别困难 | 5000
|
| |||||
120 km/h<v≤160km/h | 一 般 | 6000 |
| ||||
| |||||||
改建特别困难 | 5500 |
| |||||
160 km/h<v≤200km/h | 一 般 | 6500 |
| ||||
改建特别困难 | 5500 |
| |||||
5 | 到发线与相邻到发线 | 5000 |
| ||||
6 | 站内相邻两线均需通行超限货物列车 | 5300 |
| ||||
7 | 站内相邻两线只有一条通行超限货物列车 | 5000 |
| ||||
8 | 铺设列检小车轨道的两到发线 | 5500 |
| ||||
9 | 换装线 | 3600 |
| ||||
10 | 编组站、区段站的站修线与相邻一条线 | 8000 |
| ||||
11 | 牵出线与 其相邻线 | 调车作业繁忙车站 | 6500 |
| |||
改建困难或仅办理摘挂取送作业 | 5000 |
| |||||
12 | 站内中间设有接触网支柱的相邻线 | 6500 |
| ||||
|
|
|
|
|
|
|
|
续上表
顺 序 | 名 称 | 线间最 小距离 (mm) |
13 | 线间设有融雪设备的相邻线 | 5800 |
14 | 安全线与其他线路 | 5000 |
15 | 其他站线 | 4600 |
第2表 客运专线铁路线间距
顺序 | 名 称 | 线间设施 | 线间最小 距离(mm) | |
1 |
区间 正线、
站内 正线 | 200 km/h |
| 4400 |
200 km/h<v≤250km/h |
| 4600 | ||
250 km/h<v≤300km/h |
| 4800 | ||
300 km/h<v≤350km/h |
| 5000 | ||
2 | 正线与相邻到发线 | 无 | 5000 | |
声屏障 | 5940+结构宽 | |||
接触网支柱 | 5200+结构宽 | |||
雨棚柱 | 4590+结构宽 | |||
有站台 | 3530+站台宽 | |||
3 | 到发线间或到发线与其他线 | 无 | 5000 | |
接触网支柱 | 5000+结构宽 | |||
雨棚柱 | 4300+结构宽 | |||
有站台 | 3500+站台宽 | |||
4 | 正线与其他线 |
| 5000 | |
站内正线须保证能通过超限货物列车。此外,在编组站、区段站及区段内选定的三至五个中间站上,单线铁路应另有一条线路,双线铁路上、下行各另有一条线路,须能通行超限货物列车。
2.曲线部分
区间及站内线路曲线部分中心线间的水平距离,线路中心线至建筑限界的水平距离,均按曲线半径大小,根据本规程附图1规定的曲线上建筑限界加宽公式计算确定。
第15条 铁路线路两侧应按规定设立安全保护区,在安全保护区边界设置标桩,并根据需要设置围墙、栅栏、防护桩等防护设施。
养护维修及检查
第16条 铁路技术设备的养护维修工作,应努力实现机械化、自动化,严格责任制和检验制,坚持以预防为主、检修与保养并重、预防与整治相结合的原则,合理确定检修项目和检修周期,组织定期检查,加强日常维修,提高设备质量。基础设施实行天窗修理。
第17条 铁路技术设备应保持完整良好状态。根据设备变化规律、季节特点,安排设备检修。检修单位应保证检修质量符合规定的标准和使用期限,并经检验合格后,方准交付运用。
第18条 为满足检修需要,应建立检修基地,设置检修、试验设备(包括检查车、试验车)、运输工具、必要的生产辅助车间和生产房屋,并应储备定量的器材和备品,以备急需和替换时使用。储备的器材和备品动用后,应及时补齐。
对各种机械设备应制定出检修、保养范围及安全操作规程。有关人员应做到正确使用,精心保养,细心检修,保持其良好状态。
第19条 铁路技术设备,除由直接负责维修及使用的部门经常检查外,应按下列规定进行定期检查。
铁路局以局长为主任委员,有关部门和单位负责人为委员,组成委员会,每年春秋两季进行全面检查。
特、一、二等站以站长为主任委员,有关单位负责人为委员,组成委员会,对车站(含段管线)内的线路、道岔、道口、通信、信号、供电、信息系统等行车设备,每季度联合检查一次。
三等及以下车站以站长为主任委员,工务、电务等有关专业负责人为委员,组成委员会,对车站(含段管线)内的线路、道岔、道口、通信、信号、供电、信息系统等行车设备每月联合检查一次。
各级检查委员会将检查结果记入《行车设备检查登记簿》内。检查中发现问题,要及时解决;对危及行车安全的,须立即采取措施;当时不能解决的,要安排计划,限期完成,由委员会进行复查;需要上级解决的,由委员会上报。
第20条 铁路局应按下列规定进行检查:
1.对重要线路的平面及纵断面复测、限界检查,每五年至少一次;技术复杂及重要的桥梁、隧道检定,其他线路的平面及纵断面复测、限界检查,每十年至少一次;对其他桥梁、隧道检定,应根据实际需要进行;对牵出线、驼峰及峰下线路的纵断面,每年至少检查一次。
凡跨越江河、水库的特大桥、大桥及其他需要了解墩台冲刷、河床变化、河道变迁及水文动态情况的跨河桥梁,每年应进行桥渡水文检测、检定。
2.根据线路的年通过总重、线路允许速度制定合理的检查周期,使用轨道检查车、钢轨探伤车定期对线路进行检查。登乘机车或旅客列车尾部对线路全面检查,每月不少于一次。
3.使用电务试验车对干线地面信号、机车信号、轨道电路和列车无线调度通信设备的运用状态,每季度检查一次;登乘机车检查信号显示距离、机车信号显示状态及列车无线调度通信设备运用质量,每月不少于一次;场强覆盖每年检查一次。
4.对各种检查车、试验车,每半年检查一次;对探伤器每月检查一次。
5.对空气压缩装置、压力容器和固定锅炉,必须按规定进行鉴定、试验和检查。
6.对给水、电力、供电及机车整备设备,每季度至少检查一次。
7.对污水处理等环境保护设施,每年检查一次。
8.使用接触网检测车对接触网状态,每季度检查一次;对接触网设备限界每年检查一次;对供电设备每季度至少检查一次。
9.对为客货运服务的建筑物(包括限界)和生产、办公房屋,每年至少检查一次;对客运服务设备每年春运前进行一次全面检查。
10.对机车车辆、建筑物的防火设施及器具、消防组织、防火防爆措施、危险品检查设备,每季度检查一次。
11.对红外线轴温探测设备等安全监测设备,每季度检查一次。
12.对铁路信息系统一类设备,每半年检查一次。
13.每年汛期前组织有关部门对沿线危树进行检查。
除上述检查外,根据线路的年通过总重、线路允许速度,铁道部专业技术机构使用专用设备定期对主要线路进行轨道、钢轨探伤、通信信号、接触网检查。
救 援 设 备
第21条 在铁道部指定地点设事故救援列车、电线路修复车、接触网抢修车,配备应急通信设备,并处于整备待发状态,其工具备品应保持齐全整洁,作用良好。
根据运输生产需要,铁路局应在无救援列车的编组站、区段站和二等以上车站成立事故救援队,配备简易起复设备和工具。
机车、动车、重型轨道车上均应备有复轨器和铁鞋。大型养路机械需配备专门起复装备及铁鞋。
铁道部、铁路局应急救援指挥中心应配备相应的应急通信设备,确保事故现场的图像、话音及数据在规定的时限内传送至应急救援指挥中心。
自然灾害预防
第22条 铁 路局应根据历年降雨、洪水规律和当年的气候趋势预测,发布防洪命令,制定防洪预案,及早做好一切准备。有关单位应按时完成防洪工程和预抢工程,储备足够的 料具及车辆,组织抢修队伍并进行训练,依靠当地政府建立群众性的防洪组织。加强雨中和雨后的检查,严格执行降雨量和洪水位警戒制度。对于可能危及行车安全 的地点,应通知司机和运转车长注意运行,在危险处所派人看守,有条件时,可安装自动报警装置,防止发生灾害事故。在汛期前须将防洪危险处所抄送跨局列车运 行的相关铁路局。
一旦发生灾害,积极组织抢修,尽快修复,争取不中断行车或减少中断行车时间。设备修复后,须达到规定标准。
对水流量大、河床不稳定的桥梁,要设置必要的监测仪器,建立观测制度,掌握桥梁水文及河床变化情况,及时提出预防和整治措施。
加强对电子设备的雷电防护及电磁兼容防护工作,逐步建立雷电预警系统,提高设备抗御电磁干扰能力,减少或防止雷电等自然灾害对设备的影响。
第23条 对防寒工作,应提前做好准备。铁路局要抓好以下工作:
1.对有关人员进行防寒过冬培训,并按规定做好防寒劳动防护用品的配备和发放工作;
2.对铁路技术设备进行防寒过冬检查、整修,并做好包扎管路等工作;
3.做好易冻的设备、物资的防冻解冻工作;
4.储备足够的防寒过冬材料、燃料和工具,检修好除冰雪机具和防雪设备,组织好除冰雪队伍。
第24条 在需要进行防暑工作的调度室、行车人员值班室、较大车站的旅客候车室及高温车间等重要生产房屋,应设有降温设备。露天作业场所根据需要设置凉棚。
在炎热季节应有足够的防暑用品和药物,并应有供职工饮用的清凉饮料。
在暑季前,应对防暑降温设备进行检查、整修。
第25条 机车、客车、动车组、动车、轨道车、检查车、发电车、试验车及大型养路机械,均须备有灭火器。客车内的锅炉、餐车炉灶须有防火、防爆措施。
机车库、车辆库、油脂库、洗罐所、通信信号机械室、计算机机房、牵引变电所控制室及为客货运服务的建筑物等主要处所,均须备有完好的消防专用器具。
有关单位应建立和健全消防组织,定期进行检查。
行车安全监测设备
第26条 铁路行车安全监测设备是保障铁路运输安全的重要技术设备,应具备监测、记录、报警、存取功能,保持其作用良好、准确可靠,并定期进行计量校准。
铁路行车安全监测设备主要包括:
1.机车车辆的车载监测设备;
2.机车车辆的地面监测设备;
3.轨道、通信、信号、接触网、电力贯通(自闭)线等固定设备的移动检测设备;
4.线路、桥梁、隧道、信号、接触网等固定设备的在线自动监测设备;
5.车站行车作业监控设备;
6.自然灾害综合监测预警设备;
7.列车安全预警系统、道口及施工防护设备。
第27条 铁路行车安全监测设备应通过铁路通信网络连接,实现信息共享,为运输组织、行车指挥、设备检修、救援及事故分析等提供信息。
第二章 线路、桥梁及隧道设备
一 般 要 求
第28条 为了保证线路、桥隧的质量,应设工务段、工务机械段。
工务段管辖正线长度,应根据单线或双线、平原或山区等条件确定。在工务段管辖范围内有枢纽或编组站时,应适当减少正线管辖长度。
铁路局根据需要和条件,设供铁路专用的采石场和林场。
第29条 工务段、工务机械段应有机具检修、配件修理、辅助加工等设施,动力、机修、起重、试验等设备,以及轨道车和汽车等运输工具。
工务机械段还应有大型养路机械,线路、桥隧施工机械以及检修基地等。
铁 路 线 路
第30条 铁路线路分为正线、站线、段管线、岔线及特别用途线。
正线是指连接车站并贯穿或直股伸入车站的线路。
站线是指到发线、调车线、牵出线、货物线及站内指定用途的其他线路。
段管线是指机务、车辆、工务、电务、供电等段专用并由其管理的线路。
岔线是指在区间或站内接轨,通向路内外单位的专用线路。
特别用途线是指安全线和避难线。
第31条 客货共线Ⅰ、Ⅱ级铁路区间线路最小曲线半径及最大限制坡度规定见第3表和第4表。客运专线铁路区间线路曲线半径规定见第5表。
第3表 客货共线Ⅰ、Ⅱ级铁路区间
线路最小曲线半径(m)
铁 路 等 级 | Ⅰ | Ⅱ | |||
路段设计行车速度(km/h) | 200 | 160 | 120 | 120 | 80 |
一 般 | 3500 | 2000 | 1200 | 1200 | 600 |
特殊困难 | 2800 | 1600 | 800 | 800 | 500 |
第4表 客货共线Ⅰ、Ⅱ级铁路区间线路
最大限制坡度(‰)
铁 路 等 级 | Ⅰ | Ⅱ | |||
一般 | 困难 | 一般 | 困难 | ||
牵引种类 | 电 力 | 6.0 | 15.0 | 6.0 | 20.0 |
内 燃 | 6.0 | 12.0 | 6.0 | 15.0 | |
第5表 客运专线铁路区间线路最小
曲线半径和最大曲线半径
设计速度 (km/h) | 最小曲线半径(m) | 最大曲线半径(m) | ||
一般 | 困难 | 一般 | 困难 | |
200 | 2200 | 2000 | 10000 | 12000 |
250 | 4000 | 3500 | 10000 | 12000 |
300 | 4500 |
| 12000 | 14000 |
350 | 7000 |
| 12000 | 14000 |
各级铁路的加力牵引坡度,内燃牵引的可用至25‰,电力牵引的可用至30‰。
不符合上述规定时,须经铁道部批准。
第32条 车站应设在线路平道、直线的宽阔处。
车站必须设在坡道上时,其坡度不应超过1‰;在地形特别困难的条件下,会让站、越行站可设在不大于6‰的坡道上,且不应连续设置,并保证列车的起动。
车站必须设在曲线上时,不得设在反向曲线上,其曲线半径不得小于该区段内的最小曲线半径,且不得小于第6表中规定的数值。
第6表 车站平面最小曲线半径
路段设计行车 速度(km/h) | 最小曲线半径(m) | ||
编组站、区段站 | 中 间 站 | ||
一般 | 困难 | ||
80 | 800 | 600 | 600 |
120 | 1200 | 800 | |
160 | 1600 | 2000 | 1600 |
200 | 2000 | 3500 | 2800 |
线路平面及纵断面
第33条 线路平面及纵断面应保持原有标准状态。区间线路变动时,须经铁路局批准,但曲线半径不得小于该区间规定的最小曲线半径,坡度不得大于该区间规定的最大限制坡度。进站信号机外制动距离内,如有变动时,必须及时通知有关单位。
凡变更线路平面及纵断面,竣工后由施工单位立即检查,并形成完整的竣工资料,移交负责维修和使用的单位。
在任何情况下,线路平面及纵断面的变动,必须满足限界要求。
路 基
第34条 路基的宽度,应考虑远期发展的铁路等级、维修和机械化作业,并根据路拱断面、轨道类型、道床标准形式及尺寸和路肩宽度计算确定。
路肩宽度:线路设计速度为200 km/h路段的路堤、路堑两侧均不应小于1.0 m;线路设计速度为160 km/h及以下的铁路路堤不应小于0.8 m,路堑不应小于0.6 m。牵出线的中心线至路肩边缘的宽度不得小于3.5 m。
曲线地段路基外侧加宽办法由铁道部有关规章规定。路基应避免高堤深堑。
路肩标高不低于设计洪水位加波浪侵袭高(或斜水流局部冲高)加壅水高再加0.5 m。
路基两侧应留有足够宽度的铁路用地,保证路基稳定,满足维修检查通道、栅栏设置及绿化带建设的需要。
第35条 路 基应按铁路等级选择优质填料填筑坚实,基床应强化处理,并经常保持干燥、稳固及完好状态,同时,应有良好的排水设备,必要时还应设防护和加固设备。对不良 地质条件和特殊土地段的路基,应采取可靠的加固措施;困难时应以桥梁等结构物代替。对不稳固的路基,应进行调查,分析原因,采取措施,消除病害。工务段应 根据病害情况,制定监视和检查办法,保证行车安全。
严禁在影响路基稳定的范围内挖沟、引水、耕种、取土和采石采矿。在路基范围内埋设电缆和接触网杆时,必须保证路基的稳定和坚固及排水等设备的正常使用。
路基防护宜优先采用有利于环保的植物(以灌木为主)防护,并结合圬工、土工合成材料等其他防护措施进行防护,但不得影响列车司机瞭望,倒树不应侵入限界和接触网安全距离。
桥隧建筑物
第36条 铁 路桥梁、涵洞及隧道,均应修建为永久性结构,符合工程结构抗震和相应的技术规范要求,其限界应根据规划考虑发展的需要。桥涵的承载能力,要符合铁道部规定 的技术要求,并根据承载能力及技术状态,制定运用条件。桥涵建筑物应确保通过的线路具有良好的稳定性、平顺性、耐久性,结构构造应便于检查和养护,根据需 要设置便于检查的设施。
对全长500 m及以上的钢桥,直线上全长1 000 m 及以上、曲线上全长500 m及以上的隧道,须进行巡守和监视,设置照明、通信设备和安全警报装置。
第37条 桥梁、涵洞孔径及净空,应满足国家防洪标准,能保证设计的最大洪水正常通过,并保证流冰、泥石流、漂浮物和通航、筏运的必要高度。
墩台基础应有足够深度。当桥隧建筑物及其附近有超过设计容许的冲刷可能时,应加深原有桥涵基础,必要时改建原有桥涵。
严禁在影响桥隧建筑物稳定的范围内挖沟、掘洞、引水、耕种、取土和采砂、采石、采矿。
对桥梁、涵洞应考虑排洪和灌溉等的综合利用。
第38条 桥梁、隧道应按规定设置维修通道、避车台、避车洞、电缆沟(槽)、电气化预埋件及必要的检查和防火设备。
直线上桥梁自线路中心至维修通道栏杆内侧的净距:明桥面和区间内道碴桥面的小桥为2.45 m;区间内道碴桥面的中、大、特大桥和车站内的桥梁为3.00 m;线路允许速度超过160 km/h区段的桥梁为3.75 m;桥面布置应适应大型养路机械及桥梁检查车作业的需要。净高小于5.00 m通行机动车辆的立交桥涵两端,要设置防撞防护限高架。
位于城市居民区的桥梁及立交桥,设置防噪声设施。
内燃机车牵引区段,单线2 km及以上、双线4 km 及以上的隧道,以及有害气体超过规定浓度或自然通风不良的隧道,均须有通风设备。
轨 道
第39条 轨道由道床、轨枕、钢轨、联结零件、防爬设备及道岔等组成。
新建、改建铁路正线应采用60 kg/m钢轨的跨区间无缝线路(重载运煤专线线路可采用 75 kg/m 钢轨轨道结构)。速度120 km/h以上至200 km/h及重载运煤专线铁路的线路应采用Ⅲ型轨枕、一级道碴;有挡肩轨枕用弹条Ⅱ型扣件,无挡肩轨枕用弹条Ⅲ型扣件。
第40条 轨距是钢轨头部踏面下16 mm范围内两股钢轨工作边之间的最小距离。直线轨距标准规定为1 435 mm,曲线轨距按第7表规定加宽。
第7表 曲线轨距加宽值
曲线半径R(m) | 加 宽 值(mm) |
R≥350 | 0 |
350>R≥300 | 5 |
R<300 | 15 |
验收线路时,线路、道岔轨距相对于上述标准的静态允许偏差规定见第8表。
第8表 线路、道岔轨距静态允许偏差
线路允许速度(km/h) | v≤120 | 120<v≤160 | 160<v≤200 |
线 路(mm) | +6 -2 | +4 -2 | ±2 |
道 岔(mm) | +3 -2 | +3 -2 | ±2 |
第41条 线路两股钢轨顶面,在直线地段,应保持同一水平。
曲线地段的外轨超高,应按铁道部规定的办法和标准确定。最大实设超高:双线地段不得超过150 mm,单线地段不得超过125 mm。
验收线路时,线路两股钢轨水平,较上述标准的静态允许偏差规定见第9表。
第9表 钢轨水平静态允许偏差
线路允许速度(km/h) | v≤120 | 120<v≤160 | 160<v≤200 |
正线及到发线(mm) | 4 | 4 | 3 |
道 岔(mm) | 4 | 4 | 3 |
其 他 线(mm) | 6 |
|
|
第42条 钢轨接头的预留轨缝应根据钢轨长度、当地历史最高、最低轨温及更换钢轨或调整轨缝时的轨温经计算确定。
绝缘接头的最小轨缝为6 mm,最大轨缝为构造轨缝。25 m钢轨铺设在历史最高、最低轨温差大于100 ℃的地区时,预留轨缝应进行个别设计。
第43条 道岔应铺设在直线上,正线道岔不得与竖曲线重叠,其他道岔应尽量避免与竖曲线重叠。
正线道岔钢轨应与线路上的钢轨采用同一类型。其他道岔钢轨在不得已情况下采用与线路钢轨不同类型时,须保证道岔钢轨强度不低于线路钢轨强度,并在道岔前后各铺一节与道岔钢轨同类型的钢轨。
第44条 道岔辙叉号数应符合下列规定:
1.用于侧向通过列车,速度80 km/h以上至140 km/h的单开道岔,不得小于30号;
2.用于侧向通过列车,速度50 km/h以上至80 km/h的单开道岔,不得小于18号;
3.用于侧向通过列车,速度不超过50 km/h的单开道岔,不得小于12号;
4.用于侧向接发停车旅客列车的单开道岔,不得小于12号;
5.用于侧向接发停车货物列车并位于正线的单开道岔,在中间站不得小于12号,在其他车站不得小于9号;
6.其他线路的单开道岔不得小于9号;
7.狭窄的站场采用交分道岔不得小于9号,但尽量不用于正线,必须采用时不得小于12号;
8.峰下线路采用对称道岔不得小于6号,采用三开道岔不得小于7号;
9.段管线采用对称道岔不得小于6号。
既有道岔的类型及辙叉号数不符合上述规定时,应按该道岔的号数限制行车速度,但应有计划地进行改造。驼峰下线路现有6.5号对称道岔,允许保留。
第45条 在新建或改建铁路上,列车运行速度120 km/h以上且小于160 km/h的区段,正线道岔采用固定型辙叉、轨底坡1:40、分动外锁闭的Ⅱ型道岔;列车运行速度160 km/h 及以上至200 km/h 或货车轴重25t的区段,正线道岔应采用可动心轨、轨底坡1:40、分动外锁闭的Ⅰ型道岔。
第46条 道岔应经常保持良好状态,有下列缺陷之一时,禁止使用:
1.内锁闭道岔两尖轨互相脱离,分动外锁闭道岔两尖轨与连接装置、心轨接头铁与拉板相互分离或外锁闭装置失效。
2.尖轨尖端与基本轨、可动心轨尖端与翼轨在静止状态不密贴。
3.尖轨、可动心轨被轧伤,轮缘有爬上尖轨、可动心轨的危险。
4.在尖轨、可动心轨顶面宽50 mm及以上的断面处,尖轨顶面低于基本轨顶面、可动心轨顶面低于翼轨顶面2 mm及以上。
5.基本轨垂直磨损,50 kg/m及以下钢轨,在正线上超过6 mm,到发线上超过8 mm,其他站线上超过10 mm;60 kg/m及以上钢轨,在线路允许速度大于120 km/h的正线上超过6 mm,其他正线上超过8 mm,到发线上超过10 mm,其他站线上超过11 mm。33 kg/m及以下的钢轨,由铁路局规定。
6.在辙叉心宽40 mm的断面处,辙叉心垂直磨耗(不含翼轨加高部分),50 kg/m及以下钢轨,在正线上超过6 mm,到发线上超过8 mm,其他站线上超过10 mm;60 kg/m及以上钢轨,在线路允许速度大于120 km/h的正线上超过6 mm,其他正线上超过8 mm,到发线上超过10 mm,其他站线上超过11 mm;可动心轨宽 40 mm 断面及可动心轨宽20 mm断面对应的翼轨垂直磨耗(不含翼轨加高部分)超过6 mm。33 kg/m及以下的钢轨,由铁路局规定。
7.辙叉心作用面至护轮轨头部外侧的距离小于1 391 mm,或翼轨作用面至护轮轨头部外侧的距离大于1 348 mm。
8.尖轨、基本轨或辙叉损坏。
9.道岔护轨螺栓、可动心轨咽喉和叉后间隔铁螺栓、长心轨与短心轨联结螺栓、钢枕立柱螺栓的同一部位同时有2根螺栓缺少或折损。
第47条 联锁道岔应配备钉固、加锁装置,以备联锁失效时用以锁闭道岔。联锁失效时防止扳动的办法,应在《车站行车工作细则》(以下简称《站细》)内规定。
未设联锁而需加锁的道岔也应安装加锁装置。
加锁装置包括锁板、勾锁器、闭止把加锁、带柄标志加锁。
道口、交叉及线路接轨
第48条 列车运行速度120 km/h及以上线路和重载运煤专线等线路应全封闭、全立交,线路两侧按标准进行栅栏封闭,并设置相应的警示标志。
列车运行速度120 km/h以下的线路,铁路道口、人行过道的设置或拓宽按照铁道部有关规定办理。铁路道口、人行过道的等级、标准、铺设、拆除及需否看守,由铁路局决定。
第49条 铁路道口和人行过道均应设置道口标志、道口路段标线、司机鸣笛标及护桩,根据需要设置栅栏或其他安全防护设施。
铁路道口的铺面、两侧道路的坡度及平台长度应符合要求。
有人看守道口根据需要修建道口看守房,设置照明灯、警示灯、遮断色灯信号机和道口自动通知设备,并督促地方道路管理部门设置齐全道口警示标志。根据需要设置列车无线调度通信设备。
站内平过道必须与站外道路和人行道路断开,禁止社会车辆、非工作人员通行,平过道不得设在车站两端咽喉区内。
在电气化铁路上,铁路道口通路两面应设限高架,其通过高度不得超过4.5 m。道口两侧不宜设置接触网锚段关节,不应设置锚柱。
栏杆(门)以对道路开放为定位。特殊情况下需要以对道路关闭为定位时,由铁路局规定。
第50条 一切车辆、自动走行机械和牲畜,均须在立体交叉或平交道口处通过铁路。铁路工作人员发现有违反上述情况时,应予制止。
特别笨重、巨大的物件和可能破坏铁路设备、干扰行车的物体通过道口时,应提前通知铁路道口管理部门,采取安全和防护措施,并在其协助指导下通过。
第51条 新建的岔线,不准在区间内与正线接轨;特殊情况必须在区间内接轨时,须经铁道部批准,但在接轨地点应开设车站(线路所)或设辅助所管理。因路内施工临时性的区间出岔,应按期拆除。
站内铺设及拆除道岔、线路时,由铁路局批准。
第52条 各种建筑物、电线路、管道及渡槽跨越铁路,横穿路基,或在桥梁上下、涵洞内通过铁路时,应提出设计、施工方案和安全措施等文件,征得铁路局同意,在铁路有关单位派人协助指导下进行施工,不得妨碍铁路运输。
安全线及避难线
第53条 岔线、段管线与正线、到发线接轨时,均应铺设安全线。岔线与站内到发线接轨,当站内有平行进路及隔开道岔并有联锁装置时,可不设安全线。
在进站信号机外制动距离内进站方向为超过6‰下坡道的车站,应在正线或到发线的接车方向末端设置安全线。
合资铁路、地方铁路及专用铁路与国家铁路车站接轨,其接轨处或接车线末端应设隔开设备(设有平行进路并有联锁时除外)。
安全线向车挡方向不应采用下坡道,其有效长度一般不小于50 m。
第54条 为防止在长大下坡道上失去控制的列车发生冲突或颠覆,应根据线路情况,计算确定在区间或站内设置避难线。
第三章 信号、通信设备
一 般 要 求
第55条 为保证信号设备的质量,应设电务段。
电务段管辖范围应根据信号设备等条件确定。
提供铁路通信服务的部门应保证通信设备的质量,负责设备的运行和维护。
第56条 电务段应设信号设备检修、修配、测试场所,配置相应的仪器仪表、工装机具以及交通工具、应急通信设备等。电务段应在机务段内设机车信号检修、测试场所。设有车辆减速器的驼峰调车场应设驼峰机械修配场所。
铁路信号设备维护工作应按设备技术状态进行维修,并按周期进行中修和大修。
提供铁路专用通信服务的部门,应在机务段内设有机车无线通信设备维护检修场所。
第57条 对设有加锁加封的信号设备,应加锁加封,必要时可装设计数器,使用人员应负责其完整。对加封设备启封使用或对设有计数器的设备每计数一次时,使用人员均须在《行车设备检查登记簿》内登记,写明启封或计数原因。加封设备启封使用后,应及时通知信号部门加封。
采用计算机联锁设备实现加锁加封功能时,应使用密码操作。
第58条 集中联锁车站和自动闭塞区段应装设信号计算机监测系统,对信号设备运用状态进行实时监测、故障及超限告警。
第59条 信号及通信设备,应装有防止强电及雷电危害的保安设备,电子设备应符合电磁兼容有关规定。
信 号
第60条 信号装置一般分为信号机和信号表示器两类。
信号机按类型分为色灯信号机、臂板信号机和机车信号机。信号机按用途分为进站、出站、通过、进路、预告、接近、遮断、驼峰、驼峰辅助、复示、调车信号机。
信号表示器分为道岔、脱轨、进路、发车、发车线路、调车及车挡表示器。
第61条 各种信号机及表示器,在正常情况下的显示距离:
1. 进站、通过、接近、遮断信号机,不得小于1 000 m;
2. 高柱出站、高柱进路信号机,不得小于800 m;
3. 预告、驼峰、驼峰辅助信号机,不得小于400 m;
4. 调车、矮型出站、矮型进路、复示信号机,容许、引导信号及各种表示器,不得小于200 m。
在地形、地物影响视线的地方,进站、通过、接近、预告、遮断信号机的显示距离,在最坏的条件下,不得小于200 m。
第62条 铁路信号机应采用色灯信号机。色灯信号机应采用高柱信号机,在下列处所可采用矮型信号机:
1. 不办理通过列车的到发线上的出站、发车进路信号机;
2. 道岔区内的调车信号机及驼峰调车场内的线束调车信号机;
3. 自动闭塞区段,隧道内的通过信号机。
特殊情况需设矮型信号机时,须经铁路局批准。
第63条 信号机应设在列车运行方向的左侧或其所属线路的中心线上空。特殊地段因条件限制,需设于右侧时,须经铁路局批准。
信号机设置的地点,由电务部门会同运输、机务及工务等有关部门共同研究确定。
在确定设置信号机地点时,除满足信号显示距离的要求外,还应考虑到该信号机不致被误认为邻线的信号机。
第64条 车站必须装设进站信号机。进站信号机应设在距进站最外方道岔尖轨尖端(顺向为警冲标)不小于50 m的地点,如因调车作业或制动距离的需要,一般不超过400 m。
双线自动闭塞区间反方向进站信号机前方应设置预告标。
第65条 在车站的正线和到发线上,应装设出站信号机。出站信号机应设在每一发车线的警冲标内方(对向道岔为尖轨尖端外方)适当地点。
在调车场的编发线上,必要时可设线群出站信号机。
第66条 通过信号机应设在闭塞分区或所间区间的分界处。自动闭塞区段的通过信号机,不应设在停车后可能脱钩、牵引供电分相的处所,也不宜设在起动困难的地点。
自动闭塞区段信号机设置位置和显示关系应根据列车牵引计算确定,并应满足列车运行速度规定的制动距离和线路通过能力的要求。
在自动闭塞区段内,当货物列车在设于上坡道上的通过信号机前停车后起动困难时,在该信号机上应装设容许信号。在进站信号机前方第一架通过信号机上,不得装设容许信号。
在三显示自动闭塞区段的进站信号机前方第一架通过信号机柱上,应涂三条黑斜线;四显示自动闭塞区段的进站信号机前方第一、第二架通过信号机的机柱上,应分别涂三条、一条黑斜线,以与其他通过信号机相区别。
第67条 有人看守道口应装设遮断信号机;在有人看守的桥隧建筑物及可能危及行车安全的坍方落石地点,根据需要装设遮断信号机。该信号机距防护地点不得小于50 m。
第68条 半自动闭塞、自动站间闭塞区段,进站信号机为色灯信号机时,应设色灯预告信号机或接近信号机。
遮断信号机和半自动闭塞、自动站间闭塞区段线路所通过信号机,应装设预告信号机。
列车运行速度不超过120 km/h的区段,预告信号机与其主体信号机的安装距离不得小于 800 m,当预告信号机的显示距离不足400 m时,其安装距离不得小于1 000 m。
列车运行速度超过120 km/h的区段,应设置两段接近区段,在第一接近区段和第二接近区段的分界处,设接近信号机,在第一接近区段入口内100 m处,设置机车信号接通标。
第69条 特殊地段因条件限制,同方向相邻两架指示列车运行的信号机(预告、遮断、复示信号机除外)间的距离小于制动距离时,按下列方式处理:
1. 在列车运行速度不超过120 km/h的区段,当两架信号机间的距离小于400 m时,前架信号机的显示,必须完全重复后架信号机的显示;当两架信号机间的距离在400 m及以上,但小于800 m时,后架信号机在关闭状态时,则前架信号机不准开放。
2. 在列车运行速度超过120 km/h的区段,两架有联系的信号机间的距离小于列车规定速度级差的制动距离时,应采取必要的降级或重复显示措施。
第70条 出站信号机有两个及以上的运行方向,而信号显示不能分别表示进路方向时,应在信号机上装设进路表示器。
发车进路兼出站信号机,根据需要可装设进路表示器,区分进路方向。
双线自动闭塞区段,有反方向运行条件时,出站信号机应装设进路表示器。
第71条 发车指示信号或发车信号辨认困难,而中转信号又延长站停时间的车站,应在便于司机 t望的地点装设发车表示器。
第72条 为满足调车作业的需要,应装设调车色灯信号机。
在作业繁忙的调车场上,因受地形、地物影响,调车机车司机看不清调车指挥人的手信号时,应设调车表示器。
第73条 设有线群出站信号机时,应在线群每一条发车线路的警冲标内方适当地点,装设发车线路表示器。
第74条 在有几个车场的车站,为使列车由一个车场开往另一个车场,应装设进路色灯信号机。
第75条 进站及接车进路色灯信号机,均应装设引导信号。
第76条 驼峰应装设驼峰色灯信号机。驼峰色灯信号机可装设驼峰色灯辅助信号机。驼峰色灯信号机或辅助信号机的显示距离不能满足推峰作业要求时,根据需要可再装设驼峰色灯复示信号机。
驼峰色灯辅助信号机,可兼作出站或发车进路信号机,并根据需要装设进路表示器。
第77条 进站、出站、进路信号机及线路所通过信号机,因受地形、地物影响,达不到规定的显示距离时,应装设复示信号机。
设在车站岔线入口处的调车色灯信号机,达不到规定的显示距离时,根据需要可装设调车复示信号机。
第78条 非集中操纵的接发车进路上的道岔,应装设道岔表示器,集中操纵的道岔、调车场及峰下咽喉的道岔,不装设道岔表示器;其他道岔根据需要装设道岔表示器。
集中联锁以外的脱轨器及引向安全线或避难线的道岔,应装设脱轨表示器。
联 锁
第79条 联锁设备分为集中联锁(继电联锁和计算机联锁)和非集中联锁(臂板电锁器联锁和色灯电锁器联锁)。
编组站、区段站和电源可靠的其他车站,均应采用集中联锁。
第80条 站内正线及到发线上的道岔,均须与有关信号机联锁。区间内正线上的道岔,须与有关信号机或闭塞设备联锁。各种联锁设备(驼峰除外)应满足下列条件:
1.当进路上的有关道岔开通位置不对或敌对信号机未关闭时,该信号机不能开放;信号机开放后,该进路上的有关道岔不能扳动,其敌对信号机不能开放。
2.正线上的出站信号机未开放时,进站信号机不能开放通过信号;主体信号机未开放时,预告信号机不能开放。
3.装有转换锁闭器,电动、电空、电液转辙机的道岔,当第一连接杆处(分动外锁闭道岔为锁闭杆处)的尖轨与基本轨间、心轨与翼轨间有4 mm及以上水平间隙时,不能锁闭或开放信号机。
4.区间内正线上的道岔,未开通正线时,两端站不能开放有关信号机。设在辅助所的闭塞设备与有关站闭塞设备应联锁。
第81条 集 中联锁设备应保证:当进路建立后,该进路上的道岔不可能转换;当道岔区段有车占用时,该区段的道岔不可能转换;列车进路向占用线路上开通时,有关信号机不 可能开放(引导信号除外);能监督是否挤岔,并于挤岔的同时,使防护该进路的信号机自动关闭,被挤道岔未恢复前,有关信号机不能开放。
集中联锁设备,在控制台(或操纵、表示分列式的表示盘及监视器)上应能监督线路与道岔区段是否占用、进路开通及锁闭,复示有关信号机的显示。
第82条 非集中联锁设备,应保证车站值班员能控制接、发车进路和信号机的开放与关闭。
非集中联锁设备,在控制台上应有接、发列车的进路开通表示;采用色灯电锁器联锁时,还应有进站信号机的开放、关闭和出站信号机、引导信号的开放表示;到发线设有轨道电路时,应有到发线的占用表示。
第83条 在作业繁忙的调车区域,根据需要,可采用调车区集中联锁。
第84条 信号设备联锁关系的临时变更或停止使用,须经铁路局批准。
闭 塞
第85条 闭塞设备分为自动闭塞、自动站间闭塞和半自动闭塞。具体设置条件如下:
1. 在单线区段,应采用半自动闭塞或自动站间闭塞,繁忙区段可根据情况采用自动闭塞;
2. 在双线区段,应采用自动闭塞。
在一个区段内,原则上应采用同一类型的闭塞方式。
第86条 在列车运行速度超过120 km/h的双线区段,应采用速差式自动闭塞,列车紧急制动距离由两个及以上闭塞分区长度保证。
列车调度指挥系统、调度集中
第87条 铁路运输指挥应装备列车调度指挥系统(TDCS)或调度集中设备(CTC)。
第88条 列车调度指挥系统是铁路运输调度指挥的基础设施,是铁路运输生产的重要技术装备,由铁道部、铁路局、车站三级构成。
列 车调度指挥系统应能实时自动采集列车运行及现场信号设备状态信息,并传送到铁道部调度指挥中心和铁路局调度所,完成列车运行实时追踪、无线车次号校核、自 动报点、正晚点统计分析、交接车自动统计、列车实际运行图自动绘制、阶段计划人工和自动调整、调度命令及行车计划下达、站间透明、行车日志自动生成等功 能,实现各级运输调度的集中管理、统一指挥和实时监督。
列车调度指挥系统应能满足高安全、高可靠、高实时性的要求,建立维护管理体制,保证设备不间断使用。
第89条 列车调度指挥系统配置独立的处理平台,关键设备采用冗余配置。列车调度指挥系统采用独立的业务专网,铁道部调度指挥中心和铁路局调度所采用双局域网,车站可采用单局域网。各级局域网通过专用数字通道互连。
第90条 调度集中系统应在列车调度指挥系统基础上构建,由铁路局、车站两级构成。调度集中区段,车站应设集中联锁,区间应设自动闭塞或自动站间闭塞。
调度集中除实现列车调度指挥系统的全部功能外,还应实现列车编组信息管理、调车作业管理、综合维修管理、列/调车进路人工和计划自动选排、分散自律控制等功能。
调 度集中原则上应将同一调度区段内、同一联锁控制范围内所有车站(车场、线路所)的信号、联锁、闭塞设备纳入控制范围。调度集中区段的两端站、编组站、区段 站,以及调车作业较多、有去往区间岔线列车或中途返回补机的中间站,可不列入调度集中操纵,但出站信号机均应受调度集中控制。
当调度集中设备故障、维修、施工及运输需要时,由中心控制转为车站控制。
第91条 调度集中系统配置独立的处理平台,设备采用冗余配置,通信协议与列车调度指挥系统一致。调度集中系统采用独立的业务专网,各级采用双局域网并通过专用数字通道组成双环形广域网。
机车信号、列车超速防护
第92条 机车信号分为连续式和接近连续式。自动闭塞区段应装设连续式机车信号,半自动闭塞和自动站间闭塞区段应装设接近连续式机车信号。
车站正线、到发线应实现电码化或采用与区间同制式轨道电路。
机车信号的显示,应与线路上列车接近的地面信号机的显示含义相符。机车停车位置,应以地面信号机或有关停车标志为依据。
第93条 机车信号作为行车凭证时,由车载信号和地面信号设备共同构成,必须符合故障导向安全原则。车载信号设备应具有运行数据记录的功能;地面信号设备应具有闭环检查功能,提供正确信息。
第94条 列车超速防护系统由车载和地面信号设备构成,必须符合故障导向安全的原则。车载设备采用速度方式显示,应具有运行数据记录功能,不干扰司机正常操纵,超速时自动实施常用制动或紧急制动进行安全防护。
第95条 最高运行速度不超过160 km/h的列车,机车信号设备与列车运行监控记录装置结合使用,或采用列车超速防护系统。最高运行速度超过160 km/h的列车,应采用列车超速防护系统。
第96条 机车信号、列车超速防护和列车无线调度通信设备(机车电台)的电源,均应取自机车直流控制电源系统。直流输出电压为110 V 时,电压波动允许范围为-20%~+5%。
驼 峰 信 号
第97条 机械化、半自动化、自动化驼峰调车场应采用道岔自动集中;简易、非机械化驼峰调车场,根据需要可采用道岔自动集中。
第98条 半自动化、自动化驼峰由控制系统、基础设备和监测设备构成。根据驼峰的站场布置和作业需要,选择、配置系统设备。
装设集中联锁设备的驼峰头部调车进路(线束溜放区除外)应符合联锁的相关规定。
第99条 设有车辆减速器的驼峰,应在驼峰信号机前适当地点装设车辆减速器的限界检查器。超限车辆通过时,应使驼峰信号机自动关闭,在控制台上发出相应的表示及音响信号,同时向峰顶发出音响信号。
第100条 驼峰溜放车组速度控制调速制式可采用点式、点连式、连续式。点式采用减速器调速方式,点连式采用减速器-减速顶调速方式,连续式采用减速顶调速方式。
根据车辆减速器和转辙机对动力供应的要求,可设置专用动力站。动力站控制方式应能自动控制或手动控制,保证不间断地向全场供应动力,并应设监测设备。
第101条 驼峰控制台上应有信号机的显示状态、道岔位置、轨道电路区段的占用情况及邻接联锁区的有关表示。当装设驼峰道岔自动集中时,应有车组顺序和进路去向的表示。半自动化、自动化驼峰控制台上应有自动控制设备的相应表示。
设车辆减速器的驼峰应在控制台上表示出车辆减速器的动作状态、轨道电路区段占用情况、车辆实际速度。
设推峰机车遥控的驼峰应在控制台上表示出机车动作状态、推峰股道、机车实际速度。
当驼峰信号机由开放转为关闭时,应以音响为辅助信号,通知峰顶调车人员。
道口自动信号及自动通知
第102条 道口自动信号,应在列车接近道口时,向道路方向显示停止通行信号,并发出音响通知;如附有自动栏杆(门),栏杆(门)应自动关闭。
在列车全部通过道口前,道口信号应始终保持禁止通行状态,自动栏杆(门)应始终保持关闭状态。道口信号设备停用或故障时,应向道口看守人员提示。
道口自动通知(含无线道口报警)设备,应在列车接近道口时,以音响和灯光显示通知道口看守人员。
通 信
第103条 铁路通信应符合国家、铁道部规定的相关技术标准和质量要求,确保全程全网安全、可靠、迅捷、畅通。
基础通信网应根据铁路运输和铁路信息化的需求设置,在物理层、链路层、网络层提供综合业务的接入、交换和传输。
调度通信应满足铁路运输组织的需要,调度通信网络应保持相对独立和专用。
铁路自动电话网的本地网设置应与铁路局设置相适应。
第104条 铁路通信应根据下列主要通信业务,配置相应通信设备:
1.普通电话(固定、移动);
2.专用电话(固定、移动),包括调度电话、车站(场)通信、站间行车电话、各工种专用电话等;
3.会议电话;
4.广播;
5.数据承载;
6.数据终端(铁路电报,列车调度命令无线传送,列车进路预告,无线车次号校核,列车尾部风压信息反馈,列车接近通知,列车防护报警,道口报警,调车数据传送等);
7.图像通信(电视会议、监视图像传送等);
8.客运综合信息(列车到发通告、引导显示、查询、广播、时钟、监视、视讯等);
9.应急通信;
10.安全预警等。
第105条 列 车调度电话系统准许列车调度员、机车调度员、车站值班员(车站调度员)、车辆运行安全监测调度员、列车段(车务段、客运段)值班员、机务段调度员、电力牵 引变电所值班人员、供电调度员、道口看守员加入通话;根据需要允许运转车长(无运转车长为车辆乘务员)、机车司机、大型养路机械及轨道车司机、救援列车主 任和施工负责人及巡守人员在区间临时加入通话。
站间行车电话及扳道电话,禁止其他电话接入。
列车调度电话、站间行车电话均应装设通信记录装置。
第106条 铁路各调度区段应装设列车无线调度通信设备。在编组站、区段站,应装设平面调车、驼峰调车等站场无线通信设备。
列车无线调度通信设备准许列车调度员、机车调度员、车站值班员、助理值班员、机车司机、大型养路机械及轨道车司机和运转车长加入通话;允许救援列车主任在执行救援任务时,临时加入通话;道口看守、防护人员和巡守人员在紧急情况下,可临时加入通话。
列车无线调度通信设备(车站台、调度台、机车台等)应装设通信记录装置。
第107条 区间通话柱应尽量靠近铁路,并安装在防护网内,与线路中心的水平距离应能保证使用人员的人身安全和养路机械的施工作业要求,每隔1.5 km左右安装一个;在自动闭塞区段,其安装位置尽量与通过信号机的位置相对应。
第108条 在装备铁路数字移动通信系统(GSM-R)区段,各类移动通信业务应由GSM-R承担。
第109条 在铁路运输生产中,凡设置使用无线电设备的单位,都必须遵守国家和铁道部无线电管理的有关规定。
第110条 信号传输线路,可采用电缆、光缆等传输手段。通信传输线路以光缆为主。
在最大弛度时,架空线条最低点至地面、轨面的一般距离规定如下:
1.在区间,距地面不小于2 500 mm;
2.在站内,距地面不小于3 000 mm;
3.跨越道路,距地面不小于4 500 mm;
4.在与铁路交叉地点,距钢轨顶面不小于7 000 mm。
架空线线路下面,地下光缆和电缆线路上面,禁止植树。架空线线路附近的树枝与线条的距离,在市内不小于1 000 mm,在市区外不小于2 000 mm。地下光缆和电缆线路与树木平行的距离,在市内不小于750 mm,在市区外不小于2 000 mm。
严禁在信号、通信线路及设备附近进行危及其安全的施工或作业。必须进行时,应会同设备维护部门,采取安全防护措施。
第111条 在通信架空线路上,禁止架设广播线。
当通信明线或电缆与供电线路、广播线或其他电话线路并行或跨越时,其间必须保持的距离,由铁道部有关通信规章规定,并采取防止干扰措施。
第112条 通信线路或设备损坏时,应按下列顺序抢通和恢复:
1.列车调度电话;
2.站间行车电话、扳道电话;
3.列车调度指挥系统和调度集中系统的网络通道;
4.车辆运行安全监测传输通道;
5.客票发售与预订系统网络通道;
6.车号自动识别系统网络通道;
7.其他。
第四章 铁路信息系统
第113条 铁路信息系统是铁路运输生产和管理的重要组成部分。铁路信息系统的建设应遵循统一领导、统一规划、统一标准、统一资源、统一管理的原则。
新建和改建的铁路建设项目应同期建设配套的铁路信息系统,并同期交付使用。
铁道部、铁路局信息管理、技术机构负责铁路信息化的建设和信息系统的运行维护管理;建有信息系统的站、段由信息技术部门或专职人员负责信息系统的运行维护管理。
第114条 铁路信息技术设备按其用途和性质分为两类。
一类设备:用于铁路运输生产和管理并且不间断运行的系统设备。主要为服务器端设备、网络设备和不间断运行的客户端设备等。
一类设备应具有高可用性和高可靠性;应提供7日×24小 时技术支持与维护服务;设备的功能、性能和容量应满足当前需要并考虑适量预留;应采用容错容灾、监控诊断、数据备份与恢复、网络及信息安全防护等技术措施 和设备;应按照一级负荷供电;应采用防止强电、雷电、静电危害的技术措施和安全装置,以保证系统的安全可靠和正常运行。
二类设备:一类设备之外的其他设备。
二类设备根据实际需要配置。应提供不低于5日×8小时技术支持与维护服务;可适当采用必要的安全防护技术措施和设备,以保证设备的正常使用。
第115条 铁路信息系统投入使用前应按规定进行严格的测试、评审和认定。修改使用中的应用软件应按规定程序审批,并建立修改档案。
第116条 铁路信息系统网络按应用分为外部服务网、内部服务网和安全生产网,采用纵深的综合防御体系确保网络安全。
安全生产网骨干设备应采取冗余和备份配置。外部服务网和内部服务网的配置根据需要确定。
禁止安全生产网直接与互联网连接。内部服务网和外部服务网之间,按国家和铁道部有关规定进行物理隔离,禁止外部服务网用户和设备直接访问安全生产网资源。对于安全要求特别高的系统,可在安全生产网中划分出逻辑上或物理上相对独立的业务子系统专网,实行强制保护。
第117条 铁路信息系统的数据应保证安全、真实、完整、有效,并建立数据的保存、备份和查询制度。
重要数据的备份应异地存放。涉及安全和商业机密的运行数据必须采取保密措施。
第118条 铁路信息系统的安全策略及各项安全措施应遵循国家的有关规定。
铁路信息系统的主机房应设在安全区域。机房建设应符合国家相关标准,采取防火、防雷、防电磁干扰和泄露、防静电等安全措施;设置安全检测装置,建立安全管理制度。
第119条 铁路信息系统运行维护工作包括:生产调度与运行、技术支持、网络维护、应用软件维护、数据维护、信息安全管理、设备维修、资产管理等。
各级信息管理、技术部门应制定并完善运行维护管理制度,应配备必要的设备和工器具。软件应纳入资产管理。
铁路信息系统设备维修与管理应坚持预防为主、重在维护、及时修理的原则。重要信息系统停机实施维护检修和升级改造作业前,应进行风险评估、制定应急预案,并履行报批手续。
投入运行的铁路信息系统设备不得兼做新项目的开发和测试等其他用途,技术设备变更应执行规定的审批程序。
第五章 站 场 设 备
第120条 车站根据业务性质、运量大小及技术作业的需要,设置下列主要设备:
1.到发线;
2.调车线;
3.牵出线;
4.机车运转整备线、车辆站修线及救援列车停留线、大型养路机械停留线等;
5.办理货物装卸作业的车站,应有货物装卸线,并根据需要设置高架货物线、换装线、加冰线、轨道衡线、货车洗刷线、油罐列车整备线、机械冷藏车加油线及特殊危险货物车辆停留线;
6.机务段所在地车站,应设有机车出入段专用的机车走行线和机待线;
7.通信、信号、联锁、闭塞设备;
8. 编组站、区段站应根据作业需要,修建简易驼峰、非机械化驼峰、机械化驼峰、半自动化驼峰或自动化驼峰,设置车辆减速器、减速顶、加速顶等调速设备;
9.根据接发列车、调车作业的需要设置隔开设备等安全设施;
10.调车作业繁忙的车站,应设置站场扩音设备、站场无线通信设备、货运票据和调车作业通知单传递(输)装置,车场内线路间、牵出线和推峰线调车人员经常走行区域应填平(不得高于道床),并设有排水和高架照明设备,车场间应有硬路面的通道;
11.列车预确报、现在车管理等信息系统设备;
12.无线调车设备;
13.设置列车尾部安全防护装置(以下简称列尾装置)主机的维修、检测设备等;
14.机车乘务组进行中途换乘作业的车站,应配备值班室、休息室和必要的配套设施。
第121条 客 运站舍,应根据客运量设有便于购买车票、办理行李包裹、候车、问事、引导、广播、携带品寄存,以及为旅客服务的文化、卫生及生活上的必要设备。根据规定还 应设置安全检查设备、客运信息查询显示设备、行李包裹到达查询设备、垃圾存放设备等,根据需要设置电梯、自动扶梯、无障碍通道和相应的助残设施、污物处理 设备等。
办理客运业务的车站应设旅客站台,并应有照明、广播设备,有条件的车站应设围墙栅栏。
大、中型客运站站前应有广场,站台应有雨棚(根据需要可设无站台柱雨棚)、导向设备,跨越线路应采用天桥或地道。
旅客站台不应邻靠正线。旅客列车通过的车站,通过线路的站台安全标线与站台边缘距离为:列车通过速度不超过120 km/h时,1 000 mm;列车通过速度120 km/h以上至160 km/h时,1 500 mm;列车通过速度160 km/h以上至200 km/h时,2 000 mm。也可在距站台边缘1000 mm处设栅栏防护。
第122条 办理货运的车站,应设有办理托运、检斤、制票、问讯、交付等必要设备,并应根据需要设有货物站台、仓库及货位、堆场、集装箱装卸场地、雨棚、排水、消防、照明、通路及围墙、货运安全检测及防护等设备。
货物装卸作业量较大的车站,应分设综合性货场和专业性货场,根据需要设装卸牲畜的设备、禽畜等的供水设备、爆炸品的专用货场和仓库,制冰及加冰加盐、轨道衡、货车洗刷等设备。
货车洗刷消毒地点,应设有处理污染及排泄设备。
在尽头站台处应设有车钩缓冲装置。
货物装卸作业应采用机械化设备。
第六章 机车车辆
机 车 设 备
第123条 为保证机车良好的技术状态,应有进行检修和整备作业的机车修理工厂、机务段。
机务段宜设置在客、货列车始发终到较多,车流大量集散的枢纽地区,有利于机车的集中配置使用。段内停放机车和整备作业的线路应平直,线路纵断面的坡度不得超过1‰。
第124条 机务段应有机车运转整备及机车检查、检测、修理设备和污水处理设施。
机车运转整备场根据需要应有股道管理自动化系统和整备库(棚)、整备线和检查坑等设施,设置机车补充砂、水、润滑油、燃料及转向、检查、检测、清洗、保养等机车整备设备;配备机车小修、辅修必要的设备、设施;电力机车整备线的接触网应有分段绝缘器、隔离开关设备等。
机车检查、检测、修理应有机车库和配件修理、辅助加工、动力、起重、运输、试验等厂房及设备,应设置行车安全设备检测、维修的设备和设施。
内燃机务段还应有使用1~2个月的机车燃料储存油库。
第125条 机车车辆轮渡应有船舶、栈桥、墩架、船舶整备和检修等设备,并应经常保持良好状态。轮渡船舶应按国家规定进行检验和检修。
机 车
第126条 机车分为电力机车、内燃机车。
第127条 机车应有识别的标记:路徽、配属局段简称、车型、车号、最高运行速度、制造厂名及日期。在机车主要机械上应有履历牌,在监督器上应有检验标记。电气化区段运行的机车应有“电化区段严禁攀登”的标识。内燃机车燃料箱上应标明燃料油装载量。
机 车上须装设列车运行监控记录装置、机车信号、列车无线调度通信设备、机车车号识别设备、列车运行状态信息车载设备、机车语音记录装置、机车防火监视装置、 机车走行部监测装置(轴温报警装置)、车顶绝缘检测装置、自动过分相装置、空调,电力机车根据需要装设弓网检测装置等设备;机车应向车辆的空气制动装置提 供风源,具有双管供风装置的机车应向车辆空气弹簧等其他用风装置提供风源;具有直供电设备的机车应向车辆提供电源。
单司机值乘的机车还应具有车内通信、卫生等设施。
第128条 机车应实行计划预防修,实施主要零部件的专业化集中修和定期检测状态修。检修周期应根据机车实际技术状态和走行公里或使用时间确定,机车检修周期及技术标准按铁道部机车检修规程执行。
机车定期检修的修程分为大修、中修、小修和辅修。
机车的检查及修理,应根据修程范围,在机车修理工厂、机务段进行。
第129条 机车实行年度鉴定。
第130条 机车乘务制度分为包乘制和轮乘制,逐步推行单司机值乘。机车乘务制度由铁路局确定。
第131条 牵引列车的机车在出段前,必须达到运用状态,下列主要部件和设备必须作用良好并符合要求。
1.机车的牵引、走行、制动系统,安全保护装置,照明和信号标志,行车安全设备。
2.机车制动缸活塞行程规定见第10表;采用单元制动器的制动闸瓦与车轮踏面的缓解间隙为4 mm~8 mm。
第10表 机车制动缸活塞行程规定
种 类 | 车 型 | 活塞行程(mm) |
电 力 | 8G | 70~150 |
内 燃 | DF4、DF4B、DF4C、DF4D、DF5、DF8 | 74~123 |
DF7、DF7B、DF7C、DF7D、DF7G、BJ | 50~90 | |
DFH2 | 40~55 | |
DFH3 | 60~70 | |
DFH5 | 55~70 | |
ND2、ND3 | 70~110 | |
ND5 | 69.5~82.5 | |
NY6、NY7 | 60~120 |
3.车钩中心水平线距钢轨顶面高度为815 mm~890 mm。
4.轮对:
(1) 轮对内侧距离为1 353 mm,允许偏差为±3 mm;
(2) 轮箍或轮毂不松弛;
(3) 轮箍、轮毂、辐板(辐条)、轮辋无裂纹;
(4) 轮缘的垂直磨耗高度不超过18 mm,并无碾堆;
(5) 车轮踏面擦伤深度不超过0.7 mm;
(6) 车轮踏面上的缺陷或剥离长度不超过40 mm,深度不超过1 mm;
(7) 轮缘厚度在距踏面基线向上H距离处测量应符合第11表的规定(轮缘原设计厚度在25 mm 及以下,由铁路局规定);
第11表 机车轮缘厚限度
序号 | 车轮踏面类型 | 测量点与踏面基线 之间距离H(mm) | 轮缘厚限度 (mm) |
1 | ST2 | 10 | 33~23 |
2 | JM1、JM2、JM3 | 10 | 34~23 |
3 | 锥形踏面 | 11.25 | 33~23 |
4 | JM | 12 | 33~23 |
5 | DJND | 12 | 33~24 |
(8)车轮踏面磨耗深度不超过7 mm,采用轮缘高度为 25 mm 的磨耗型踏面时,其磨耗深度不超过10 mm。
5.内燃机车的柴油机及辅助装置、主发电机、牵引电机、传动装置、蓄电池组、与操纵机车有关的电器及电线路。
6.电力机车的受电弓、牵引电机、辅助机组、高压电器、与操纵机车有关的低压电器、蓄电池组和主、辅控制电路。
第132条 机务段对入段机车的列车运行监控记录装置、机车走行部监测装置(轴温报警装置)、弓网检测装置等,应进行检测、维修,并对行车安全设备记录的运行信息进行转储、分析。列车无线调度通信设备、机车信号等须由相关单位进行检测,并及时互通信息。
第133条 列 车运行监控记录装置,其控制模式应按铁道部颁布的规则设置。各机车运用区段控制模式的设定和调整,应由铁路局专业机构实施,并实行集中统一管理。列车运行 监控记录装置的控制、记录及运行记录数据的分析处理软件,必须执行铁道部的规定。工务、电务、供电等单位须及时向铁路局专业机构提供有关的技术资料。
列车运行监控记录装置、超速防护设备等产生的列车运行记录数据是行车安全分析的重要依据,任何单位和人员均不得更改。各机务段对原始记录数据的保存期不得少于1个月。
车 辆 设 备
第134条 为了保证车辆良好的技术状态,应有进行检修和整备作业的车辆修理工厂、车辆段。
第135条 车辆段应设在编组站、国境站和枢纽,以及货车大量集散和始发终到旅客列车较多的地区。
车 辆段应有车辆修理库(简称修车库)、油漆库、车辆停留线和轮对存放库,并有相应的起重、动力、配件检修、储油、试验、化验、照明及废油、污水和污物处理等 设备和设施,及检测、维修红外线轴温探测、轴温报警、客车运行安全等车辆运行安全监测系统和车辆信息化系统的设备和设施。段内的车辆检修、整备、停留的线 路应平直,线路纵断面的坡度不得超过1‰。
第136条 客车技术整备所须有车辆停留线、整备库、临修库、材料配件库,并有相应的检修地沟、落轮坑、起重、动力、风管路、油管路、上水、排水、排烟除尘、暖气预热、车电检修、配件检修、照明、污水处理等设备和设施,根据需要还须有带动力电源的空调检修库、轮对镟修等设备和设施。
车辆技术检查作业场所,须设有值班室、待检室、待班室、材料配件库及站场对讲、广播系统。有货车技术检查作业的车站或枢纽应设站修线。
站修线须有修车库、材料配件库、轮对存放库,并有相应的起重、动力、配件检修、试验、风管路、水管路、电焊回路、照明等设备和设施;根据需要还应有轮对镟修设备。
在干线及繁忙干线上,须设配智能跟踪装置的红外线轴温探测网,轴温探测站的间距一般按30 km设置,铁路局设车辆运行安全中心监测站和行调复示终端,车辆段设车辆运行安全信息复示终端,货车技术作业场所设车辆运行安全中心复示站。
第137条 翻车机、散装货物解冻库应进行定期检修和测试。新设翻车机、散装货物解冻库应符合规定的技术条件方可投入使用。
车 辆
第138条 车辆按用途分为客车、货车及特种用途车(如试验车、发电车、轨道检查车、检衡车、除雪车等)。
第139条 车 辆应有识别的标记:路徽、车型、车号、制造厂名及日期、定期修理的日期及处所、自重、载重、容积、换长等;货车应有车号自动识别标签;客车及固定配属的货 车上应有所属局段的简称;客车还应有车种、定员、最高运行速度标记;罐车还应有标明容量计算表的号码;电气化区段运行的客车、机械冷藏车等应有“电化区段 严禁攀登”的标识。
第140条 车辆实行定期检修,并逐步扩大实施状态修、换件修和主要零部件的专业化集中修。车辆修程,客车和特种用途车按走行公里进行检修,最高运行速度不超过120 km/h的客车分为厂修、段修、辅修;最高运行速度超过120 km/h的客车,修程为A1、A2、A3、A4;货车分为厂修、段修、辅修、轴检。
检修周期及技术标准,按铁道部车辆检修规程执行。
第141条 车辆的检查及修理,应根据修程范围,在车辆修理工厂、车辆段和车辆乘务人员值乘中进行。
机械冷藏车在铁道部指定的加油站及有上水设备的车站进行补油、上水;加冰冷藏车须在保管站集结、保管和维修;固定配属的成组专列油罐列车须定期施行整备维修。
第142条 车辆须装有自动制动机和人力制动机。车辆的制动梁、下拉杆、交叉杆、横向控制杆及抗侧滚扭杆必须有保安装置。
客车应装有轴温报警装置;最高运行速度120 km/h及以上的客车应装有电空制动机、盘形制动装置和防滑器,空气制动系统用风应与空气弹簧等其他装置用风分离;最高运行速度160 km/h及以上的客车应采用密接式车钩,安装客车行车安全监测系统。
客车内应有紧急制动阀及压力表,并均应保持作用良好,按规定时间进行检查、校对并施封。
货车应装有空重车自动调整装置。
第143条 车辆轮对在装配前,应对车轴各部位进行探伤检查。检修时,按规定对轴颈、防尘板座、轮座、制动盘座及轴身进行探伤检查。最高运行速度超过120 km/h客车的轮对装车前,应进行动平衡试验。
第144条 车辆轮对的内侧距离为1 353 mm,其允许偏差为±3 mm;轮辋宽度小于135 mm的,按铁道部车辆检修规程执行。
第145条 对旅客列车和机械冷藏车组应实行包乘制,检修应实行包修制和专修制;对固定装卸地点循环使用的行包列车及整列集装箱车、罐车、矿石车、煤车,标记载重90 t及以上的货车和指定的专用车,实行固定配属制;其他货车实行按区段维修保养负责制。
动 车 组
第146条 动车组按牵引动力方式分为内燃动车组和电力动车组;按动力配置方式分为动力集中式动车组和动力分散式动车组。
第147条 动车组应有识别的标记:路徽、配属局段简称、车型、车号、定员、最高运行速度、制造厂名及日期。电气化区段运行的动车组应有“电化区段严禁攀登”的标识。
第148条 动车组实行以走行公里为主的定期检修,检修周期及技术标准按铁道部检修规程执行。
第149条 动车组应有专门检修、运用基地,根据需要设检修库、临修库、供动车组停放的库线,应有相应设备对转向架、车下设备、车上以及车顶设备进行检查、维修和清洗作业。
动车组日常运用的整备、清洁和排污作业在运用基地完成。
自轮运转特种设备
第150条 自轮运转特种设备是在铁路营业线上运行的轨道车及铁路施工、维修专用车辆(包括轨道起重机、架桥机、铺轨机、接触网架线车、放线车、检修车、大型养路机械等)。
第151条 自轮运转特种设备须符合国家和铁道行业有关标准。重型轨道车等自轮运转特种设备按列车运行时,运行监控记录装置、机车信号、列车无线调度通信设备应作用良好,运行状态下应满足机车车辆限界的规定。
第152条 自轮运转特种设备的设计、制造、审查、验收、试验、运用、检修及过轨技术检查,按铁道部有关规定执行。
第七章 供电、给水设备
牵 引 供 电
第153条 牵引供电设备应有牵引变电所、接触网、远动装置,以及牵引供电变电检测、试验设备,接触网检修、检测设备,绝缘子冲洗设备等。
应具备快速抢修能力和调度系统。牵引供电调度系统应具备对牵引供电设备状况实时远程监控的条件,并纳入调度系统集中统一管理。
第154条 牵引供电设备应保证不间断行车可靠供电。牵引供电能力必须与线路的运输能力相适应,满足规定的列车重量、密度和速度的要求。接触网额定电压值为 25 kV,最高工作电压为27.5 kV,最低工作电压为19 kV。
牵引变电所须具备双电源、双回路受电。牵引变压器采用固定备用方式并具备自动投切功能。当一个牵引变电所停电时,相邻的牵引变电所能越区供电。平均功率因数不低于0.9。
接触网的分段、分相的位置应考虑检修停电方便和缩小故障停电范围,并充分考虑电力机车牵引的列车(电力动车组)正常运行和调车作业的需要。双线电气化区段应具备反方向行车条件。
确需由车站接触网引接小容量非牵引负荷时,须经铁路局批准。
枢纽及较大区段站应设开闭所。枢纽及较大区段站的负荷开关和电动隔离开关应纳入远动控制。
第155条 接触网一般采用链型悬挂方式,其最小张力见第12表。接触线一般采用铜或铜合金线。
第12表 接触网最小张力
列车运行速度(km/h) | 综合张力(kN) | 接触线张力(kN) |
v≤120 | 25 | 10 |
120<v≤160 | 28 | 13 |
160<v≤200 | 30 | 15 |
接触线距钢轨顶面的高度不超过6 500 mm;在区间和中间站,不小于5 700 mm(旧线改造不小于5 330 mm);在编组站、区段站和个别较大的中间站站场,不小于6 200 mm;站场和区间宜取一致;双层集装箱运输的线路,不小于6 330 mm。
在电气化铁路施工时,由施工单位在接触网支柱内缘或隧道边墙标出接触网设计的轨面标准线,开通前供电段、工务段要共同复查确认,以后每年复测一次,复测结果与原轨面标准线误差不得大于±30 mm。
第156条 接触网带电部分至固定接地物的距离,不小于300 mm;至机车车辆或装载货物的距离,不小于 350 mm。跨越电气化铁路的各种建筑物与带电部分最小距离,不小于500 mm。当海拔超过1 000 m时,上述数值应按规定相应增加。
在接触网支柱及距接触网带电部分5 000 mm范围内的金属结构物须接地。天桥及跨线桥跨越接触网的地方,应按规定设置安全栅网。
有大型养路机械作业的线路,接触网支柱内侧距线路中心距离不小于3 100 mm。
第157条 架空电线路跨越接触网时,与接触网的垂直距离:10 kV以上至110 kV电线路,不小于3 000 mm;220 kV电线路,不小于4 000 mm;330 kV电线路,不小于5 000 mm;500 kV电线路,不小于6 000 mm。
为避免低压线路跨越高压线路,便于设备维修管理,10 kV及以下的电线路(包括通信线路、广播电视线路等)不得跨越接触网,应由地下穿过铁路。接触网支柱不允许附挂通信、有线电视等非供电线路设施。
第158条 为保证人身安全,除专业人员执行有关规定外,其他人员(包括所携带的物件)与牵引供电设备带电部分的距离,不得小于2 000 mm。
在设有接触网的线路上,严禁攀登车顶及在车辆装载的货物之上作业;如确需作业时,须在指定的线路上,将接触网停电接地后,方准进行。
双线电气化铁路实行V形天窗作业时,为确保人身安全,应在设备、机具、照明、作业组织等方面采取相应措施。
电力、给水
第159条 供电设备应具备:线路由两端变、配电所供电的互供条件,变、配电所跨所供电的条件,电气试验设备,快速抢修能力。
10 kV及以上电力线路不允许附挂通信、有线电视等非供电线路设施。
铁路各车站及设有人员看守的道口都应有可靠的电力供应,沿线车站原则上通过电力贯通线供电。外部电源不能满足要求时,铁路应自备发电所或发电机组。自动闭塞信号应由单独架设的自闭电线路供电。
电力工程竣工必须进行交接试验,试验合格后方能投入运行。
第160条 铁路供电设备应满足下列要求:
1.一级负荷应有两个独立电源,保证不间断供电;二级负荷应有可靠的专用电源。
2.受电电压根据用电容量、可靠性和输电距离,可采用110 kV、35(63)kV、10 kV或380 V/220 V。
3.用户受电端供电电压允许偏差:
(1)35 kV及以上高压供电线路,电压正负偏差的绝对值之和不超过额定值的10%;
(2)10 kV及以下三相供电线路为额定值的±7%;
(3)220 V单相供电的,为额定值的+7%~-10%;
(4)自动闭塞信号变压器二次端子,为额定值的±10%。
在电力系统非正常情况下,用户受电端的电压值允许偏差为额定值的±10%。
第161条 电力线路跨越非电气化铁路时,其导线最大弛度的最低点至钢轨顶面的距离:
1. 500 kV线路,不小于14 000 mm;
2. 330 kV线路,不小于9 500 mm;
3. 220 kV线路,不小于8 500 mm;
4. 110 kV及以下线路,不小于7 500 mm。
电力线路的电杆内缘至线路中心的水平距离:
1. 380 V及以下低压线路,不小于3 100 mm;
2. 10 kV高压线路,不小于3 100 mm;
3. 35 kV及以上的高压线路,不小于杆高加3 100 mm。
电力线路导线至钢轨顶面的垂直距离,应根据规划考虑发展电气化的需要。
第162条 给水设备及建筑物,应包括水源、扬水、净水、消毒、配水、管网、水源卫生防护、水源安全保护、节水等设备。为保证供水质量,应按需要配备制水在线连续监控、水质检验和管网检漏等设备。
给水设备的能力及水源,在任何季节应保证列车密度最大时的车辆供水和车站及其他重要用水。客车上水设备应能满足在列车站停时间内、客车最大交会时同时上满水的需要。
扬水管路一般设置一条,管网布置一般为枝状。铁路枢纽、旅客列车给水站,扬水管路一般设置两条,配水管环状布设。
给水管道应尽量避免穿越铁路线路,必须穿越时,应设防护涵洞。
第163条 旅客列车及生产生活用水,须进行净化消毒处理;固定动力锅炉用水应进行炉外或炉内软水处理。各给水站根据需要,进行必要的水质检测。水质须达到国家和铁道部规定的标准。
八章 房屋建筑设备
第164条 铁路生产办公用房、站场建筑物是保证铁路运输生产及客货营销的重要基础设施,须满足运输生产、调度指挥及客货营销的需要。应保持与运输生产有关的房屋、各项建筑物的完好和使用安全,发生自然灾害时,及时组织抢修,迅速恢复使用。
第165条 铁路局应组织定期检查管内房屋建筑物的质量和使用安全情况,根据质量状态有计划、按周期地进行维修(包括检修和计划维修)、大修。
第166条 铁路房屋建筑物按技术质量状态分为三级。
一级房屋:结构良好、无各种病害;
二级房屋:无倒塌危险,无严重漏雨,无严重腐蚀变形,虽有其他破损、病害,但不影响安全使用;
三级房屋:有倒塌危险、严重漏雨、严重腐蚀变形之一者,其他破损或病害达到影响正常使用。
对有倒塌危险的三级房屋,须停止使用并限期进行整治。对质量不良、条件差的房屋,要全面规划,逐年进行大修和改造。
第九章 铁 路 用 地
第167条 铁路用地是铁路运输生产的重要基础,必须满足铁路运输生产及行车安全需要。铁路用地分为运输生产用地、辅助生产用地、生活设施用地和其他用地。铁路用地实行集中统一管理,并建立分层负责制度。
第168条 铁路局要依据铁路发展规划,组织编制铁路用地利用规划。应建立铁路用地管理台账,定期进行使用状况调查和地籍测量,每年根据使用变化状况对铁路用地进行图件修、补测,对地籍资料进行修改、补充,并进行铁路用地管理台账核对。
第169条 铁路单位须按土地利用规划和批准的用途合理使用铁路用地。任何单位和个人不得非法占用或擅自改作他用。因特殊情况需要占用或改变用途时,按管理权限经铁道部或铁路局批准,并办理相关手续。
第170条 铁路用地管理机构依法对铁路用地状况实施监督、检查,发现侵害铁路用地的现象,要采取措施综合治理,对危及行车安全的用地行为必须及时制止并处理。
第171条 铁路用地管理机构应在铁路地界线上和地界拐点处埋设铁路地界标桩,铁路建设工程项目的地界标桩由建设单位负责埋设。铁路地界标桩制作和埋设应符合铁道部有关标准规定。
第二编 行 车 组 织
第十章 基 本 要 求
行车组织原则
第172条 全国铁路行车组织工作,应根据本规程规定办理。
各铁路局应根据本规程规定的原则,结合管内具体条件,制定《行车组织规则》。
第173条 铁路行车组织工作,必须贯彻安全生产的方针,坚持高度集中、统一领导的原则,发扬协作精神,运输、机务、车辆、工务、电务、供电、信息等部门要主动配合,紧密联系,协同动作,组织均衡生产,不断提高效率,挖掘运输潜力,完成和超额完成铁路运输任务。
第174条 列车编组计划是全路的车流组织计划。列车中车组的编挂,须根据铁道部和铁路局的列车编组计划进行。
列车编组计划的编制,应在加强货流组织的基础上,最大限度地组织成组、直达运输,合理分配各编组站、区段站的中转工作,减少列车改编次数。
第175条 列车运行图是铁路行车组织工作的基础。所有与列车运行有关的铁路各部门,必须按列车运行图的要求,组织本部门的工作,以保证列车按运行图运行。
列车运行图应根据客货运量和区段通过能力确定列车对数,并符合下列要求:
1. 列车运行的安全;
2. 迅速、便利地运输旅客和货物;
3. 充分利用通过能力,经济合理地运用机车车辆和安排施工、维修天窗;
4. 做好列车运行线与车流的结合;
5. 各站、各区段间的协调和均衡;
6. 合理安排乘务人员作息时间。
机车周转图是机车运用工作的计划,应与列车运行图同时编制。
第176条 运 输方案是保证完成月、旬运输工作的综合部署。铁路局、站段,应根据实际情况,按照月度货物运输计划、技术计划的要求和列车编组计划、列车运行图、机车周转 图的规定,按级编制货运工作、列车工作、机车工作和施工等方案。各级运输部门,均应主动与路内外有关单位密切配合,共同编制和执行运输方案。
第177条 行车工作必须坚持集中领导、统一指挥、逐级负责的原则。
局与局间由铁道部,局管内各区段间由铁路局,一个调度区段内由本区段列车调度员统一指挥。
车站由车站值班员,线路所由线路所值班员统一指挥。凡划分车场的车站,车场间接发列车进路互有关联的行车事项,由指定的车站值班员统一指挥。
列车和单机由司机负责指挥,有运转车长的列车由运转车长负责指挥。列车或单机在车站时,所有乘务人员应按车站值班员的指挥进行工作。
在调度集中区段,有关行车工作由该区段列车调度员直接指挥,但转为车站控制时,由车站值班员指挥。
第178条 全国铁路的行车时刻,均以北京时间为标准,从零时起计算,实行24小时制。
铁路行车房舍内和办理行车工作的有关人员均应备有钟表。钟表的时刻应与铁路局调度所的时钟校对。各级调度的时钟及用于运输生产管理信息系统的计算机主机时钟须定期校准。
钟表的配置、校对、检查、修理及时钟校准办法,由铁路局规定。
第179条 列车运行,原则上以开往北京方向为上行。
全国各线的列车运行方向,以铁道部的规定为准,但枢纽地区的列车运行方向,由铁路局规定。
列车须按有关规定编定车次。上行列车编为双数,下行列车编为单数。在个别区间,使用直通车次时,可与规定方向不符。
行 车 指 挥
第180条 有关行车人员必须执行列车调度员命令,服从调度指挥。
列车调度员应负责组织实现列车运行图、编组计划、运输方案。为此必须:
1. 检查各站执行列车运行图和编组计划的情况,及时发布有关行车命令和口头指示;
2. 严格按列车运行图指挥行车,遇列车发生晚点时,应积极采取措施,组织有关人员恢复正点;
3. 注意列车在车站到发及区间内的运行情况,正确、及时地处理临时发生的问题,防止列车运行事故。
第181条 指挥列车运行的命令和口头指示,只能由列车调度员发布。列车调度员在发布命令之前,应详细了解现场情况,并听取有关人员意见。
遇第13表所列情况,须发布调度命令。
第13表 行车调度命令项目表
顺序 | 命 令 项 目 | 受令者 | ||
司机 | 运转 车长 | 车站 值班员 | ||
1 | 封锁、开通区间 |
|
| ○ |
2 | 向封锁区间开行救援列车、路用列车 | ○ |
| ○ |
3 | 临时变更或恢复原行车闭塞法 | ○ | ○ | ○ |
4 | 双线反方向行车及由双线改为单线或恢复双线行车 | ○ | ○ | ○ |
5 | 变更列车径路 | ○ | ○ | ○ |
6 | 列车在区间内停车或返回 | ○ | ○ | ○ |
7 | 去区间内岔线的列车 | ○ | ○ | ○ |
8 | 临时由区间内返回后部补机的列车 | ○ | ○ | ○ |
9 | 发生行车设备故障、灾害或封锁施工后,以及列车中挂有限速的机车、车辆等,需要使列车临时减速运行、一停再开或特别注意运行 | ○ | ○ | ○ |
10 | 半自动闭塞区间使用故障按钮、自动闭塞区间使用总辅助按钮 |
|
| ○ |
11 | 超长、欠轴列车或列车挂有装载超限货物的车辆 | ○ |
| ○ |
12 | 旅客列车加挂货车 | ○ | ○ | ○ |
13 | 单机附挂车辆 | ○ |
| ○ |
14 | 半自动闭塞区间,超长列车头部越过出站信号机(未压上出站方面的轨道电路)发车 | ○ |
| ○ |
15 | 在非到发线上接发列车 | ○ |
| ○ |
16 | 临时加开或停运列车 | ○ | ○ | ○ |
17 | 货物列车违反列车编组计划 |
|
| ○ |
续上表
顺序 | 命 令 项 目 | 受令者 | ||
司机 | 运转 车长 | 车站 值班员 | ||
18 | 双线区间在区间内进行跨线装卸作业时,对开入其邻线的列车 | ○ | ○ | ○ |
19 | 双线区间在区间内有除雪机、起重机工作时,对开入其邻线的列车 | ○ | ○ | ○ |
20 | 双线区间在区间内发生特别重大、重大、大事故,对开入其邻线的列车 | ○ | ○ | ○ |
21 | 临时利用本务机车调车作业 | ○ |
| ○ |
22 | 利用天窗施工、维修 |
|
| ○ |
23 | 利用施工特定行车办法行车 | ○ |
| ○ |
24 | 较规定时间提前或延迟施工 | ○ | ○ | ○ |
25 | 电气化区段正线、到发线接触网停电或送电 | ○ | ○ | ○ |
26 | 列车调度员认为有必要记录的上述以外的命令 | 有关人员 | ||
注:划○者为受令人员
上述调度命令,如涉及其他单位和人员时,应同时发给。
列车调度员向司机、运转车长发布调度命令时,应发给有关站段(所、室),由受令站段(所、室)负责转达。当乘务人员已出乘时,应发给列车始发站或进入关系区间前的停车站由其交付,如来不及而必须在进入关系区间前交付时,通过列车应停车交付。
对跨局的列车,接车铁路局列车调度员可委托发车铁路局列车调度员发布调度命令。更换机车或变更限速条件时,应由有关铁路局列车调度员重新发给机车所担当全区段的调度命令。途中乘务人员换班时,应将调度命令内容交接清楚。
发收调度命令时,应填记《调度命令登记簿》(附件7), 指定受令人员中一人复诵,并记明发收人员姓名及时刻。使用计算机、传真机、无线传送系统发布调度命令时,命令接受人员确认无误后应及时反馈回执。在具备良 好转接设备和通信记录装置的条件下,可根据铁道部有关规定,使用列车无线调度通信设备向司机、运转车长发布、转达调度命令或口头指示。
第182条 列车按运输性质的分类和运行等级顺序如下:
1.按运输性质分类
(1) 旅客列车(特快、快速、普通旅客列车);
(2) 行邮行包列车(特快、快速行邮列车,行包列车);
(3) 军用列车;
(4) 货物列车(五定班列、快运、重载、直达、直通、冷藏、自备车、区段、摘挂、超限及小运转列车);
(5) 路用列车。
2. 列车运行等级顺序
(1) 特快旅客列车;
(2) 特快行邮列车;
(3) 快速旅客列车;
(4) 普通旅客列车;
(5) 快速行邮列车;
(6) 行包列车;
(7) 军用列车;
(8) 货物列车;
(9) 路用列车。
开往事故现场救援、抢修、抢救的列车,应优先办理。
特殊指定的列车的等级,应在指定时确定。
第183条 在双线区间,列车应按左侧单方向运行,仅限于整理列车运行时,方可使列车反方向运行,但旅客列车仅在正方向区间的线路封锁施工、发生自然灾害或因事故中断行车等特殊情况下,经铁路局调度所值班主任准许,方可反方向运行。
车站技术管理
第184条 车站应设有配线,并办理列车接发、会让和客货运业务。车站按技术作业分为编组站、区段站、中间站,按业务性质分为客运站、货运站、客货运站。
编组站、区段站和较大的中间站,可根据线路的配置状况及用途划分车场。
第185条 车站技术管理和作业组织应在《站细》中规定。
《站细》由车站站长会同有关单位,根据本规程和有关规定,结合具体情况进行编制和修订。
《站 细》的主要内容应有车站技术设备的使用、管理,接发列车、调车以及与行车有关的客运、货运、军事运输工作的组织,列车的技术作业程序和时间标准,作业计划 的编制、执行制度,车站信息系统的管理制度,车站通过、改编能力,并应附注有坡度的车站线路平面图、进站信号机外制动距离内平纵断面图、联锁图表及电气化 区段接触网高度和分相分段绝缘器位置等技术资料。
机务、车辆、工务、电务、供电、信息、房建等单位须及时向车站(车务段)提供有关的技术资料。
车站应将《站细》有关内容摘录分发给有关处所和单位。凡在车站参加作业的站、段、所等有关人员,均须熟悉和执行《站细》的有关规定。
第186条 站内线路的道岔及车站与其他单位所管线路相衔接的道岔(包括防护道岔),由车站负责管理。
人工扳动的道岔或道岔组,应由值班扳道员一人负责管理。个别道岔无专人负责者,由指定的人员兼管。根据需要,可将数个道岔组组成道岔区,设扳道长领导道岔区的工作。
集中操纵的道岔,应由车站(车场)值班员负责,未设值班员的由信号长(员)负责。驼峰集中操纵的道岔,应由驼峰值班员负责。
道岔组、道岔区、兼管道岔的范围划分,清扫道岔的分工,道岔加锁的钥匙、电动转辙机手摇把管理办法,均应在《站细》内规定。电动转辙机手摇把,要实行统一编号,集中管理,建立登记签认制度。
第187条 道岔除使用、清扫、检查或修理时外,均须保持定位。
道岔的定位规定如下:
1. 单线车站正线进站道岔,为由车站两端向不同线路开通的位置;
2. 双线车站正线进站道岔,为各该正线开通的位置;
3. 区间内正线道岔及站内正线上其他道岔(引向安全线、避难线的除外),为正线开通的位置;
4. 引向安全线、避难线的道岔,为安全线、避难线开通的位置;
5. 其他由车站负责管理的道岔,由车站规定。
道岔的定位,应在《站细》内记明。
集中操纵的道岔(引向安全线、避难线的除外),可不保持定位。
段管线道岔的定位,由各段自行规定。
第188条 站内的道岔及股道,应由工务部门会同电务部门、车站共同统一顺序编号。
道岔编号,从列车到达方向起顺序编号,上行为双号,下行为单号;尽头线上,向线路终点方向顺序编号。车站划分车场时,每个车场的道岔单独编号。一个车站不准有相同的编号。
股道编号,单线区段内的车站,从靠近站舍的线路起,向远离站舍方向顺序编号;双线区段内的车站,从正线起顺序编号,上行为双号,下行为单号;尽头式车站,向终点方向由左侧开始顺序编号,如站舍位于线路一侧时,从靠近站舍的线路起,向远离站舍方向顺序编号。
第十一章 编 组 列 车
一 般 要 求
第189条 列车应按本规程、列车编组计划和列车运行图规定的编挂条件、车组、重量或长度编组。
列车重量应根据机车牵引力、区段内线路状况及其设备条件确定。编组超重列车时,编组站、区段站应商得机务段调度员同意,在中间站应得到司机的同意,并均须经列车调度员准许。
列车长度应根据运行区段内各站到发线的有效长,并须预留30 m的附加制动距离确定。超长列车运行办法,由铁路局规定。
旅 客列车按旅客列车编组表编组,机车后第一位编挂一辆未搭乘旅客的车辆作为隔离车,列车最后一辆的后端应有压力表、紧急制动阀和运转车长乘务室。行李车、邮 政车、发电车等非乘坐旅客的车辆应分别挂于机车后第一位和列车尾部,起隔离作用;在装设集中联锁的区段,并设有列车运行监控记录装置或列车超速防护系统 时,旅客列车可不挂隔离车。如隔离车在途中发生故障摘下时,可无隔离车继续运行。局管内旅客列车经铁路局长批准,可不隔离。
军用列车的编组,按有关规定办理。
机械冷藏车组应尽量挂于货物列车中部或后部。
第190条 下列机车车辆禁止编入列车:
1. 插有扣修、倒装色票的及车体倾斜超过规定限度的;
2. 曾经发生冲突、脱轨或曾编入发生特别重大、重大、大事故列车内以及在自然灾害中损坏,未经检查确认可以运行的;
3. 装载货物超出机车车辆限界,无挂运命令的;
4. 装载跨装货物(跨及两平车的汽车除外)的平车,无跨装特殊装置的;
5. 平车、砂石车及敞车装载货物违反装载和加固技术条件的;
6. 未关闭侧开门、底开门的,底开门的扣铁未全部扣上的,以及平车未关闭端、侧板的(有特殊规定者除外);
7. 由于装载的货物需停止自动制动机的作用,而未停止的;
8. 厂矿企业自备机车、车辆、自轮运转特种设备过轨时,未经铁路机车车辆人员检查确认的;
9. 缺少车门的(检修回送车除外)。
列车中车辆的编挂
第191条 装载危险、易燃等货物的车辆编入列车的隔离限制,执行铁道部危险货物运输规章规定。编挂超限货物车辆或特种车辆时,按铁道部货物运输规章规定或临时指示办理。
第192条 特快旅客列车不准编挂货车,编入的客车车辆最高运行速度等级必须符合该列车规定的速度要求。其他旅客列车原则上不准编挂货车,在特殊情况下,局管内旅客列车经铁路局准许,跨局的旅客列车经铁道部准许,方可在列车后部加挂,但不得超过2辆。加挂货车的技术状态和最高运行速度,须符合该列车规定速度要求。
旅客列车中乘坐旅客的车辆,与机车、货车相连接的客车端门及编挂在列车尾部的客车后端门须加锁。
第193条 下列车辆禁止编入旅客列车:
1. 超过定期检修期限的车辆(经车辆部门鉴定送厂、段施修的客车除外);
2. 装载危险、恶臭货物的车辆。
列尾装置的摘挂及运用
第194条 货物列车尾部须挂列尾装置。小运转列车是否挂列尾装置,由铁路局根据列车运行距离长短等条件确定。
第195条 列尾装置尾部主机的安装与摘解,由车务人员负责。软管连结,有列检作业的列车,由列检人员负责;无列检作业的列车,由车务人员负责。特殊情况,由铁路局规定。
第196条 列尾装置在使用前,必须按规定进行检测,合格后方可投入运用。
列车中机车的编挂
第197条 工作机车应挂于列车头部,正向运行(牵引小运转、路用、救援列车的机车除外);无转向设备的,可逆向运行。
双机或多机牵引时,本务机车的职务由第一位机车担当。
补机原则上应挂于本务机车的前位或次位,在特殊区段或需途中返回时,经铁路局批准,可挂于列车后部,如后部补机不接软管时,由铁路局规定保证安全办法。
第198条 铁路局所属的机车跨牵引区段回送时,原则上应有动力附挂货物列车(电力机车经非电气化区段回送时除外)。在所担当的区段外单机运行时,应派线路指导人员添乘。杂小型及状态不良的,可随货物列车无动力回送。
旅客列车遇特殊情况须附挂跨铁路局的回送机车时,按铁道部命令办理。
回送机车,应挂于本务机车次位。20‰及以上坡道的区段,禁止办理机车专列回送。
回送轨道起重机,一律挂于列车中部或后部。轨道起重机的回送限制速度见第14表,第14表以外的按设计文件要求速度回送。
第14表 轨道起重机回送限制速度表
型 号 | 名 称 | 回送速度 (km/h) |
NS1601/NS1601GT | 160t伸缩臂式内燃轨道起重机及吊臂平车 | 120 |
NS1602/NS1602GT | 160t伸缩臂式内燃轨道起重机及吊臂平车 | 120 |
N1601/NS1601G | 160t伸缩臂式内燃轨道起重机及吊臂平车 | 85 |
N1602/NS1602G | 160t内燃轨道起重机及吊臂平车 | 85 |
NS1251/NS1252 | 125t伸缩臂式内燃轨道起重机及吊臂平车 | 120 |
NS1001/NS100G | 100t伸缩臂式内燃轨道起重机及吊臂平车 | 80 |
N1002/N1002A | 100t固定臂式内燃轨道起重机及吊臂平车 | 80 |
NS100GT | 100t伸缩臂式内燃轨道起重机及吊臂平车 | 120 |
NS0631/NS0632 | 63t伸缩臂式内燃轨道起重机及吊臂平车 | 80 |
N0601/ N0602 | 60t内燃轨道起重机 | 80 |
第199条 单机挂车的辆数,线路坡度不超过12‰的区段,以10辆为限;超过12‰的区段,由铁路局规定。
单机挂车时,应遵守下列规定:
1. 所挂车辆的自动制动机作用必须良好,发车前列检(无列检时由车站发车人员)按规定进行制动试验;
2. 连挂前由车站彻底检查货物装载状态,并将编组顺序表和货运单据交与司机;
3. 在区间被迫停车后的防护工作由机车乘务组负责,开车前应确认附挂辆数和通风状态是否良好;
4. 列车调度员应严格掌握,不得影响机车固定交路和乘务员劳动时间;
5. 不准挂装载爆炸品、超限货物的车辆。
单机挂车时,可不挂列尾装置。
机车车辆重量及长度
第200条 机车、车辆、轨道起重机编入列车时,重量及长度按第15、16、17表确定。
第15表 机车重量及长度表
种 类 | 机 型 | 自重 (t) | 换算 长度 | 备 注 |
电
力 | SS1 | 138 | 1.9 |
|
SS3B | 276 | 4.0 | 按双节计算 | |
SS4 | 184 | 3.0 | 按双节计算 | |
SS3、SS6、SS6B、SS7、SS7B、6K | 138 | 2.0 |
| |
SS7C | 132 | 2.0 |
| |
SS7D、SS7E、SS9 | 126 | 2.0 |
| |
SS8 | 87/89 | 1.6 | 无列车供电/ 有列车供电 | |
8G、DJ1 | 184 | 3.2 | 按双节计算 | |
8K | 184 | 3.4 | 按双节计算 | |
内
燃 | DF4、DF4B、DF4C、DF4D | 127 | 1.9 |
|
DF5、DF7、DF7B、DF7C | 130 | 1.7 |
| |
DF7D | 132 | 1.7 | 山区型自重127t,双司机室机车换长1.8 | |
DF7E | 145 | 1.8 |
| |
DF7G | 132 | 1.8 |
| |
DF8 | 130 | 2.0 |
| |
DF8B | 131 | 2.0 | 25t轴重,自重139t | |
DF11 | 133 | 1.9 |
| |
DF11G | 133 | 2.0 |
| |
DFH2 | 58 | 1.2 |
| |
DFH3 | 84 | 1.7 |
| |
DFH5 | 81 | 1.4 |
|
续上表
种 类 | 机 型 | 自重 (t) | 换算 长度 | 备 注 |
内
燃 | BJ | 84 | 1.5 |
|
ND2 | 114 | 1.6 |
| |
ND3 | 122 | 1.7 |
| |
ND5 | 126 | 1.8 |
| |
NY6、NY7 | 124 | 2.1 |
|
第16表 车辆重量及长度表
1. 客 车 | ||
客 车 种 类 | 平均每辆 总重量(t) | 平均每辆 换算长度 |
各种客车 | 按车体外部 标记计算 | 按车体外部 标记计算 |
2.货 车 | ||
货 车 种 类 | 平均每辆自重(t) | 平均每辆 换算长度 |
标记载重50t四轴棚车 | 21.0 | 1.3 |
标记载重60t四轴棚车 | 23.0 | 1.5 |
标记载重60t四轴棚车(P62、P63) | 24.0 | 1.5 |
标记载重58t四轴棚车(P64) | 25.4 | 1.5 |
标记载重70t四轴棚车 | 23.8 | 1.6 |
四轴棚车(P65) | 26.0 | 1.5 |
标记载重50t四轴敞车 | 20.0 | 1.3 |
续上表
货 车 种 类 | 平均每辆自重(t) | 平均每辆 换算长度 |
标记载重60t四轴敞车(C60、C62、C62M、CF) | 21.0 | 1.2 |
标记载重60t四轴敞车(C65) | 21.0 | 1.3 |
标记载重60t四轴敞车(C62A、C62B) | 22.0 | 1.2 |
标记载重61t四轴敞车(C63) | 22.5 | 1.1 |
标记载重60t四轴敞车(C61) | 23.0 | 1.1 |
标记载重70t四轴敞车 | 23.6 | 1.3 |
标记载重80t四轴敞车 | 20.0 | 1.1 |
标记载重50t四轴集装箱平车(X6A) | 18.2 | 1.3 |
标记载重50t四轴平车 | 18.0 | 1.2 |
标记载重60t四轴平车 | 20.0 | 1.3 |
标记载重70t四轴平车 | 23.8 | 1.5 |
四轴平车(N15) | 17.0 | 0.9 |
标记载重60t四轴罐车(G70) | 19.8 | 1.1 |
标记载重50t及以上四轴罐车 | 23.0 | 1.1 |
标记载重50t四轴罐车(G14) | 26.0 | 1.1 |
标记载重70t四轴罐车 | 23.8 | 1.1 |
标记载重50t四轴毒品车 | 26.0 | 1.5 |
续上表
货 车 种 类 | 平均每辆自重(t) | 平均每辆 换算长度 |
风动石碴车(K13) | 23.0 | 1.1 |
散装粮食车(L17) | 23.5 | 1.3 |
散装水泥车(U15) | 19.0 | 1.1 |
散装水泥车(U60) | 25.5 | 1.2 |
家畜车(J1) | 16.0 | 1.0 |
家畜车(J2) | 21.5 | 1.3 |
家畜车(J3) | 19.0 | 1.0 |
家畜车(J4) | 23.0 | 1.3 |
加冰冷藏车(B11) | 34.0 | 1.3 |
加冰冷藏车(B6、B8) | 34.0 | 1.6 |
注:1.旅客列车重量按客车总重(包括旅客及行李的重量)计算,回送空客车按自重计算;
2.列车中其他各型货车的自重及换算长度和货物的重量按铁道部《铁路货车统计规则》规定计算;
3.机车、车辆长度的计算,以前后两钩舌内侧面距离按 11 m 为换算单位(1辆),各型机车、车辆按上述换算单位得出的比值,称为换算长度。
第17表 轨道起重机重量及长度表
型 号 | 名 称 | 自重 (t) | 换算 长度 |
NS1601 | 160t伸缩臂式内燃轨道起重机 | 184 | 1.1 |
吊臂平车 | 38 | 1.9 | |
NS1602 | 160t伸缩臂式内燃轨道起重机 | 184 | 1.1 |
吊臂平车 | 52 | 1.8 |
续上表
型 号 | 名 称 | 自重 (t) | 换算 长度 |
N1601 | 160t固定臂式内燃轨道起重机 | 187 | 1.1 |
吊臂平车 | 33.5 | 1.9 | |
N1602 | 160t固定臂式内燃轨道起重机 | 176 | 1.1 |
吊臂平车 | 52 | 2.2 | |
NS1601G/ NS1601GT | 160t伸缩臂式内燃轨道起重机 | 180 | 1.1 |
吊臂平车 | 38 | 1.9 | |
NS1602G/ NS1602GT | 160t伸缩臂式内燃轨道起重机 | 184 | 1.1 |
吊臂平车 | 52 | 2.2 | |
NS1251 | 125t伸缩臂式内燃轨道起重机 | 137 | 1.0 |
吊臂平车 | 37 | 1.9 | |
NS1252 | 125t伸缩臂式内燃轨道起重机 | 135 | 1.1 |
吊臂平车 | 41 | 1.6 | |
NS1001 | 100t伸缩臂式内燃轨道起重机 | 138 | 1.0 |
吊臂平车 | 32 | 1.8 | |
N1002/ N1002A | 100t固定臂式内燃轨道起重机 | 130 | 1.0 |
吊臂平车 | 31.4 | 1.8 | |
NS100G | 100t伸缩臂式内燃轨道起重机 | 138 | 1.0 |
吊臂平车 | 32 | 1.8 | |
NS100GT | 100t伸缩臂式内燃轨道起重机 | 138 | 1.0 |
吊臂平车 | 38 | 1.8 | |
NS0631/ NS0632 | 63t内燃轨道起重机 | 93 | 1.1 |
吊臂平车 | 36 | 1.6 | |
N0601/ N0602 | 60t内燃轨道起重机 | 80 | 1.0 |
列车制动限速及其编组要求
第201条 列车的换算闸瓦压力,按第18、19表规定计算。
第18表 机车计算重量及每台换算闸瓦压力表
种类 | 机 型 | 计算重量 (t) | 换算闸瓦 压力(kN) |
电力 | SS1、SS3、SS6 | 138 | 700 |
SS3B、SS6B | 138 | 680 | |
SS4 | 184 | 900 | |
SS7 | 138 | 840 | |
SS7E、SS9 | 126 | 770 | |
SS8 | 88 | 450 | |
DJ1 | 184 | 1120 | |
6K | 138 | 780 | |
8G、8K | 184 | 880 | |
内燃 | DF | 124 | 550 |
DF2 | 110 | 500 | |
DF4、DF5、DF7、DF8、DF11 | 138 | 650 | |
DF7B、DF7C、DF7D | 138 | 580 | |
DF8B | 150 | 720 | |
DFH2 | 60 | 400 | |
DFH3 | 85 | 550 | |
DFH5 | 84 | 500 | |
BJ | 90 | 560 |
续上表
种类 | 机 型 | 计算重量 (t) | 换算闸瓦 压力(kN) |
内燃 | ND2 | 118 | 560 |
ND3 | 126 | 640 | |
ND5 | 135 | 960 | |
NY6、NY7 | 134 | 500 |
注:按铸铁闸瓦换算闸瓦压力。
第19表 车辆换算闸瓦压力表
种 类 | 车 型 | 每辆换算闸瓦压力(kN) | |||||
自动制动机列车 主管压力(kPa) | 人力 制动 机 | ||||||
500 | 600 |
| |||||
客
车 | 普通客车(踏面制动,120km/h) |
| 350 | 80 | |||
新型客车(盘形制动,160 km/h) | 单层 |
| 480(200) | 80 | |||
双层 |
| 550(220) | 80 | ||||
动车组 | 内燃动车组(18t轴重) |
| 600(240) | 80 | |||
电力动车组(16t轴重) |
| 550(220) | 80 | ||||
行邮行包列车 | 行邮 列车 | 普通(踏面制动,120 km/h) |
| 350 | 80 | ||
特快(盘形制动,160 km/h) |
| 480(200) | 80 | ||||
行包列车(18t轴重) | 重车位 |
| 350(210) | 40 | |||
空车位 |
| 140(80) | 40 | ||||
|
|
|
|
|
|
|
|
续上表
种 类 | 车 型 | 每辆换算闸瓦压力(kN) | |||
自动制动机列车 主管压力(kPa) | 人力 制动 机 | ||||
500 | 600 |
| |||
货 车 | 普通货车(21t轴重) | 重车位 | 300(180) | 340(200) | 40 |
空车位 | 120(70) | 140(80) | 40 | ||
普通货车(23t轴重) | 重车位 | 330(200) | 370(220) | 40 | |
空车位 | 130(80) | 150(90) | 40 | ||
重载货车(25t轴重) | 重车位 | 360(220) | 410(250) | 50 | |
空车位 | 150(90) | 170(100) | 50 | ||
注:1.按铸铁闸瓦换算闸瓦压力,括号内为合成闸瓦(片)换算闸瓦压力。
2.空重车自动调整装置的空重位压力比为1∶2.5;对装有空重车手动调整装置的车辆,当车辆总重(自重+载重)达到40 t时,按重车位调整。
3.旅客列车、行邮行包列车自动制动机主管压力为600 kPa;其他列车为500 kPa。长大下坡道区段及重载列车自动制动机主管压力由铁路局规定,报铁道部批准。
列车制动限速受每百吨列车重量换算闸瓦压力及下坡道坡度限制。计算制动距离800 m的货物列车按第20表规定;普通旅客列车及快速行邮列车按第21表规定;其他列车须满足第22表规定的换算闸瓦压力最小值,列车下坡道制动限速随下坡道千分数的增加而递减,坡道每增加1‰,限速减少1 km/h。


第21表 旅客列车制动限速表(km/h)
(计算制动距离800 m,高磷铸铁闸瓦)

续上表

注:1.每百吨列车重量的换算闸瓦压力不得低于660 kN(115 km/h);否则,应进行甩挂,特殊原因不能甩挂时,须经铁路局(跨局列车须经铁道部)调度批准,限速运行。
2.对于超过20‰的下坡道,列车制动限速由铁路局根据实际试验以命令规定。
3.i为下坡度千分数(‰);P为每百吨列车重量的换算闸瓦压力,单位kN;v为旅客列车制动限速,单位 km/h。
4.本表每百吨列车重量的换算闸瓦压力计算包括机车。
5.本表适用于快速行邮列车。
第22表 其他列车换算闸瓦压力最小值
(每百吨列车重量,平直道)
制动方式 | 车 型 | 换算高摩合成 闸瓦压力(kN) | 换算合成 闸片压力(kN) |
踏面制动 | 行包列车 | 250 |
|
快运货物列车 | 200 |
| |
盘形制动 | 特快、快速旅客列车,特快行邮列车 |
| 320 |
第202条 列车中的机车和车辆的自动制动机,均应加入全列车的制动系统。
货物列车中因装载的货物规定需停止制动作用的车辆,自动制动机临时发生故障的车辆,准许关闭截断塞门(简称关门车),但主要列检所所在站编组始发的列车中,不得有制动故障关门车。编入列车的关门车数不超过现车总辆数的6%(尾数不足一辆按四舍五入计算)时,可不计算每百吨列车重量的换算闸瓦压力,不填发制动效能证明书;超过6%时,按第201条 规定计算闸瓦压力,并填发制动效能证明书交与司机。关门车不得挂于机车后部三辆车之内;在列车中连续连挂不得超过两辆;列车最后一辆不得为关门车;列车最 后第二、三辆不得连续关门。对于不适于连挂在列车中部但走行部良好的车辆,经列车调度员准许,可挂于列车尾部,以一辆为限,如该车辆的自动制动机不起作用 时,须由车辆人员采取安全措施,保证不致脱钩。
旅客列车不准编挂关门车。在运行途中如遇自动制动机临时故障,在停车时间内不能修复时,准许关闭一辆,但列车最后一辆不得为关门车。
第203条 列车在任何线路上的紧急制动距离限值按第23表规定。
第23表 列车紧急制动距离限值表
列车类型 | 最高运行 速度(km/h) | 紧急制动 距离限值(m) |
旅客列车(动车组) | 120 | 800 |
160 | 1400 | |
200 | 2000 | |
行邮列车 | 120 | 800 |
160 | 1400 | |
行包列车 | 120 | 1100 |
货物列车 | 90 | 800 |
120 | 1400 |
第204条 列车中相互连挂的车钩中心水平线的高度差,不得超过75 mm。
第205条 列车中车辆的连挂,由调车作业人员负责。连结软管,有列检作业的始发列车由列检人员负责;无列检作业的,由调车作业人员负责。
第206条 列车机车与第一辆车的连挂,由机车乘务员负责。单班单司机值乘的由列检人员负责;无列检作业的列车,由车辆乘务员负责;无车辆乘务员的列车,由车站人员负责。
列车机车与第一辆车的车钩摘解、软管摘结,由列检人员负责。无列检作业的列车,车钩、软管摘解由机车乘务员(单班单司机值乘的由车辆乘务员)负责,软管连结由车辆乘务员负责;无车辆乘务员的列车,由机车乘务员(单班单司机值乘的由车站人员)负责。
列车机车与第一辆车电气连接线的连结与摘解由客列检作业人员负责,无客列检作业人员时,由车辆乘务员负责。
货物列车本务机车在车站调车作业时,无论单机或挂有车辆,与本列的车辆摘挂和软管摘结,均由调车作业人员负责。
旅客列车在途中摘挂车辆时,车辆的摘挂和软管摘结,由调车作业人员负责,其他由列检作业人员负责,无列检作业人员时,由车辆乘务员负责,必要时打开车门,以便于调车作业。
第207条 密接式车钩摘挂作业时,按下列规定办理:
1.调车作业前,车站应通知列检人员(车辆乘务员)到场并打开车门;
2.车辆的摘挂和软管的摘解由调车人员负责,其他由列检人员负责,无列检作业时由车辆乘务员负责;
3. 摘车时,调车人员应确认软管及电气连接线均已摘开,并将车钩扳手扳开且固定后,方可摘开车辆。
第208条 列检作业应按规定范围和技术作业过程进行。主要列检所的车辆检查与修理应有分工,并进行平行作业。尽量组织不摘车修,减少摘车临修,充分利用技术检查时间,并在规定时间内完成检修作业,保证发出的列车符合质量要求。
第209条 车辆编入列车须达到运用状态。下列主要部件,必须作用良好,并符合质量要求。
1. 转向架:
(1)轮对、轴承、摇枕、侧架(构架)、弹簧、吊轴、制动盘;
(2)同一转向架旁承游间左右之和(弹性旁承及旁承承载结构的除外),客车为2 mm~6 mm,货车为2 mm~20 mm;常接触式旁承上下无间隙;
(3)车辆轮对的允许限度应符合第24表的要求。
第24表 车辆轮对允许限度表

2.自动制动机、人力制动机和货车的自动制动机空重车调整装置状态良好、位置正确,制动梁及吊、各拉杆、杠杆无裂损。
制动缸活塞行程按第25表规定。
第25表 制动缸活塞行程表
项 目 名 称 | 限度(mm) | 备 注 | ||
复式闸瓦客车 | 175~205 |
| ||
单式 闸瓦 货车 | K1、K2、双K2型 | 130~180 |
| |
GK、103型阀 (无闸调器) | 空车位 | 85~135 |
| |
重车位 | 110~160 |
| ||
单式 闸瓦 货车 | GK、120型阀 (有闸调器) | 空车位 | 110~160 |
|
重车位 | 115~135 |
| ||
103型阀 (有闸调器) | 空车位 | 115~160 |
| |
重车位 | 125~145 |
| ||
装254×254密封制动缸(有闸调器) | 空车位 | 125~160 |
| |
重车位 | 130~150 |
| ||
复式 闸瓦 货车 (有 闸调 器) | C61Y型车 | 空车位 | 115~135 |
|
重车位 | 115~160 |
| ||
B17型车 | 120~140 | 不分空重车位 | ||
B17型车(乘务发电车) | 140~160 |
| ||
B18型车 | 105~125 | 不分空重车位 | ||
B20型车 | 130~140 | 不分空重车位 | ||
B21、B22-1型车 | 空车位 | 120~130 |
| |
重车位 | 150~160 | 包括乘务发电车 | ||
B19、B22-2、B23型车 | 130~150 | 不分空重车位 | ||
3. 车钩、尾框、从板座、缓冲器无裂损。
车钩中心水平线至钢轨顶面高度按第26表规定。
第26表 车钩中心水平线高度表
项 目 | 车 种 | 高 度(mm) |
最 大 | 客车、货车 | 890 |
最 小 | 空货车 | 835 |
客 车 | 830 | |
重货车 | 815 |
4.车底架的中、侧、枕、端梁无裂损,罐体卡带无裂损、无松动,罐体无漏泄。
车体的弯曲下垂、胀出、倾斜允许限度按第27表规定。
第27表 车体异状允许限度表

第210条 在有列检作业的车站,发现列车中有技术不良的车辆,因条件限制不能修理时,应由列车中摘下修理。在其他车站发现列车中有技术不良的车辆,因特殊情况不能摘下时,如能确保行车安全,经车辆调度员同意,可回送到指定地点进行处理。
旅客列车在运行途中遇车辆空气弹簧故障时,运行速度不得超过120 km/h。采用密接式车钩的旅客列车,在运行途中因故障更换15号车钩后,运行速度不得超过140 km/h。
密接式车钩的客车回送时,原则上应附挂旅客列车回送。附挂货物列车回送时,应挂于尾部,但不得超过2辆。
第211条 编入列车的国际铁路联运车辆,应符合国际铁路联运有关规定的车辆交接技术条件。
第212条 运用中的车辆应按规定的周期检修。扣修和出入厂、段的车辆应建立定时取送制度,并纳入车站日班计划。
第213条 列车自动制动机应按下列规定进行试验。
1. 全部试验
(1)主要列检所对解体列车到达后,编组列车发车前;无调车作业的中转列车,可施行一次;
(2)区段列检所对始发和有调车作业的中转列车;
(3)列检所对运行途中自动制动机发生故障的到达列车;
(4)旅客列车检修作业;
(5)动车组出段前或在返回地点停留后;
(6)在车站折返的旅客列车。
站内设有试风装置时,应使用列车试验器试验,连挂机车后只做简略试验。对装有空气弹簧等装置的旅客列车应同时检查辅助用风系统的泄漏。
2. 简略试验
(1)客列检作业后,旅客列车始发前;
(2)区段列检所对无调车作业的中转列车(根据区间线路及制动缸活塞行程变化的情况,需要全部试验时,由铁路局规定);
(3)更换机车或更换乘务组时;
(4)无列检作业的始发列车发车前;
(5)列车软管有分离情况时;
(6)列车停留超过20 min时;
(7)列车摘挂补机,或第一机车的自动制动机损坏交由第二机车操纵时;
(8)机车改变司机室操纵时;
(9)单机附挂车辆时。
简略试验:有列检作业的由列检人员负责,无列检作业的由运转车长负责,无运转车长的由车辆乘务员负责,无车辆乘务员的由车站人员负责。挂有列尾装置的列车由司机负责。
3. 持续一定时间的全部试验
货物列车在接近长大下坡道区间的车站,应进行持续一定时间的全部试验,列检应填发制动效能证明书交给司机。具体试验和凉闸的地点、办法,由铁路局规定。
旅客列车出库前应进行持续一定时间的全部试验,在接近长大下坡道区间的车站,是否进行持续一定时间的全部试验,由铁路局规定。
长大下坡道为:线路坡度超过6‰,长度为8 km及以上;线路坡度超过12‰,长度为5 km及以上;线路坡度超过20‰,长度为2 km及以上。
第214条 车辆上翻车机前和翻卸后,必须由所在地车辆段派驻人员对车辆进行技术检查。
第215条 货物列车在编组站、区段站发车前,有关人员应做到:
货运检查人员应认真执行区段负责制,检查列车中车辆装载、加固、施封及篷布苫盖状态,以及空车的门窗关闭情况,发现异状时,应及时处理。对无列检作业的车站,还应检查自动制动机的空重位置,不符合时应进行调整。
车号人员应按列车编组顺序表核对现车和货运票据,无误后,按规定与机车乘务员办理交接。
列检人员检查车辆,发现因货物装载超重、偏载、集重引起技术状态不正常时,应及时通知车站处理;车辆自动制动机的空重位置不符合时,应进行调整。
第216条 运转车长接收列车时,应检查下列主要事项:
1. 列车尾部车辆的压力表,紧急制动阀上的封印及列车标志;
2. 按规定检查接收列车,核对、通报列车编组;
3.换乘时及时用列车无线调度通信设备与机车乘务员核对有关列车运行命令,对表,通报姓名和列车编组。
列车到站后,按上述规定与有关人员进行交接。
第十二章 调 车 工 作
一 般 要 求
第217条 车站的调车工作,应按车站的技术作业过程及调车作业计划进行。参加调车作业的人员应做到:
1. 及时编组、解体列车,保证按列车运行图的规定时刻发车,不影响接车;
2. 及时取送客货作业和检修的车辆;
3. 充分运用调车机车及一切技术设备,采用先进工作方法,用最少的时间完成调车任务;
4. 认真执行作业标准,保证调车有关人员的人身安全及行车安全。
第218条 调车工作要固定作业区域、线路使用、调车机车、人员、班次、交接班时间、交接班地点、工具数量及其存放地点。
作固定替换用的调车机车及小运转机车,应符合调车机车的条件(有前后头灯、扶手把、防滑踏板等)。
第219条 调车工作繁忙、配线较多的车站,可划分为几个调车区。
没有做好联系和防护,不准越区或转场作业。
调车机车越区作业的联系和防护办法,应在《站细》内规定。
第220条 调车作业应采用无线调车灯显设备,并使用规定频率,其显示方式须符合有关要求。无线调车灯显设备应与列车运行监控记录装置配合使用,无线调车灯显设备的使用、维修及管理办法由铁路局规定。
无线调车灯显设备正常使用时停用手信号,对灯显以外的作业指令采用通话方式;无线调车灯显设备发生故障时,改用手信号作业。
领导及指挥
第221条 车站的调车工作,由车站调度员(未设车站调度员的,由车站值班员)统一领导。各场(区)的调车工作,由负责该场(区)的车站调度员或该场(区)的调车区长领导。
第222条 调车作业由调车长单一指挥。利用本务机车进行调车作业时,可由车站值班员或助理值班员担任指挥工作。遇有特殊情况,可由有任免权限的单位鉴定、考试合格的连结员代替。
第223条 调车长在调车作业前,必须亲自并督促组内人员充分做好准备,认真进行检查。在作业中应做到:
1. 组织调车人员正确及时地完成调车任务;
2. 正确及时地显示信号(发出指令),指挥调车机车的行动;
3. 负责调车人员的人身安全和行车安全。
第224条 调车机车司机在作业中应做到:
1. 组织机车乘务人员正确及时地完成调车任务;
2. 负责操纵调车机车,做好整备,保证机车质量良好;
3. 时刻注意确认信号,不间断地进行瞭望,认真执行呼唤应答制,正确及时地执行信号显示(作业指令)的要求,没有信号(指令)不准动车,信号(指令)不清立即停车;
4. 负责调车作业的安全。
计划及准备
第225条 调车领导人应正确及时地编制、布置调车作业计划。布置调车作业计划,应使用调车作业通知单。使用无线调车灯显设备的车站,调车作业计划布置方法,由铁路局规定。
中间站利用本务机车调车,应使用附有示意图的调车作业通知单。
调车领导人与调车指挥人必须亲自交接计划。由于设备原因,亲自交接计划确有困难以及设有调车作业通知单传输装置的车站,交接办法在《站细》内规定。
调车指挥人应根据调车作业计划制定具体作业方法,连同注意事项,亲自向司机交递和传达;对其他有关人员,应亲自或指派连结员进行传达。具体传达办法,在《站细》内规定。
调车指挥人确认有关人员均已了解调车作业计划后,方可开始作业。
第226条 一 批作业(指一张调车作业通知单)不超过三钩或变更计划不超过三钩时,可用口头方式布置(中间站利用本务机车调车除外),有关人员必须复诵。变更股道时,必 须停车传达。仅变更作业方法或辆数时,不受口头传达三钩的限制,但调车指挥人必须向有关人员传达清楚,有关人员必须复诵。
驼峰解散车辆,只变更钩数、辆数、股道时,可不通知司机,但调车机车变更为下峰作业或向禁溜线送车前,须通知司机。
第227条 调车作业必须做好下列准备:
1.提前排风、摘管,核对计划,确认进路,检查线路、道岔、停留车及车辆防溜等情况;
2.人力制动机的选闸、试闸,系好安全带;
3.准备足够的良好铁鞋;
4无线调车灯显设备试验良好。
调 车 作 业
第228条 调车作业时,调车人员必须正确及时地显示信号;机车乘务人员要认真确认信号,并回示。
推进车辆连挂时,要显示十、五、三车的距离信号,没有显示十、五、三车的距离信号,不准挂车,没有司机回示,应立即显示停车信号。
推送车辆时,要先试拉。车列前部应有人瞭望,及时显示信号。
当调车指挥人确认停留车位置有困难时,应派人显示停留车位置信号。
调车人员不足2人,不准进行调车作业。
第229条 在调车作业中,单机运行或牵引车辆运行时,前方进路的确认由机车司机负责;推进车辆运行时,前方进路的确认由调车指挥人负责,如调车指挥人所在位置确认前方进路有困难时,可指派调车组其他人员确认。
没有看到调车指挥人的起动信号,不准动车,但单机返岔子或机车出入段时,可根据扳道员显示的道岔开通信号或调车信号机显示进行的信号动车。无扳道员和调车信号机时,调车指挥人确认道岔开通正确 (如为集中操纵的道岔,还须与操纵人员联系)后,向司机显示起动信号。
非集中区调车作业时,要认真执行要道还道制度。扳道员之间的要道还道办法及集中区与非集中区间的作业办法,在《站细》内规定。连续溜放和驼峰解散车辆时,第一钩应实行要道还道制度(集中联锁设备除外),从第二钩起,按调车作业通知单的要求扳动道岔。
第230条 调车作业要准确掌握速度及安全距离,并遵守下列规定:
1. 在空线上牵引运行时,不准超过 40 km/h;推进运行时,不准超过30 km/h。
2. 调动乘坐旅客或装载爆炸品、压缩气体、液化气体、超限货物的车辆时,不准超过15 km/h。
3. 接近被连挂的车辆时,不准超过5 km/h。
4. 推上驼峰解散车辆时的速度和装有加、减速顶的线路上的调车速度,在《站细》内规定。经过道岔侧向运行的速度,由工务部门根据道岔具体条件规定,并纳入《站细》。
5. 在尽头线上调车时,距线路终端应有10 m的安全距离;遇特殊情况,必须近于10 m时,要严格控制速度。
6. 电力机车在有接触网终点的线路上调车时,应控制速度,机车距接触网终点标应有10 m的安全距离。
7. 遇天气不良等非正常情况,应适当降低速度。
第231条 禁止溜放的车辆、线路及其他限制:
1.装有禁止溜放货物的车辆;
2.非工作机车、动车、轨道起重机、大型养路机械、机械冷藏车、大型凹型车、落下孔车、客车和特种用途车;
3.乘坐旅客的车辆及停有该车辆的线路;
4.超过2.5‰坡度的线路(为溜放调车而设的驼峰和牵出线除外);
5.停有正在进行技术检查、修理、装卸作业车辆及无人看守道口的线路;
6.停有装载爆炸品、压缩气体、液化气体车辆的线路;
7.停留车辆距警冲标的长度,容纳不下溜放车辆(应附加安全制动距离)的线路;
8.中间站正线、到发线及与其衔接而未设隔开设备的线路;
9.调车组不足3人时,禁止溜放作业;
10.不准采用牵引溜放法调车。
第232条 调车作业摘车时,必须停妥,采取好防溜措施,方可摘开车钩;挂车时,没有连挂妥当,不得撤除防溜措施。
转场或在超过2.5‰坡度的线路上(驼峰作业除外)调车时,10辆及以下是否需要连结软管及连结软管的数量,11辆及以上必须连结软管的数量,由车站和机务段根据具体情况共同确定,并纳入《站细》。
第233条 客车(21、22型除外)、动车组及D17、D19g型落下孔车禁止通过驼峰。21和22型客车、凹型车、其他落下孔车及装载活鱼(包括鱼苗)、跨装货物的车辆(跨及两平车的汽车除外)等,是否可以通过驼峰,由车站会同车辆段等有关单位做出具体规定,并纳入《站细》。
涂有禁止上驼峰标记的车辆,禁止通过设有车辆减速器(顶)的驼峰。机械冷藏车,如因迂回线故障等原因,必须通过设有车辆减速器(顶)的驼峰时,以不得超过 7 km/h的速度推送过峰。不得附挂机械冷藏车溜放其他车辆(推峰除外)。
曲线外轨、调车场以外的线路和外闸瓦车、直径950 mm及以上的大轮车,严禁使用铁鞋制动。
第234条 线路两旁堆放货物,距钢轨头部外侧不得小于1.5 m。站台上堆放货物,距站台边缘不得小于1 m。货物应堆放稳固,防止倒塌。
不足上述规定距离时,不得进行调车作业。
第235条 手推调车,须取得调车领导人的同意,人力制动机作用必须良好,有胜任人员负责制动。手推调车速度不得超过3 km/h。下列情况,禁止手推调车:
1. 在超过2.5‰坡度的线路上(确需手推调车时,须经铁路局批准);
2. 遇暴风雨雪或夜间无照明时;
3. 接发列车时,能进入接发列车进路的线路上无隔开设备或脱轨器;
4. 装有爆炸品、压缩气体、液化气体的车辆;
5. 电气化区段,接触网未停电的线路上,对棚车、敞车类的车辆。
在正线、到发线上的作业
第236条 在正线、到发线上调车时,要经过车站值班员的准许。在接发列车时,应按《站细》规定的时间,停止影响列车进路的调车作业。
第237条 接发旅客列车时,能进入接发列车进路的线路没有隔开设备或脱轨器,不准调车,但遇下列情况可以调车:
1.发出旅客列车时,与列车相反方向;
2.本务机车在停留线路内摘下,列车拉道口、对货位。
为了防止机车车辆进入旅客列车接车线,接停车的旅客列车时,在接车线末端方向第一组道岔必须向相邻线路开通。
有特殊困难的车站,确需调车时,制定安全措施,由铁路局批准。
第238条 越出站界调车时,双线区间正方向,必须区间(自动闭塞区间为第一闭塞分区)空闲;单线自动闭塞区间,闭塞系统必须在发车位置,第一闭塞分区空闲,经车站值班员口头准许并通知司机后,方可出站调车。
单线半自动闭塞区间和双线反方向出站调车时,须有停止基本闭塞法的调度命令,与邻站办理闭塞手续,并发给司机出站调车通知书(附件5)。
第239条 跟踪出站调车,只准许在单线区间及双线正方向线路上办理,并须经列车调度员口头准许,取得邻站值班员的承认号码,发给司机跟踪调车通知书(附件5)。在先发列车尾部越过预告、接近信号机(或靠近车站的第一个预告标)或《站细》规定的间隔时间后,方可跟踪出站调车,但最远不得越出站界500 m。
遇下列情况,禁止跟踪出站调车:
1. 出站方向区间内有瞭望不良的地形或有连续长大上坡道(站名表由铁路局公布);
2. 先发列车需由区间返回,或挂有由区间返回的后部补机;
3. 一切电话中断;
4. 降雾、暴风雨雪时。
列车虽已到达邻站,但跟踪调车通知书尚未收回时,禁止办理区间开通手续。
第240条 车站值班员要认真掌握机车出入段的经路。
有固定机车走行线时,出入段机车必须走固定走行线。机车固定走行线上禁止停留机车车辆。
没有固定走行线或临时变更走行线时,应通知司机经路(集中联锁的车站除外),司机按固定信号或扳道员显示进行的信号运行。
机车车辆的停留
第241条 列 车及机车车辆必须停在警冲标内方。调车作业中,车辆临时停在警冲标外方时,一批作业完了后,应立即送入警冲标内方。因特殊情况需在警冲标外方进行装卸作业 时,须经车站值班员、调车区长准许,在不影响列车到发及调车作业的情况下方可进行,装卸完了后,应立即送入警冲标内方。
安全线及避难线上,禁止停留机车车辆。
装载爆炸品、压缩气体、液化气体的车辆及救援列车,必须停放在固定的线路上,两端道岔应扳向不能进入该线的位置并加锁;临时停留公务车线路上的道岔也应扳向不能进入该线的位置并加锁;集中操纵的道岔可在控制台上进行锁闭。
第242条 编组站、区段站在到发线、调车线以外的线路上停留车辆,不进行调车作业时,应连挂在一起,并须拧紧两端车辆的人力制动机,或以铁鞋(止轮器、防溜枕木等)牢靠固定。因装卸车对货位等情况,不能连挂在一起时,应分组做好防溜措施。
中 间站停留车辆,无论停留的线路是否有坡道,均应连挂在一起,拧紧两端车辆的人力制动机,并以铁鞋(止轮器、防溜枕木等)牢靠固定。因装卸车对货位等情况, 不能连挂在一起时,应分组做好防溜措施。一批调车作业中临时停留的车辆,须拧紧两端车辆的人力制动机或以铁鞋(止轮器)止轮。
编组站和区段站的到发线、调车线是否需要防溜以及作业量较大中间站执行上述规定有困难时,由铁路局规定。
第十三章 行车闭塞法
一 般 要 求
第243条 列车运行是以车站、线路所所划分的区间及自动闭塞区间的通过信号机所划分的闭塞分区作间隔。
区间及闭塞分区的界限,按下列规定划分:
1. 站间区间
(1)在单线上,车站与车站间以进站信号机柱的中心线为车站与区间的分界线;
(2)在双线或多线上,车站与车站间分别以各该线的进站信号机柱或站界标的中心线为车站与区间的分界线。
2. 所间区间
两线路所间或线路所与车站间,以该线上的通过信号机柱的中心线为所间区间的分界线。设有进站信号机的线路所,所间区间的分界方法与站间区间相同。
3. 闭塞分区
自动闭塞区间同方向相邻的两架色灯信号机间,以该线上的通过信号机柱的中心线为闭塞分区的分界线。
第244条 各站均须装设基本闭塞设备。行车基本闭塞法采用下列三种:
1.自动闭塞;
2.自动站间闭塞;
3.半自动闭塞。
电话闭塞法是当基本闭塞设备不能使用时所采用的代用闭塞法。
原则上不使用隔时续行办法,如必须使用时,由铁路局规定。
第245条 当基本闭塞设备不能使用时,应根据列车调度员的命令采用电话闭塞法行车。遇列车调度电话不通时,闭塞法的变更或恢复,应由该区间两端站的车站值班员确认区间空闲后,直接以电话记录办理。列车调度电话恢复正常时,两端站车站值班员应及时向列车调度员报告。
第246条 遇下列情况,应停止使用基本闭塞法,改用电话闭塞法行车:
1.基本闭塞设备发生故障(包括自动闭塞区间内两架及以上通过信号机故障或灯光熄灭)时;
2.发出挂有由区间返回后部补机的列车时,或自动闭塞区间发出由区间返回的列车时;
3.无双向闭塞设备的双线区间反方向发车或改按单线行车时;
4.半自动闭塞区间,发出须由区间返回的列车,由未设出站信号机的线路上发车,或超长列车头部越过出站信号机并压上出站方面轨道电路发车时;
5.在夜间或遇降雾、暴风雨雪,为消除线路故障或执行特殊任务,开行轻型车辆时。
第247条 设有双向闭塞设备的自动闭塞区间,遇轨道电路发生故障等情况,需使用总辅助按钮改变闭塞方向时,车站值班员必须确认区间空闲后,根据列车调度员命令,使用总辅助按钮改变闭塞方向,并在《行车设备检查登记簿》内登记。
在半自动闭塞区间,遇接车站轨道电路发生故障,闭塞设备停电后恢复供电,列车因故退回原发车站等情况时,车站值班员确认列车整列到达后,根据列车调度员命令,使用故障按钮,办理人工复原,并在《行车设备检查登记簿》内登记。
第248条 线路所和区间内设有辅助所的行车闭塞办法,由铁路局规定。
自 动 闭 塞
第249条 使用自动闭塞法行车时,列车进入闭塞分区的行车凭证为出站或通过信号机的黄色灯光、绿黄色灯光或绿色灯光。特快旅客列车由车站通过时,为出站信号机的绿黄色灯光或绿色灯光,遇站间未设通过信号机时,发出列车的行车凭证由铁路局规定。
自动闭塞区段的车站,办理发车前应向接车站预告;单线自动闭塞区段的车站,还须得到列车调度员的同意。已向接车站预告,但列车不能出发时,发车站须通知接车站取消预告。
第250条 自动闭塞区段遇下列情况发车的行车凭证,在三显示区段规定见第28表;在四显示区段规定见第29表。
第28表 自动闭塞区段(三显示)特殊情况行车凭证表
列车出 发情况 | 行车凭证 | 发给行车凭证 的依据 | 附带条件 |
1.出站信号机不能显示绿色灯光,仅能显示黄色灯光时,办理特快旅客列车通过 | 出站信号机的黄色灯光,发给司机绿色许可证 (附件2) | 监督器表示两个闭塞分区空闲,不表示时为接到列车到达邻站的通知或前次列车发出后不少于10min的时间 |
|
2.出站信号机故障时发出列车 | 绿色许可证 (附件2) | 1.监督器表示两个或第一个闭塞分区空闲(办理特快旅客列车通过必须两个闭塞分区空闲),不表示时为接到列车到达邻站的通知或前次列车发出后不少于10min的时间 2.确认道岔位置正确及进路空闲 3.单线须取得对方站确认区间内无迎面列车的电话记录 | 从监督器上不能确认第一个闭塞分区空闲时,发车人员须书面通知司机,以在瞭望距离内能随时停车的速度,最高不超过20km/h,运行到第一架通过信号机,按其显示的要求执行 |
3.由未设出站信号机的线路上发车 | |||
4.超长列车头部越过出站信号机发车 | |||
5.发车进路信号机发生故障时发出列车 |
续上表
列车出 发情况 | 行车凭证 | 发给行车凭证 的依据 | 附带条件 |
6.超长列车头部越过发车进路信号机发车 | 绿色许可证 (附件2) | 确认道岔位置正确及进路空闲 | 列车到达次一信号机按其显示的要求执行 |
7.自动闭塞作用良好,监督器故障时发出列车 | 出站信号机的绿色或黄色灯光 |
| 与邻站车站值班员及本站信号员联系 |
8.双线双向闭塞设备的车站,反方向发出列车 | 出站信号机的绿色灯光 | 1.区间占用表示灯表示区间空闲 2.双线反方向行车的调度命令 | 反方向发车进路表示器显示一个白色灯光 |
第29表 自动闭塞区段(四显示)特殊情况行车凭证表
列车出 发情况 | 行车凭证 | 发给行车凭证 的依据 | 附带条件 |
1.出站信号机不能显示绿色灯光或绿黄色灯光,仅能显示黄色灯光时,办理特快旅客列车通过 | 出站信号机的黄色灯光,发给司机绿色许可证 (附件2) | 监督器表示第一、二个闭塞分区空闲,不表示时为接到列车到达邻站的通知或前次列车发出后不少于10min的时间 |
|
续上表
列车出 发情况 | 行车凭证 | 发给行车凭证 的依据 | 附带条件 |
2.出站信号机故障时发出列车 | 绿色许可证(附件2) | 1.监督器表示第一、二个或第一个闭塞分区空闲(办理特快旅客列车通过必须第一、二个闭塞分区空闲),不表示时为接到列车到达邻站的通知或前次列车发出后不少于10min的时间 2.确认道岔位置正确及进路空闲 3.单线须取得对方站确认区间内无迎面列车的电话记录 | 从监督器上不能确认第一个闭塞分区空闲时,发车人员须书面通知司机,以在瞭望距离内能随时停车的速度,最高不超过20 km/h,运行到第一架通过信号机,按其显示的要求执行 |
3.由未设出站信号机的线路上发车 | |||
4.超长列车头部越过出站信号机发车 | |||
5.发车进路信号机发生故障时发出列车 | |||
6.超长列车头部越过发车进路信号机发车 | |||
7.自动闭塞作用良好,监督器故障时发出列车 | 出站信号机的绿色、绿黄色或黄色灯光 | 确认道岔位置正确及进路空闲 | 与邻站车站值班员及本站信号员联系 |
8.双线双向闭塞设备的车站,反方向发出列车 | 出站信号机的绿色灯光 | 1.区间占用表示灯表示区间空闲 2.双线反方向行车的调度命令 | 反方向发车进路表示器显示一个白色灯光 |
注:在四显示区段,因设备不同,执行上述条款困难的,可按铁路局规定办理。
第251条 自动闭塞区间通过信号机显示停车信号(包括显示不明或灯光熄灭)时,列车必须在该信号机前停车,司机应使用列车无线调度通信设备通知运转车长(无运转车长为车辆乘务员),通知不到时,鸣笛一长声。停车等候2 min,该信号机仍未显示进行的信号时,即以遇到阻碍能随时停车的速度继续运行,最高不超过20 km/h,运行到次一通过信号机,按其显示的要求运行。在停车等候同时,与车站值班员、列车调度员、前行列车司机联系,如确认前方闭塞分区内有列车时,不得进入。
装有容许信号的通过信号机,显示停车信号时,准许铁路局规定停车后起动困难的货物列车,在该信号机前不停车,按上述速度通过。当容许信号灯光熄灭或容许信号和通过信号机灯光都熄灭时,司机在确认信号机装有容许信号时,仍按上述速度通过该信号机。
装有连续式机车信号的列车,遇通过信号机灯光熄灭,而机车信号显示进行的信号时,应按机车信号的显示运行。
司机发现通过信号机故障时,应将故障信号机的号码通知前方站。
自动站间闭塞
第252条 使用自动站间闭塞法行车时,列车凭出站信号显示的进行信号进入区间。
自动站间闭塞须与集中联锁设备结合使用,采用轨道检查装置自动检查区间空闲,发车站办理发车进路后即自动构成站间闭塞。列车到达接车站或返回发车站并出清区间后,自动解除闭塞。
发车站在办理发车进路前,须确认区间空闲、接车站未办理同一区间的发车进路,并向接车站预告。
发车站已向接车站预告,但列车不能出发时,在取消发车进路后,须通知接车站。
第253条 自动站间闭塞的行车办法,由铁路局规定。
半自动闭塞
第254条 使用半自动闭塞法行车时,列车凭出站信号机或线路所通过信号机显示的进行信号进入区间。
开放出站信号机或通过信号机前,双线区段必须得到前次列车到达前方站的到达信号;单线区段必须得到接车站的同意闭塞信号。
发车站办理闭塞手续后,列车不能出发时,应将事由通知接车站,取消闭塞。
第255条 半自动闭塞区段,遇超长列车头部越过出站信号机而未压上出站方面的轨道电路发车时,行车凭证为出站信号机显示的进行信号,并发给司机调度命令。
发车进路信号机故障时的行车办法,由铁路局规定。
电 话 闭 塞
第256条 使用电话闭塞法行车时,列车占用区间的行车凭证为路票(附件1)。当挂有由区间返回的后部补机时,另发给补机司机路票副页。
单线或双线反方向发车(正方向首列发车)时,根据《行车日志》查明区间已空闲,并取得接车站承认,在发车进路准备妥当后,方可填发路票。双线正方向发车时,根据收到的前次发出的列车到达的电话记录,在发车进路准备妥当后,即可填发路票。
第257条 办理电话闭塞时,下列各项应发出电话记录号码,并记入《行车日志》:
1. 承认闭塞;
2. 列车到达,补机返回;
3. 取消闭塞;
4. 单线或双线反方向越出站界调车。
电话记录号码自每日0时起至24时止,按日循环编号,编号办法由铁路局规定。
第258条 路票应由车站值班员或指定的助理值班员填写。
对于填写的路票,车站值班员应根据《行车日志》的记录,进行认真检查,确认无误,并加盖站名印后,方可送交司机。
双线反方向行车使用路票时,应在路票上加盖“反方向行车”章;两线、多线区间使用路票时,应在路票上加盖“××线行车”章。
电话中断时的行车
第259条 车站行车室内一切电话中断时,单线行车按书面联络法,双线行车按时间间隔法。列车进入区间的行车凭证均为红色许可证(附件3)。
在自动闭塞区间,如闭塞设备作用良好时,列车运行仍按自动闭塞法行车,但车站与列车司机应以列车无线调度通信设备直接联系(说明车次及注意事项等)。如列车无线调度通信设备故障时,列车必须在车站停车联系。
第260条 单线按书面联络法行车时,下列车站可以优先发车:
1. 已办妥闭塞而尚未发车的车站。
2. 未办妥闭塞时:
(1)单线区间为开下行列车的车站;
(2)双线改为单线行车时,为该线原定发车方向的车站;
(3)同一线路同一方向运行的列车,有上下行两种车次时,铁路局规定优先发车的车站。
第一个列车的发车权为优先发车的车站所有,如优先发车的车站没有待发列车时,应主动用附件3的通知书通知非优先发车的车站。非优先发车的车站,如有待发列车时,应在得到通知书以后方可发车。
第一个列车的发车站,在发车前应查明区间已空闲,并在附件3的通知书上记明下一个列车的发车权。如为本条第1项所规定的发车站发车时,持有行车凭证的列车,还应发给附件3的通知书;如无行车凭证,列车应持红色许可证开往邻站。以后开行的列车,均凭附件3的通知书上记明的发车权办理。
附件3的通知书,应采取最快的方法传送,优先方向车站如无开往区间的列车时,在确认区间空闲后,可使用重型轨道车或单机传送。
第261条 双线按时间间隔法行车时,只准发出正方向的列车。非自动闭塞区间发出第一个列车时,在发车前应查明区间已空闲。
第262条 一切电话中断后,连续发出同一方向的列车时,两列车的间隔时间,应按区间规定的运行时间另加3 min,但不得少于13 min。
第263条 一切电话中断时,禁止发出下列列车:
1.在区间内停车工作的列车(救援列车除外);
2. 开往区间岔线的列车;
3. 须由区间内返回的列车;
4. 挂有须由区间内返回后部补机的列车;
5. 列车无线调度通信设备故障的列车。
第264条 在一切电话中断时间内,如有封锁区间抢修施工或开通封锁区间时,由接到请求的车站值班员以书面通知封锁区间的相邻车站。
第265条 单线区间的车站,经以闭塞电话、列车调度电话或其他电话呼唤5 min无人应答时,由列车调度员查明该站及其相邻区间确无列车(包括单机、动车及重型轨道车)后,可发布调度命令,封锁相邻区间,按封锁区间办法向不应答站发出列车。
该列车应在不应答站的进站信号机外停车,判明不应答原因及准备好进路后,再行进站。司机(运转车长)或车站值班员应将经过情况报告列车调度员。
第十四章 列 车 运 行
一 般 要 求
第266条 列车是指编成的车列并挂有机车及规定的列车标志。
单机、动车及重型轨道车,虽未完全具备列车条件,亦应按列车办理。
旅客列车的尾部标志应使用电灯。尾部标志灯的摘挂、保管由车辆部门负责。对中途转向的旅客列车应有备用标志灯,以备转向时使用。
第267条 特大桥梁、长大隧道、轮渡的行车办法,由铁路局规定。
第268条 列车运行中,各有关作业人员应认真执行车机联控。
第269条 列车应设有列车乘务组。列车乘务组按下列规定组成:
1. 机车乘务人员;
2. 旅客列车、行邮列车和机械冷藏车组,均应有车辆乘务人员;挂有超限货物车辆的列车是否需要添乘人员,应根据装运的命令办理;
3. 旅客列车应有旅客乘务组;
4. 直达特快列车及动车组不设运转车长,其他旅客列车运转车长的设置按有关规定执行。
第270条 列车司机在列车运行中,应做到:
1 .列车在出发前输入监控装置有关数据;按规定对列车制动机进行机能试验,在制动保压状态下列车制动主管的压力1 min内漏泄不得超过20 kPa,确认列尾装置作用良好。
2. 遵 守列车运行图规定的运行时刻和各项允许及限制速度。彻底瞭望,确认信号,认真执行呼唤应答制度,严格按信号显示要求行车,确保列车安全正点。遇有信号显示 不明或危及行车和人身安全时,应立即采取减速或停车措施。特快旅客列车发生意外,不危及本列车安全时,可不停车,继续运行,同时用列车无线调度通信设备报 告就近车站处理。
3. 机车信号、列车无线调度通信设备、列车运行监控记录装置必须全程运转,严禁擅自关机。
运行途中,遇列尾装置、机车信号、列车运行监控记录装置发生故障时,司机应立即使用列车无线调度通信设备报告车站值班员、列车调度员,并根据实际情况掌握速度运行;在自动闭塞区间,遇机车信号、列车运行监控记录装置发生故障时,列车以不超过20 km/h的速度运行至前方站;遇列车无线调度通信设备发生故障时,列车应在前方站停车报告。
4. 起动稳,加速快,精心操纵,停车准确,按规定鸣笛,防止列车冲动和断钩。
5. 随时检查机车总风缸、制动主管的压力。检查内燃机车柴油机的润滑油压力、冷却水的温度及其转数等情况。注意电力机车的各种仪表的显示及接触网状态。
6. 在区间内列车停车进行防护、分部运行、装卸作业或使用紧急制动阀停车后再开车时,司机必须检查试验列车制动主管的贯通状态,确认列车完整,具备开车条件后,方可起动列车。有运转车长的列车,应按运转车长的发车信号起动列车。
7. 等会列车时,不准关闭空气压缩机,并应将头灯灯光减弱或熄灭。
8. 负责货运票据的交接与保管。
9. 无运转车长的列车,应将列车运行中发生的问题及使用紧急制动阀的情况,及时报告列车调度员。
第271条 运转车长在列车运行中,应做到:
1. 加强瞭望,注意列车运行状态及信号的显示。
2. 列车进出站及在区间交会时,要互相检查,并与有关人员互对信号(特快旅客列车及自动门、中开门客车在运行中不显示互检信号,发现异状应立即用列车无线调度通信设备通知有关人员)。
3. 正确记载列车在车站到发时刻。
4. 发现下列危及行车和人身安全情形时,应使用紧急制动阀停车:
(1)车辆燃轴或重要部件损坏;
(2)列车发生火灾;
(3)有人从列车上坠落或线路内有人死伤(特快旅客列车不危及本列车运行安全时除外);
(4)能判明司机不顾停车信号,列车继续运行;
(5)列车无任何信号指示,进入不应进入的地段或车站;
(6)其他危及行车和人身安全必须紧急停车时。
使用车辆紧急制动阀时,不必先行破封,立即将阀手把向全开位置拉动,直到全开为止,不得停顿和关闭。遇弹簧手把时,在列车完全停车以前,不得松手。在长大下坡道上,必须先看压力表,如压力表指针已由定压下降100 kPa时,不得再行使用紧急制动阀(遇折角塞门关闭时除外)。
其他列车乘务人员遇有危及行车和人身安全的紧急情况时,也可按上述方法使用紧急制动阀。
运转车长应将列车运行中发生的问题及使用紧急制动阀的情况,报告列车调度员和有关单位。
第272条 遇天气恶劣,信号机显示距离不足200 m时,司机或车站值班员须立即报告列车调度员,列车调度员应及时发布调度命令,改按天气恶劣难以辨认信号的办法行车。
1.列车按机车信号的显示运行。当接近地面信号机时,司机应确认地面信号,遇地面信号与机车信号显示不一致时,应立即采取减速或停车措施。
2.当无法辨认出站(进路)信号机显示时,在列车具备发车条件后,司机凭车站值班员(运转车长)列车无线调度通信设备(其通信记录装置须作用良好)的开车通知,起动列车,在确认出站(进路)信号机显示正确后,再行加速。
3.天气转好时,应及时报告列车调度员发布调度命令,恢复正常行车。
第273条 车 辆乘务人员,应按技术作业过程的规定检查车辆,并参加制动试验。在列车运行途中,应保证车辆运行安全,及时消除车辆故障,并将本身不能完成的不摘车检修工 作,预报前方站列检所。前方站列检所应积极组织人力修复车辆故障,保持原编组运用。是否摘车检修,由当地列检所决定处理。
未设有运转车长的旅客列车,其车辆乘务员应配备列车无线调度通信设备及响墩、火炬、短路铜线、信号旗(灯)等防护用品,在值乘中还应做到:
1.车站发车前和列车出站后,及时检查列车尾部风压,并向司机通报;
2.列车发生紧急制动停车后,查明原因,检查车辆技术状态安全无误后,通知司机开车;
3.负责向司机通报使用紧急制动阀的情况,并协助司机处理有关行车事宜。
第274条 机车乘务组以外人员登乘机车时,除铁道部机车运用规程指定的人员外,须凭登乘机车证登乘。
登乘机车的人员,在不影响乘务人员工作的前提下,经检验准许后方可乘坐。
第275条 列车运行限制速度规定见第30表。
第30表 列车运行限制速度表
项 目 | 速 度(km/h) |
四显示自动闭塞区段通过显示绿黄色灯光的信号机 | 在前方第三架信号机前能停车的速度 |
通过显示黄色灯光的信号机及位于定位的预告信号机 | 在次一架信号机前能停车的速度 |
通过显示一个黄色闪光灯光和一个黄色灯光的信号机 | 80 |
通过减速地点标 | 标明的速度,未标明时为25 |
推 进 | 30 |
退 行 | 15 |
接入站内尽头线,自进入该线起 | 30 |
下列构造的单开道岔、对称道岔、交分道岔侧向允许通过速度规定见第31、32、33表。
第31表 单开道岔侧向允许通过速度
道岔 号数 | 导曲线半径 (m) | 客车通过速度 (km/h) | 货车通过速度 (km/h) |
30 | 2700 | 140 | 90 |
18 | ≥860 | 80 | |
800 | 75 | ||
12 | 350 | 50(45)﹡ | |
330 | 45 | ||
9 | 180~190 | 30 | |
注:1.保留使用的8号、10号、11号单开道岔侧向通过的最高速度分别为25 km/h、35 km/h 和40 km/h;
2. ﹡括号内数据为75 kg/m钢轨12号道岔的侧向允许货车通过速度。
第32表 对称道岔允许通过速度
道岔号数 | 导曲线半径(m) | 客车、货车通过速度(km/h) |
9 | 355 | 50 |
6 | 180 | 30 |
第33表 交分道岔侧向允许通过速度
道岔号数 | 导曲线半径(m) | 客车、货车通过速度(km/h) |
12 | 380 | 45 |
9 | 220 | 30 |
其他构造道岔的侧向通过速度,由铁路局规定。
接车与发车
第276条 车 站应不间断地接发列车,严格按列车运行图行车。接发列车时,车站值班员应亲自办理闭塞、布置进路(包括听取进路准备妥当的报告)、开闭信号、交接凭证、接 送列车、指示发车或发车。由于设备或业务量关系,除布置进路(包括听取进路准备妥当的报告)外,其他各项工作可指派助理值班员、信号员或扳道员办理。
车站值班员接到邻站列车预告后,按《站细》规定及时通知有关人员到岗接车,站内平过道应加强监护。
第277条 车 站值班员在办理闭塞时,应确认区间空闲。接车前,必须亲自或通过有关人员确认接车线路空闲、进路道岔位置正确、影响进路的调车作业已经停止后,方可开放进 站信号机,准备接车;发车前,检查确认进路道岔位置正确、影响进路的调车作业已经停止后,方可开放出站信号机,交付行车凭证,在旅客上下、行包装卸和列检 作业完了后,指示发车或发车。
车站值班员下达准备接发车进路命令时,必须简明清楚,正确及时,讲清车次和占用线路(一端有两个及以上列车运行方向或双线反方向行车时,应讲清方向、线别),并要受令人复诵,核对无误。
接发列车时,按规定程序办理,并使用规定用语。
第278条 扳道、信号人员在值班时应做到:
1. 严格按照车站值班员的接发列车命令、调车作业计划,正确及时地准备进路。
2. 在扳动道岔、操纵信号时,认真执行“一看、二扳(按)、三确认、四显示(呼唤)”制度;对进路上不该扳动的道岔,也应认真进行确认。
3. 接发列车进路准备完了后,及时报告车站值班员(能从设备上确认者除外)。
第279条 下列情况,禁止办理相对方向同时接车和同方向同时发接列车:
1. 进站信号机外制动距离内,进站方向为超过6‰的下坡道,而接车线末端无隔开设备;
2. 在接、发旅客列车的同时,接入列车运行监控记录装置发生故障的列车而接车线末端无隔开设备(单机、动车及重型轨道车除外)。
相对方向不能同时接车时,应先接后面有续行列车的列车、停车后起动困难的列车或不适于在站外停车的列车。
遇两列车不能同时接发时,原则上应先接后发。
车站应将不能办理相对方向同时接车和同方向同时发接列车的情况纳入《站细》。
第280条 车站值班员应严格按《站细》规定时机开闭信号机。如取消发车进路时,应先通知发车人员;如发车人员已通知司机发车或显示发车指示信号,而列车尚未起动时,还应通知司机,收回行车凭证后,再取消发车进路。
第281条 接发列车应在正线或到发线上办理,并应遵守下列原则:
1. 旅客列车、挂有超限货物车辆的列车,应接入固定线路;
2. 特快旅客列车应在正线通过,其他通过列车原则上应在正线通过;
3. 原规定为通过的旅客列车由正线变更为到发线接车及特快旅客列车遇特殊情况必须变更基本进路时,须经列车调度员准许,并预告司机;如来不及预告时,应使列车在站外停车后,开放信号机,再接入站内。
第282条 车站值班员应保证有不间断接车的空闲线路。
正线上不得停留车辆。到发线上停留车辆时,须经车站值班员准许,在中间站上并须取得列车调度员的准许方可占用,该线路的两端道岔应扳向不能进入的位置并加锁(装有轨道电路除外)。
第283条 在站内无空闲线路的特殊情况下,只准许接入为排除故障、事故救援、疏解车辆等所需要的救援列车、不挂车的单机、动车及重型轨道车。上述列车均应在进站信号机外停车,由接车人员向司机通知事由后,以调车手信号旗(灯)将列车领入站内。
第284条 列车进站后,应停于接车线警冲标内方。在设有出站(进路)信号机的线路,列车头部不得越过出站(进路)信号机。
如列车尾部停在警冲标外方或压轨道绝缘时,车站接车人员及运转车长应使用列车无线调度通信设备等通知司机或显示向前移动的手信号,使列车向前移动。
当超长列车尾部停在警冲标外方,接入相对方向的列车时,在进站信号机外制动距离内进站方向为超过6‰的下坡道,而接车线末端无隔开设备,须使列车在站外停车后,再接入站内。如在邻线上未设调车信号机,又无隔开设备,相对方向需要进行调车作业时,必须派人以停车手信号对列车进行防护。
第285条 凡进站、接车进路信号机不能使用或在双线区段由反方向开来列车而无进站信号机时,应使用引导信号或派引导人员接车。
引导接车时,列车以不超过20 km/h速度进站,并做好随时停车的准备。由引导人员接车时,应在引导员接车地点标处(未设者,引导人员应在进站信号机、进路信号机或站界标外方),显示引导手信号接车。列车头部越过引导信号,即可关闭信号或收回引导手信号。
在无联锁的线路上接发列车时,车站值班员除严格按接发列车手续办理外,并应将进路上有关对向道岔及邻线上的防护道岔加锁。进路上的分动外锁闭道岔无论对向或顺向,均应对密贴尖轨、斥离尖轨和可动心轨加锁。具体加锁办法,由铁路局规定。
第286条 接 发列车时,接发车人员应携带列车无线调度通信设备、持手信号旗(灯),站在规定地点接送列车,注意列车运行和货物装载状态,与运转车长互对信号。发现旅客 列车尾部标志灯光熄灭时,通知运转车长(无运转车长为车辆乘务员)进行整理。在自动闭塞区段,通知不到时,应使列车停车整理。发现货物装载状态有异状时, 及时处理;发现货物列车列尾装置丢失时,应报告列车调度员,使列车在前方站停车处理。
列车接近车站、进站和出站时,接发车人员应及时向车站值班员报告列车进出站的情况(能从设备上确认者除外)。
列车到达、发出或通过后,车站值班员应立即向邻站及列车调度员报点,并记入《行车日志》(设有计算机报点系统的按有关规定办理)。遇有超长、超限列车、单机挂车和列尾装置灯光熄灭等情况,应通知邻站。
第287条 货物列车在站停车时,司机必须使列车保持制动状态(铁路局指定的凉闸站除外)。发车前,司机施行缓解,确认发车条件具备后,方可起动列车。
第288条 列车在发车前,有关人员应做到:
1. 发车进路准备妥当,行车凭证已交付,出站(进路)信号机已开放,发车条件完备后,车站值班员(助理值班员)方可显示发车信号或向运转车长显示发车指示信号。
2. 运转车长得到发车指示信号后,确认列车已完全具备发车条件,方可向司机显示发车信号;发车人员应依式中转运转车长的发车信号。
3. 司机必须确认占用区间行车凭证及发车信号或发车表示器显示正确后,方可起动列车。
4 .因曲线等关系,司机难以确认运转车长发车信号时,经铁路局指定的车站,可由发车人员直接向司机显示发车信号。
5 .单机、动车、重型轨道车及无运转车长值乘的列车,均由发车人员直接向司机显示发车信号。
6 .通信记录装置良好的车站,单机、动车、重型轨道车及无运转车长值乘的列车,准许使用列车无线调度通信设备发车。
第289条 列车在站内临时停车,待停车原因消除且继续运行时,应按下列规定办理:
1.司机主动停车时,自行起动列车;
2.其他列车乘务人员使用紧急制动阀停车时,由运转车长(无运转车长为车辆乘务员)通知司机开车;
3.车站接发列车人员使列车在站内临时停车时,由车站按规定发车;
4.其他原因的临时停车,车站值班员应会同司机、运转车长、车辆乘务员等查明停车原因,在列车具备运行条件后,由车站按规定发车。
上述第1、2、4项,司机应向车站值班员报告停车原因。
第290条 进站、出站、进路及线路所通过信号机发生故障时,应置于关闭状态。进站信号机及线路所通过信号机灭灯或因发生不能关闭的故障时,应将灯光熄灭或遮住。在将灯光熄灭或遮住以及信号机灭灯时,于夜间应在信号机柱距钢轨顶面不低于2 m处,加挂信号灯,向区间方面显示红色灯光。
第291条 出站信号机发生故障时,除按规定交递行车凭证外,对通过列车应预告司机,并显示通过手信号。装有进路表示器或发车线路表示器的出站信号机,当该表示器不良时,由办理发车人员通知司机后,列车可凭出站信号机的显示出发。
列车被迫停车后的处理
第292条 列 车在区间被迫停车后,不能继续运行时,司机应立即使用列车无线调度通信设备通知两端站、列车调度员及运转车长(无运转车长为车辆乘务员),报告停车原因和 停车位置,根据需要或运转车长指示迅速请求救援。需要防护时,列车前方由司机负责,列车后方由运转车长(无运转车长为车辆乘务员,无车辆乘务员为列车乘务 员)负责。
如遇自动制动机故障,旅客列车司机应通知运转车长(无运转车长为车辆乘务员)立即组织列车乘务人员拧紧全列人力制动机,以保证就地制动;其他列车司机应立即采取安全措施,并向列车调度员报告,请求救援。
对已请求救援的列车,不得再行移动,并按规定对列车进行防护。
车站值班员接到司机通知后,应将区间内列车运行情况通知司机,并立即使用列车无线调度通信设备转告区间内有关列车。在停车原因消除前不得再放行追踪、续行列车。
第293条 列 车被迫停车可能妨碍邻线时,司机应立即用列车无线调度通信设备通知邻线上运行的列车和两端站,并与运转车长(无运转车长为车辆乘务员)分别在列车的头部和 尾部附近邻线上点燃火炬;在自动闭塞区间,还应对邻线来车方向短路轨道电路。司机应亲自或指派人员沿邻线一侧对列车进行检查,发现妨碍邻线时,应立即派人 按规定防护。如发现邻线有列车开来时,应鸣示紧急停车信号。
车站值班员接到列车被迫停车可能妨碍邻线的通知后,在原因消除前不得向邻线放行列车。
第294条 列车在区间被迫停车后,分别根据下列规定放置响墩防护:
1. 已请求救援时,从救援列车开来方面(不明时,从列车前后两方面),距离列车不小于300 m 处防护;
2. 电话中断后发出的列车(持有附件3通知书1的列车除外),应于停车后,立即从列车后方按线路最大速度等级规定的列车紧急制动距离位置处防护;
3. 对于邻线上妨碍行车地点,应从两方面按线路最大速度等级规定的列车紧急制动距离位置处防护,如确知列车开来方向时,仅对来车方面防护;
4. 列车分部运行,机车进入区间挂取遗留车辆时,应从车列前方距离不小于300 m处防护。
防护人员设置的响墩待停车原因消除后可不撤响墩。
第295条 下列情况列车不准分部运行:
1.采取措施后可整列运行时;
2.对遗留车辆未采取防护、防溜措施时;
3.遗留车辆无人看守时;
4.列车无线调度通信设备故障时。
第296条 在 不得已情况下,列车必须分部运行时,司机应使用列车无线调度通信设备报告前方站和列车调度员,并做好遗留车辆的防溜和防护工作。司机在记明遗留车辆辆数和 停留位置后,方可牵引前部车辆运行至前方站。在运行中仍按信号机的显示进行,但在半自动闭塞区间,该列车必须在进站信号机外停车(司机已用列车无线调度通 信设备通知车站值班员列车为分部运行时除外),将情况通知车站值班员后再进站。车站值班员应立即报告列车调度员封锁区间,待将遗留车辆拉回车站,确认区间 空闲后,方可开通区间。
第297条 列车发生火灾、爆炸应急处理:
1.列车发生火灾、爆炸时,须立即停车(停车地点应尽量避开特大桥梁、长大隧道等)。电气化区段,并应立即通知供电部门停电。
2.列车需要分隔甩车时,应根据风向及货物性质等情况而定。一般为先甩下列车后部的未着火车辆,再甩下着火车辆,然后将机次未着火车辆拉至安全地段。
对甩下的车辆,由车站值班员(在区间由司机、运转车长、车辆乘务员)负责采取防溜措施。
第298条 汛期暴风雨行车应急处理:
1.列车通过防洪危险地段时,司机、运转车长要加强瞭望,并随时采取必要的安全措施。
2.当洪水漫到路肩时,列车应按有关规定限速运行;遇有落石、倒树等障碍物危及行车安全时,司机应立即停车,排除障碍并确认安全无误后,方可继续运行。
3.列车遇到线路塌方、道床冲空等危及行车安全的突发情况时,司机、运转车长应立即采取应急性安全措施,并立刻通知追踪列车、邻线列车及邻近车站。
第299条 列车运行途中发生车辆故障应急处理:
1.发现客车车辆轮轴故障、车体下沉(倾斜)、车辆剧烈振动等危及行车安全的情况时,须立即采取停车措施。由司机、车辆乘务员检查,对抱闸车辆应关闭截断塞门,排除副风缸中的余风,确认安全无误后,方可继续运行;如车轮踏面损坏超过限度或车辆故障不能继续运行时,应甩车处理。
2.列车调度员接到热轴报告后,应按热轴预报等级要求果断处理。必要时,立即安排停车检查(司机应采用常用制动,列车停车后由车辆乘务员负责检查,无车辆乘务员的由司机确认能否继续安全运行)或就近站甩车处理。
3.遇客车安全监控系统报警或其他故障需要列车限速运行时,运转车长(无运转车长时为车辆乘务员)应使用列车无线调度通信设备通知司机,由司机报告车站值班员、列车调度员。
第300条 下列情况列车不准退行:
1. 按自动闭塞法运行时(列车调度员或后方站车站值班员确知区间内无列车,并准许时除外);
2. 无运转车长值乘的列车(已指派胜任人员并携带列车无线调度通信设备、简易紧急制动阀时除外);
3. 在降雾、暴风雨雪及其他不良条件下,难以辨认信号时;
4. 电话中断后发出的列车(持有附件3通知书1的列车除外)。
挂有后部补机的列车,除上述情况外,是否准许退行,由铁路局规定。
第301条 在不得已情况下,列车必须退行时,运转车长(无运转车长时为指派的胜任人员)应站在列车尾部注视运行前方,发现危及行车或人身安全时,应立即使用紧急制动阀或列车无线调度通信设备通知司机,使列车停车。
列车退行速度,不得超过15 km/h。未得到后方站(线路所)车站值班员准许,不得退行到车站的最外方预告标或预告信号机(双线区间为邻线预告标或特设的预告标)的内方。
车站接到列车退行的报告后,除立即报告列车调度员外,根据线路占用情况,可开放进站信号机或按引导办法将列车接入站内。
救援列车的开行
第302条 车站值班员接到运转车长、司机或工务、电务、供电等人员的救援请求后,应立即报告列车调度员。列车调度员应向有关车站发布命令封锁区间,并派出救援列车。
向封锁区间发出救援列车时,不办理行车闭塞手续,以列车调度员的命令,作为进入封锁区间的许可。
当列车调度电话不通时,应由接到救援请求的车站值班员根据救援请求办理,救援列车以车站值班员的命令,作为进入封锁区间的许可。
司机接到救援命令后,机车乘务员必须认真确认。命令不清、停车位置不明确时,不准动车。
救援列车进入封锁区间后,在接近被救援列车或车列2 km时,要严格控制速度,同时,使用列车无线调度通信设备与请求救援的机车司机进行联系,或以在瞭望距离内能够随时停车的速度运行(最高不得超过20km/h),在防护人员处或压上响墩后停车,联系确认,并按要求进行作业。
第303条 救援列车的出发或返回,均应通知列车调度员及对方站。如事故现场设有临时线路所时,车站值班员应于发车前,商得线路所值班员的同意。
第304条 在事故调查处理委员会人员到达前,站长或车站值班员应随乘发往事故地点的第一列救援列车(分部运行时挂取遗留车辆的机车除外)到事故现场,负责指挥列车有关工作。
施工及路用列车的开行
第305条 凡影响行车的施工、维修作业,不得利用列车间隔进行(特别规定的慢行施工除外),都必须纳入天窗。线路、桥隧、信号、通信、接触网及其他行车设备的施工、维修,力争开通后不降低行车速度。
第306条 封 锁线路、慢行施工和停用信号、联锁、闭塞设备及其他影响行车设备的施工,必须纳入月度施工方案。施工单位应在前一个月向铁路局提出施工计划。运输部门在编 排施工方案中,应把各单位在同一地段的施工,安排在同一时间内进行平行作业,并明确施工主体单位。施工方案应以铁路局命令下达有关站、段及施工单位。
因封锁区间,跨局列车的停运由两局商定,须经由外局线路迂回运输时,由铁道部批准。
第307条 封 锁区间施工时,施工负责人应确认已做好一切施工准备,按批准的施工方案(临时封锁区间抢修施工时除外),在车站《行车设备施工登记簿》内登记,通过车站值 班员向列车调度员申请施工。车站值班员应尽速与列车调度员联系,并根据封锁或开通命令,在信号控制台或规定位置上揭挂或摘下封锁区间表示牌。列车调度员应 保证施工时间,并向施工区间的两端站、有关单位及施工负责人及时发出实际施工命令。施工负责人接到调度命令,确认施工起止时刻,设好停车防护后,方可开 工,并保证在规定时间内完成。
施 工单位及设备管理单位应严格掌握开通条件,经检查满足放行列车的条件,且设备达到规定的开通速度要求,办理开通登记后,通过车站值班员通知列车调度员开通 区间。如因特殊情况不能按时开通区间或不能按规定的开通速度运行时,应提前通知车站值班员,要求列车调度员延长时间或限速运行。
第308条 施工封锁前,通过施工地点的最后一趟列车前进方向为不大于6‰的上坡道时,列车调度员可根据施工负责人的要求,在施工命令中规定该次列车通过施工地点后即可开工,列车到站后,再封锁区间。上述命令应抄交司机、运转车长,该列车不得后退。
第309条 遇有施工又必须接发列车的特殊情况时,可按以下施工特定行车办法办理:
1.车站采用固定进路的办法接发列车。施工开始前,车站须将正线进路开通,并对进路上所有道岔按规定加锁(有关道岔密贴的确认及具体的加锁办法,由铁路局规定)。
2.引导接车并正线通过时,准许列车司机凭特定引导手信号的显示,以不超过60 km/h速度进站。
3.准 许车站不向司机递交书面行车凭证和调度命令。但车站仍按规定办理行车手续,并使用列车无线调度通信设备(其通信记录装置须作用良好)将行车凭证号码(路票 为电话记录号码、绿色许可证为编号)和调度命令号码通知司机,得到司机复诵正确后,方可显示通过手信号。列车凭通过手信号通过车站。
其他具体安全行车办法,由铁路局规定。
第310条 向施工封锁区间开行路用列车时,列车进入封锁区间的行车凭证为调度命令。该命令中应包括列车车次、运行速度、停车地点、到达车站的时刻等有关事项。
向施工封锁区间开行路用列车,原则上每端只准进入一列,如超过时,其安全措施及运行办法由铁路局规定。
第311条 路用列车应由施工单位指派胜任人员携带列车无线调度通信设备值乘于列车尾部,并在区间协助司机作业。路用列车或线路施工机械进入施工地段时,应在施工防护人员显示的停车手信号前停车,根据施工负责人的要求,按调车办法,进入指定地点。
第312条 列车在区间装卸车时,装卸车负责人应指挥列车停于指定地点。装卸车完毕后,其负责人应负责检查装卸货物的装载、堆码状态,确认限界,清好道沿,关好车门,通知司机开车。
第313条 凡妨碍行车的施工及故障地点的线路,均应设置防护。
未设好防护,禁止开工。线路状态未恢复到准许放行列车的条件,禁止撤除防护、放行列车。施工防护信号的设置与撤除,由施工负责人决定。
多个单位在同一个区间施工时,原则上应分别按规定进行防护,由施工主体单位负责划分各单位范围及分界。
第314条 在 区间或站内线路、道岔上封锁施工作业时,施工单位在车站行车室设驻站联络员,施工地点设现场防护员。驻站联络员和防护人员应由指定的、经过考试合格的人员 担任。施工负责人可指派驻站联络员负责在车站办理施工封锁手续,向施工负责人传达调度命令,通报列车运行情况,并向车站值班员传达开通线路请求。驻站联络 员和防护人员在执行防护任务时,应佩戴标志,携带通讯设备;防护人员还应携带必备的防护用品,随时观察施工现场和列车运行情况。发现异常情况时及时通报车 站值班员和施工负责人。
驻站联络员要随时与防护人员保持联系,如联系中断,防护人员应立即通知施工负责人停止作业,必要时将线路恢复到准许放行列车的条件。
当线间距小于6.5 m的施工地点邻线来车时,防护人员应及时通知停止施工作业,机具、物料或人员不得在两线间放置或停留。放置路肩的机具设备应与列车保持安全距离,物料应堆码放置牢固。
第315条 凡上道使用涉及行车安全的养路机械、机具及防护设备,须符合有关技术标准,满足运用安全的要求。养路机械、机具及防护设备应专管专用,加强日常检修和定期检查,经常保持良好状态。状态不良的,禁止上道使用。
第316条 在区间线路上施工时,使用移动停车信号的防护办法如下:
1. 单线区间施工时,设立位置如第1图。

长度单位:m
第1图
2.双线区间一条线路上施工时,设立位置如第2图。
长度单位:m
第2图
注:A为不同线路允许速度的列车紧急制动距离,120 km/h<v≤160 km/h为1 400 m,160 km/h<v≤200 km/h为2 000 m。对有行包列车运行的线路,A不得小于1 100 m;有120 km/h货物列车运行的线路,A不得小于1 400 m。以下同。
3. 双线区间两条线路同时施工时,设立位置如第3图。
长度单位:m
第3图
4. 施工地点在站外,距离进站信号机(或站界标)小于860 m时,设立位置如第4图。
长度单位:m
第4图
如车站方面防护距离(自施工地点至最外方第一个响墩间的距离)小于60 m时,可不放置响墩。
在区间施工,除按上述各项办法防护外,还应在车站与施工地点分别设专职联络人员和防护人员,用电话联系。
施工防护人员应站在距施工地点的第一个响墩内20 m附 近瞭望条件较好的地点,显示停车手信号。响墩放置位置如恰在钢轨接头、道岔、道口、无碴桥上或隧道内时,应将响墩放置位置向外方延伸。在尽头线上施工,施 工负责人经与车站值班员联系确认尽头一端无列车、动车时,则尽头一端可不设防护。施工地点与防护人员间瞭望条件不良又无电话联系时,应增设中间防护人员。
凡用停车信号防护的施工地点,在停车信号撤除后,列车需减低速度通过施工地点时,应按减速信号防护的办法防护。
第317条 在站内线路或道岔上施工,使用移动停车信号的防护办法如下:
一、在站内线路上施工
1.将施工线路两端道岔扳向不能通往施工地点的位置,并加锁或钉固,可不设置移动停车信号牌(灯)。如不能加锁或钉固道岔时,在施工地点两端各50 m处线路中心,设置移动停车信号牌(灯)防护,设立位置如第5图,显示方式如第118图(下同)。
长度单位:m
第5图
2. 如施工地点距离道岔小于50 m时,将该道岔扳向不能通往施工地点的位置,并加锁或钉固。如不能加锁或钉固道岔时,在警冲标相对处线路中心,设置移动停车信号牌(灯)防护,设立位置如第6图。
长度单位:m
第6图
3. 在进站道岔外方线路上施工,对区间方面,以关闭的进站信号机防护;对车站方面,在进站道岔外方基本轨接头处(顺向道岔在警冲标相对处)线路中心,设置移动停车信号牌(灯)防护,设立位置如第7图。
第7图
4. 双线区段,在站界标至出站道岔的线路上施工,对区间方面,在站界标相对处线路中心,设置移动停车信号牌(灯)防护,设立位置如第8图;对车站方面,按本条第一项第3款的办法防护。
第8图
二、在道岔上(含警冲标至道岔尾部线路)施工
1.在站内道岔上施工,一端距离施工地点50 m,另一端两条线路距离施工地点50 m(距出站信号机不足50 m时,为出站信号机处),分别在线路中心,设置移动停车信号牌(灯)防护,设立位置如第9图;如一端距离外方道岔小于50 m时,将道岔扳向不能通往施工地点的位置,并加锁或钉固道岔。
长度单位:m
第9图
2. 在进站道岔上施工,对区间方面,以关闭的进站信号机防护;对车站方面,在距离施工地点50 m线路中心,设置移动停车信号牌(灯)防护,距临近道岔不足50 m时,在临近道岔后基本轨接头处设置移动停车信号牌(灯)防护,将有关道岔扳向不能通往施工地点的位置,并加锁或钉固道岔,设立位置如第10图。
长度单位:m
第10图
3. 在出站道岔上施工,对区间方面,在站界标相对处线路中心,设置移动停车信号牌(灯)防护,设立位置如第11图;对车站方面,按本条第二项第2款的办法防护。
长度单位:m
第11图
4. 在交分道岔上施工,将有关道岔扳向不能通往施工地点的位置,并加锁或钉固道岔,在施工地点两端50 m处线路中心,设置移动停车信号牌(灯)防护,设立位置如第12图。
长度单位:m
第12图
5.在交叉渡线的一组道岔上施工,一端在菱形中轴相对处线路中心,另一端在距离施工地点50 m处线路中心,分别设置移动停车信号牌(灯)防护,将有关道岔扳向不能通往施工地点的位置,并加锁或钉固道岔,设立位置如第13图。
长度单位:m
第13图
6.在道岔上进行大型养路机械施工时,如延长移动停车信号牌(灯)防护距离后占用其他道岔时,其他道岔应一并防护。
第318条 在区间线路上,根据线路速度等级,使用移动减速信号的防护办法如下:
1.单线区间施工,设立位置如第14图。
长度单位:m
第14图
注:允许速度120 km/h<v≤200 km/h的线路,在移动减速信号牌(灯)(显示方式如第119图)外方增设特殊移动减速信号牌(显示方式如第120图)。
2.双线区间在一条线上施工,设立位置如第15图。
3.双线区间两条线路同时施工,设立位置如第16图。
4.施工地点距离进站信号机(或站界标)小于800 m时,设立位置如第17图。
长度单位:m
第15图
长度单位:m
第16图
长度单位:m
第17图
注:1.当站内正线警冲标距离施工地点小于800 m时,按800 m设置移动减速信号牌(灯);
2.当站内正线警冲标距离施工地点大于或等于A时,不设置带T字的特殊移动减速信号牌。
第319条 在站内线路或道岔上,根据线路速度等级,使用移动减速信号的防护办法如下:
1.在站内正线线路上施工,设立位置如第18图。
2. 在站内正线道岔上施工,设立位置如第19图。
长度单位:m
第18图
注:当进站信号机距离施工地点大于或等于A时,不设置带T字的特殊移动减速信号牌。
长度单位:m
第19图
注:当进站信号机距离施工地点大于或等于A时,不设置带T字的特殊移动减速信号牌。
3. 在站线线路上施工,设立位置如第20图。
第20图
4. 在站线道岔上施工,该道岔中部线路旁,设置两面黄色的移动减速信号牌(灯),设立位置如第21图。
第21图
凡线间距离不足规定时,则应设置矮型(1 m高)的移动减速信号牌(灯)。
在移动减速信号牌上,应注明规定的慢行速度。
第320条 在区间线路上进行不影响行车的作业,不需要以停车信号或移动减速信号防护,应在作业地点两端500 m~1 000 m 处列车运行方向左侧(双线在线路外侧)的路肩上设置作业标,设立位置如第22图,显示方式如第210图。列车接近该作业标时,司机须长声鸣笛,注意瞭望。
长度单位:m
第22图
轻型车辆及小车的使用
第321条 轻型车辆是指由随乘人员能随时撤出线路外的轻型轨道车及其他非机动轻型车辆。小车是指轨道检查仪、单轨小车、吊轨小车。
轻型车辆仅限昼间封锁施工作业时使用,不按列车办理;在夜间或遇降雾、暴风雨雪时,仅限于消除线路故障或执行特殊任务时使用,但应按列车办理,此时轻型车辆必须有照明及停车信号装置。轻型轨道车过岔速度不得超过15 km/h,区间运行最高速度不得超过45 km/h,并不得与重型轨道车连挂运行。轻型轨道车连挂拖车时,不得推进运行。
小车在昼间使用时,不按列车办理,可跟随列车后面推行,但在任何情况下,都不得影响列车正常运行。夜间仅限于封锁施工时使用。
在双线地段,单轨小车应面对来车方向在外股钢轨上推行。
第322条 使用轻型车辆时,须取得车站值班员对使用时间的承认,填发轻型车辆使用书——附件6(在区间用电话联系时,双方分别填写),并须保证在承认使用时间内将其撤出线路以外。
使用各种小车时,负责人应了解列车运行情况,按规定进行防护,并保证能在列车到达前撤出线路以外。在车站内使用装载较重的单轨小车及人力推运的轻型车辆时,须与车站值班员办理承认手续。
第323条 使用轻型车辆及小车时,必须具备下列条件:
1. 须有经使用单位指定的负责人;
2. 轻型车辆具有年检合格证;
3. 须有足够的人员,能随时将轻型车辆或小车撤出线路以外;
4. 须备有防护信号、列车运行时刻表、钟表及列车无线调度通信设备;
5. 轻型车辆应有制动装置(其他非机动轻型车辆根据需要安装);牵引拖车时,连挂处应使用自锁插销,拖车必须有专人负责制动;
6. 在有轨道电路的线路或道岔上运行时,应设置绝缘车轴或绝缘垫。
第324条 在区间使用轻型车辆及小车时,应按下列规定防护:
1.轻型车辆运行中,须显示停车手信号,并注意瞭望。
2.在线路上人力推行小车时,应派防护人员在小车前后方向,按线路最大速度等级的列车紧急制动距离位置显示停车手信号,随车移动,如瞭望条件不良,应增设中间防护人员。
3.在双线地段遇有邻线来车时,应暂时收回停车手信号,待列车过后再行显示。
4.轻型车辆遇特殊情况不能在承认的时间内撤出线路,或小车不能立即撤出线路时,在车辆或小车前后方向按线路最大速度等级规定的列车紧急制动距离位置放置响墩,以停车手信号防护。在设置防护的同时,应立即使用列车无线调度通信设备通知车站值班员或列车司机紧急停车。
5.小车跟随列车后面推行时,应与列车尾部保持大于500 m的距离。
设备检修及故障处理
第325条 影响设备使用的检修均纳入天窗进行。
在车站(包括线路所、辅助所)内线路、道岔上进行作业或检修信号、联锁、闭塞设备,影响其使用时,事先须在《行车设备检查登记簿》内登记,并经车站值班员签认或由扳道员、信号员取得车站值班员同意后签认,方可开始。
正在检修中的设备需要使用时,须经检修人员同意。检修完毕,应会同使用人员检查试验,并将其结果记入《行车设备检查登记簿》。
对处于闭塞状态的闭塞设备和办理进路后处于锁闭状态的信号、联锁设备,严禁进行检修作业。
第326条 沿线工务人员发现线路设备故障危及行车安全时,除立即连续发出停车信号和以停车手信号防护外,还应采取紧急措施修复故障设备,并迅速通知就近车站和工长或车间主任;如不能立即修复时,应封锁区间或限速运行。
车站值班员接到区间发生故障的警报后,应立即报告列车调度员,列车调度员应发出调度命令。
必要时进入该区间的第一趟列车须由线路工长或车间主任随乘。列车在故障地点停车后继续运行时,应根据随乘人员的指挥办理。
第327条 线路发生故障时的防护办法如下:
1. 应立即使用列车无线调度通信设备通知车站值班员或列车司机紧急停车,同时在故障地点设置停车信号,如夜间或遇降雾、暴风雨雪、扬沙等恶劣天气等瞭望困难时,还应点燃火炬。
2. 当确知一端先来车时,应先向该端,再向另一端放置响墩(如第23图),然后返回故障地点。
长度单位:m
第23图
3. 如 不知来车方向,应在故障地点注意倾听和瞭望,发现来车,应急速奔向列车,用手信号旗(灯)或徒手显示停车信号,并将响墩放置在能赶到的地点,使列车在故障 地点前停车。如夜间或遇降雾、暴风雨雪、扬沙等恶劣天气等瞭望困难时,发现来车后,奔向列车前,应在故障地点点燃第二支火炬。
设有固定信号机时,应先使其显示停车信号。
站内线路、道岔发生故障时,应按规定设置停车信号防护。
第328条 设备维修人员发现信号、通信设备故障危及行车安全时,应立即通知车站,并积极设法修复;如不能立即修复时,应停止使用,同时报告工长、车间主任或电务段调度,并在《行车设备检查登记簿》内登记。
第329条 铁路职工或其他人员发现设备故障危及行车和人身安全时,应立即向开来列车发出停车信号,并迅速通知就近车站、工务、供电或电务人员。
第三编 信 号 显 示
第十五章 基 本 要 求
第330条 信号是指示列车运行及调车作业的命令,有关行车人员必须严格执行。
信号显示方式及使用方法,应按本规程规定执行。本规程以外的信号显示方式,须经铁道部批准,方可采用。
各种信号机和表示器的灯光排列、颜色和外形尺寸,必须符合铁道部规定的标准。
地区性联系用的手信号,由铁路局批准。
第331条 铁路信号分为视觉信号和听觉信号。
视觉信号的基本颜色:
红色——停车;
黄色——注意或减低速度;
绿色——按规定速度运行。
听觉信号:号角、口笛、响墩发出的音响和机车、轨道车的鸣笛声。
第332条 视觉信号分为昼间、夜间及昼夜通用信号。在昼间遇降雾、暴风雨雪及其他情况,致使停车信号显示距离不足1 000 m,注意或减速信号显示距离不足400 m,调车信号及调车手信号显示距离不足200 m时,应使用夜间信号。
隧道内只采用夜间或昼夜通用信号。
铁路沿线及站内,禁止设置妨碍确认信号的红、黄、绿色的装饰彩布、标语和灯光。如车站内已装有妨碍确认信号灯光的设备时,应拆除或采取遮光措施。
在规定的信号显示距离内,不准种植影响信号显示的树木。对影响信号显示的树木,其处理办法,由铁路局规定。
第333条 进站、出站、进路信号机及线路所的通过信号机,均以显示停车信号为定位。自动闭塞区段的通过信号机,以显示进行信号为定位。接近、预告信号机及通过臂板,以显示注意信号为定位。
在自动闭塞区段内的车站(线路所),如将进站、正线出站信号机及其直向进路内的进路信号机转为自动动作时,以显示进行信号为定位。
第334条 信号机的关闭时机规定如下:
1.集中联锁车站的进站、进路、出站信号机、线路所通过信号机及自动闭塞区段的通过信号机,当机车或车辆第一轮对越过该信号机后自动关闭。
2.调车信号机在调车车列全部越过调车信号机后自动关闭;当调车信号机外方不设或虽设轨道电路而占用时,应在调车车列全部出清调车信号机内方第一轨道区段后自动关闭,根据需要也可在调车车列第一轮对进入调车信号机内方第一轨道区段后自动关闭。
3.引导信号应在列车头部越过信号机后及时关闭。
4.非集中联锁车站的进站信号机及线路所通过信号机,在列车进入接车线轨道电路后自动关闭,出站信号机应在列车进入出站方面轨道电路后自动关闭。
5.非集中联锁车站,由手柄操纵的信号机:进站信号机在确认列车全部进入接车线警冲标内方,出站信号机在列车全部越过最外方道岔并确认列车全部进入出站方面轨道电路区段后,恢复手柄,关闭信号。
6.特殊站(场)执行上述规定有困难时,由铁路局规定。
第335条 进站、出站、进路和通过信号机的灯光熄灭、显示不明或显示不正确时,均视为停车信号。接近信号机的灯光熄灭、显示不明或显示不正确时,均视为进站信号机为关闭状态。
第336条 新设尚未开始使用及应撤除尚未撤掉的信号机,均应装设信号机无效标,并应熄灭灯光;如为臂板信号机,并须将臂板置于水平位置。
信号机无效标为白色的十字交叉板,装在色灯信号机柱上或臂板信号机的臂板上(如第24图)。

第24图
在新建铁路线上,新设尚未开始使用的信号机(进站信号机暂用作防护车站时除外),可撤下臂板或将色灯机构向线路外侧扭转90°,并熄灭灯光,作为无效。
第十六章 固 定 信 号
第337条 进站色灯信号机显示下列信号:
1. 进站色灯信号机(四显示自动闭塞区段除外)
(1)一个绿色灯光——准许列车按规定速度经正线通过车站,表示出站及进路信号机在开放状态,进路上的道岔均开通直向位置(如第25图);
(2)一个黄色灯光——准许列车经道岔直向位置,进入站内正线准备停车(如第26图);
第25图 第26图
(3)两个黄色灯光——准许列车经道岔侧向位置,进入站内准备停车(如第27图);
(4)一个黄色闪光和一个黄色灯光——准许列车经过18号及以上道岔侧向位置,进入站内越过次一架已经开放的信号机,且该信号机防护的进路,经道岔的直向位置或18号及以上道岔的侧向位置(如第28图);
第27图 第28图
(5)一个红色灯光——不准列车越过该信号机(如第29图);
(6)一个绿色灯光和一个黄色灯光——准许列车经道岔直向位置,进入站内越过次一架已经开放的信号机准备停车(如第30图)。
第29图 第30图
2.四显示自动闭塞区段进站色灯信号机
(1)一个绿色灯光——准许列车按规定速度经道岔直向位置进入或通过车站,表示运行前方至少有三个闭塞分区空闲(如第25图);
(2)一个黄色灯光——准许列车按限速要求越过该信号机,经道岔直向位置进入站内正线准备停车(如第26图);
(3)两个黄色灯光——准许列车按限速要求越过该信号机,经道岔侧向位置进入站内准备停车(如第27图);
(4)一个黄色闪光和一个黄色灯光——准许列车经过18号及以上道岔侧向位置,进入站内越过次一架已经开放的信号机,且该信号机防护的进路,经道岔的直向位置或18号及以上道岔的侧向位置(如第28图);
(5)一个红色灯光——不准列车越过该信号机(如第29图)
(6)一个绿色灯光和一个黄色灯光——准许列车按规定速度越过该信号机,经道岔直向位置进入站内,表示次一架信号机开放一个黄灯(如第30图)。
第338条 进站及接车进路色灯信号机的引导信号显示一个红色灯光及一个月白色灯光——准许列车在该信号机前方不停车,以不超过20 km/h 速度进站或通过接车进路,并须准备随时停车(如第31图)。
第31图
第339条 出站色灯信号机显示下列信号:
1.三显示自动闭塞区段
(1)一个绿色灯光——准许列车由车站出发,表示运行前方至少有两个闭塞分区空闲(如第32图);

第32图
(2)一个黄色灯光——准许列车由车站出发,表示运行前方有一个闭塞分区空闲(如第33图);

第33图
(3)一个红色灯光——不准列车越过该信号机(如第34图);


第34图
(4)两个绿色灯光——准许列车由车站出发,开往半自动闭塞区间(如第35图);


第35图
(5)在兼作调车信号机时,一个月白灯光——准许越过该信号机调车(如第36图)。


第36图
2. 四显示自动闭塞区段
(1)一个绿色灯光——准许列车由车站出发,表示运行前方至少有三个闭塞分区空闲(如第37图);


第37图
(2)一个绿色灯光和一个黄色灯光——准许列车由车站出发,表示运行前方有两个闭塞分区空闲(如第38图);


第38图
(3)一个黄色灯光——准许列车由车站出发,表示运行前方有一个闭塞分区空闲(如第39图);


第39图
(4)一个红色灯光——不准列车越过该信号机(如第40图);


第40图
(5)两个绿色灯光——准许列车由车站出发,开往半自动闭塞区间(如第41图);

第41图
(6)在兼作调车信号机时,一个月白色灯光——准许越过该信号机调车(如第42图)。
3. 半自动闭塞区段
(1)一个绿色灯光——准许列车由车站出发(如第43图);


第42图


第43图
(2)一个红色灯光——不准列车越过该信号机(如第44图);


第44图
(3)两个绿色灯光——准许列车由车站出发,开往次要线路(如第45图);


第45图
(4)在兼作调车信号机时,一个月白色灯光——准许越过该信号机调车(如第46图)。


第46图
第340条 进路色灯信号机的显示:
1.接车进路色灯信号机的显示与进站色灯信号机相同。
2.发车进路色灯信号机显示下列信号(四显示自动闭塞区段除外)。
(1)一个绿色灯光——准许列车由车站经正线出发,表示出站和进路信号机均在开放状态(如第47图);


第47图
(2)一个黄色灯光——准许列车运行到次一色灯信号机之前准备停车(如第48图);

第48图
(3)一个绿色灯光和一个黄色灯光——准许列车按规定速度越过该信号机,表示该信号机列车运行前方至少有一架进路信号机在开放状态(如第49图);

第49图
(4)一个红色灯光——不准列车越过该信号机(如第50图)。

第50图
3. 四显示自动闭塞区段发车进路色灯信号机显示下列信号。
(1)一个绿色灯光——表示该信号机列车运行前方至少有两架信号机经道岔直向位置在开放状态(如第47图);
(2)一个绿色灯光和一个黄色灯光——表示该信号机列车运行前方至少有一架信号机经道岔直向位置在开放状态 (如第49图);
(3)一个黄色灯光——准许列车运行到次一色灯信号机之前准备停车(如第48图);
(4)一个红色灯光——不准列车越过该信号机(如第50图)。
4.接车或发车进路色灯信号机兼作调车信号机时,一个月白色灯光——准许越过该信号机调车(如第51图)。
5. 同时具有接车和发车进路功能的接发车进路色灯信号机的显示与接车、发车进路色灯信号机相同。
第341条 通过色灯信号机显示下列信号:

第51图
1. 三显示自动闭塞区段
(1)一个绿色灯光——准许列车按规定速度运行,表示运行前方至少有两个闭塞分区空闲(如第52图);
(2)一个黄色灯光——要求列车注意运行,表示运行前方有一个闭塞分区空闲(如第53图);
第52图 第53图
(3)一个红色灯光——列车应在该信号机前停车(如第54图)。
2. 四显示自动闭塞区段
(1)一个绿色灯光——准许列车按规定速度运行,表示运行前方至少有三个闭塞分区空闲(如第55图);
第54图 第55图
(2)一个绿色灯光和一个黄色灯光——准许列车按规定速度运行,要求注意准备减速,表示运行前方有两个闭塞分区空闲(如第56图);
(3)一个黄色灯光——要求列车减速运行,按规定限速要求越过该信号机,表示运行前方有一个闭塞分区空闲(如第57图);
(4)一个红色灯光——列车应在该信号机前停车(如第58图)。
第56图 第57图
第58图
3.半自动闭塞区段
(1)一个绿色灯光——准许列车按规定速度运行(显示方式参照第52图,但机构为二显示);
(2)一个红色灯光——不准列车越过该信号机(显示方式参照第54图,但机构为二显示)。
第342条 设有分歧道岔的线路所,当列车经过分歧道岔侧向运行时,色灯信号机应显示两个黄色灯光(同第27图);当分歧道岔为18号及以上道岔时,显示一个黄色闪光和一个黄色灯光(同第28图)。
自动闭塞区段防护分歧道岔的线路所通过信号机,其机构外形和显示方式,应与进站信号机相同,引导灯光应予封闭。该信号机显示红色灯光时,不准列车越过该信号机。
第343条 容许信号显示一个蓝色灯光——准许列车在通过色灯信号机显示红色灯光的情况下不停车,以不超过20 km/h的速度通过,运行到次一通过色灯信号机,并随时准备停车(如第59图)。
第344条 遮断色灯信号机显示一个红色灯光——不准列车越过该信号机;不着灯时,不起信号作用(如第60图)。
第59图 第60图
第345条 预告色灯信号机显示下列信号:
1.一个绿色灯光——表示主体信号机在开放状态(如第61图A);
2.一个黄色灯光——表示主体信号机在关闭状态(如第61图B)。
遮断信号机的预告信号机显示一个黄色灯光——表示遮断信号机显示红色灯光;不着灯时,不起信号作用(如第62图)。
第346条 接近色灯信号机显示下列信号:
1. 一个绿色灯光——表示进站信号机开放一个绿色灯光 (如第63图);
A B
第61图
第62图 第63图
2. 一个绿色灯光和一个黄色灯光——表示进站信号机开放一个黄色灯光或一个黄色闪光和一个黄色灯光(如第64图);
3. 一个黄色灯光——表示进站信号机在关闭状态或显示两个黄色灯光(如第65图)。
第64图 第65图
第347条 遮断及其预告信号机采用方形背板,并在机柱上涂有黑白相间的斜线,以区别于一般信号机(参照第60图、第62图)。
第348条 调车色灯信号机显示下列信号:
1.一个月白色灯光——准许越过该信号机调车(如第66图);

第66图
2.一个月白色闪光灯光——装有平面溜放调车区集中联锁设备时,准许溜放调车(如第67图);
3.一个蓝色灯光——不准越过该信号机调车(如第68图)。
第67图
第68图
不办理闭塞的站内岔线,在岔线入口处设置的调车信号机,可用红色灯光代替蓝色灯光(如第69图A)。
在尽头式到发线上,设置的起阻挡列车运行作用的调车信号机,应采用矮型三显示机构,用红色灯光代替蓝色灯光(如第69图B)。当该信号机的红色灯光熄灭、显示不明或显示不正确时,应视为列车的停车信号。
A B
第69图
第349条 驼峰色灯信号机显示下列信号:
1.一个绿色灯光——准许机车车辆按规定速度向驼峰推进(如第70图);
2.一个绿色闪光灯光——指示机车车辆加速向驼峰推进(如第71图);
第70图 第71图
3.一个黄色闪光灯光——指示机车车辆减速向驼峰推进(如第72图);
4.一个红色灯光——不准机车车辆越过该信号机或指示机车车辆停止作业(如第73图);
第72图 第73图
第74图
5.一个红色闪光灯光——指示机车车辆自驼峰退回(如第74图);
6.一个月白色灯光——指示机车到峰下(如第75图);
7.一个月白色闪光灯光——指示机车车辆去禁溜线(如第76图)。
第75图 第76图
第350条 驼峰色灯辅助信号机及驼峰色灯复示信号机显示下列信号:
一个黄色灯光——指示机车车辆向驼峰预先推送(三显示区段如第77图、四显示区段如第78图)。
当办理驼峰推送进路后,其灯光显示与驼峰色灯信号机显示相同。
第77图 第78图
到达场的驼峰色灯辅助信号机平时显示红色灯光,对到达列车起停车信号作用。
驼峰色灯复示信号机,采用透镜式色灯两个双机构的高柱信号机(如第79图)。灯光排列三显示区段为黄、绿、红、白,四显示区段为绿、红、黄、白,平时无显示。当办理驼峰推送进路后,其显示方式与驼峰信号机或驼峰色灯辅助信号机相同。当办理驼峰预先推送进路后,其显示方式与驼峰色灯辅助信号机相同。
第79图
第351条 色灯复示信号机分下列几种:
1.进站色灯复示信号机采用灯列式机构,显示下列信号。
(1)两个月白色灯光与水平线构成60°角显示——表示进站信号机显示列车经道岔直向位置向正线接车信号(如第80图);
(2)两个月白色灯光水平位置显示——表示进站信号机显示列车经道岔侧向位置接车信号(如第81图);
第80图 第81图
(3)无显示——表示进站信号机在关闭状态(如第82图)。
2. 出站及进路色灯复示信号机显示下列信号。
(1)一个绿色灯光——表示出站或进路信号机在开放状态(如第83图);
(2)无显示——表示出站或进路信号机在关闭状态。
第82图 第83图
第84图
3. 调车色灯复示信号机显示下列信号。
(1)一个月白色灯光——表示调车信号机在开放状态(如第84图);
(2)无显示——表示调车信号机在关闭状态。
进站、出站、进路、驼峰及调车色灯复示信号机均采用方形背板,以区别于一般信号机。
第352条 进站臂板信号机显示下列信号:
1.昼间红色主臂板及黄色通过臂板下斜45°角,红色辅助臂板与机柱重叠;夜间两个绿色灯光——准许列车按规定速度经正线通过车站,表示出站信号机在开放状态,进路上的道岔均开通直向位置(如第85图)。
第85图
2. 昼间红色主臂板下斜45°角,黄色通过臂板在水平位置,红色辅助臂板与机柱重叠;夜间一个绿色灯光和一个黄色灯光——准许列车经道岔直向位置,进入站内正线准备停车(如第86图)。
第86图
3. 昼间红色主臂板及辅助臂板下斜45°角,黄色通过臂板在水平位置;夜间一个绿色灯光和两个黄色灯光——准许列车经道岔侧向位置,进入站内准备停车(如第87图)。
第87图
4. 昼间红色主臂板及黄色通过臂板均在水平位置,红色辅助臂板与机柱重叠;夜间一个红色灯光和一个黄色灯光——不准列车越过该信号机(如第88图)。
第353条 出站臂板信号机显示下列信号:
1. 昼间红色臂板下斜45°角,夜间一个绿色灯光——准许列车由车站出发(如第89图);
第88图
第89图
2.昼间红色臂板在水平位置,夜间一个红色灯光——不准列车越过该信号机(如第90图);
第90图
3.昼间红色主臂板及辅助臂板下斜45°角,夜间一个绿色灯光和一个黄色灯光——准许列车由车站出发,开往次要线路(如第91图)。
第354条 通过臂板信号机显示下列信号:
1.昼间红色臂板下斜45°角,夜间一个绿色灯光——准许列车按规定速度运行(显示方式参照第89图);
第91图
2.昼间红色臂板在水平位置,夜间一个红色灯光——不准列车越过该信号机 (显示方式参照第90图);
3.有分歧线路的线路所通过臂板信号机,应按进站臂板信号机装设。
第355条 预告臂板信号机显示下列信号:
1.昼间黄色臂板下斜45°角,夜间一个绿色灯光——表示主体信号机在开放状态(如第92图);
2.昼间黄色臂板在水平位置,夜间一个黄色灯光——表示主体信号机在关闭状态(如第93图)。
第92图
第93图
第356条 电动臂板复示信号机显示下列信号:
1.昼间黄色臂板下斜45°角,夜间一个绿色灯光——表示主体臂板信号机在开放状态(如第94图);
第94图
2.昼间黄色臂板与机柱重叠,夜间无灯光——表示主体臂板信号机在关闭状态(如第95图)。
第95图
第357条 机车信号机显示下列信号:
1.三显示自动闭塞区段连续式机车信号机
(1)一个绿色灯光——准许列车按规定速度运行,表示列车接近的地面信号机显示绿色灯光(如第96图);
(2)一个半绿半黄色灯光——准许列车按规定速度注意运行,表示列车接近的地面信号机显示一个绿色灯光和一个黄色灯光(如第97图);
第96图
第97图
(3)一个黄色灯光——要求列车注意运行,表示列车接近的地面信号机显示一个黄色灯光,或相应的其他显示(如第98图);
第98图
(4)一个带“2”字的黄色闪光——要求列车注意运行,表示接近的地面信号机显示一个黄色灯光,预告次一架地面信号机开放经18号及以上道岔侧向位置进路,显示一个黄色闪光和一个黄色灯光(如第99图);
第99图
(5)一个带“2”字的黄色灯光——要求列车注意运行,表示接近的地面信号机显示一个黄色灯光,预告次一架地面信号机开放经道岔侧向位置的信号显示(如第100图);
(6)一个双半黄色闪光——要求列车限速运行,表示列车接近的地面信号机开放经18号及以上道岔侧向位置进路,且次一架信号机开放经道岔直向或18号及以上道岔侧向位置进路,或表示列车接近设有分歧道岔线路所的地面信号机开放经18号及以上道岔侧向位置进路,显示一个黄色闪光和一个黄色灯光,或其他相应显示 (如第101图);
第100图
第101图
(7)一个双半黄色灯光——要求列车限速运行,表示列车接近的地面信号机开放经道岔侧向位置的进路,显示两个黄色灯光,或其他相应显示 (如第102图);
第102图
(8)一个半黄半红色闪光——表示列车接近的进站或接车进路信号机开放引导信号或通过信号机显示容许信号(如第103图);
(9)一个半黄半红色灯光——要求及时采取停车措施,表示列车接近的地面信号机显示红色灯光(如第104图);

第103图
第104图
(10)一个红色灯光——表示列车已越过地面上显示红色灯光的信号机(如第105图);
第105图
(11)一个白色灯光——不复示地面上的信号显示,机车乘务人员应按地面信号机的显示运行(如第106图)。
第106图
无显示时,表示机车信号机在停止工作状态。
2.四显示自动闭塞区段连续式机车信号机
(1)一个绿色灯光——同三显示(如第107图);
第107图
(2)一个半绿半黄色灯光——同三显示(如第108图);
第108图
(3)一个黄色灯光——要求列车减速到规定的速度等级越过接近的显示一个黄色灯光的地面信号机,或其他相应显示(如第109图);
第109图
(4)一个带“2”字的黄色闪光——要求列车减速到规定的速度等级越过接近的显示一个黄色灯光的地面信号机,并预告次一架地面信号机显示一个黄色闪光和一个黄色灯光(如第110图);
(5)一个带“2”字的黄色灯光——要求列车减速到规定的速度等级越过接近的显示一个黄色灯光的地面信号机,并预告次一架地面信号机开放经道岔侧向位置的信号显示(如第111图);
第110图
第111图
(6)一个双半黄色闪光——同三显示(如第112图);
第112图
(7)一个双半黄色灯光——同三显示(如第113图);
第113图
(8)一个半黄半红色闪光——同三显示(如第114图);

第114图
(9)一个半黄半红色灯光——同三显示(如第115图);
第115图
(10)一个红色灯光——同三显示(如第116图);
第116图
(11)一个白色灯光——同三显示(如第117图)。
第117图
无显示时,表示机车信号机在停止工作状态。
3.接近连续式机车信号机的显示方式与连续式机车信号机相同。
第十七章 移动信号及手信号
移 动 信 号
第358条 移动信号显示方式如下:
1. 停车信号
昼间——红色方牌;夜间——柱上红色灯光(如第118图)。
第118图
2. 减速信号
(1)昼间——黄色圆牌;夜间——柱上黄色灯光(如第119图)。减速信号牌为黄底黑字,应标明列车限制速度。
第119图
(2)施工及其限速区段,按不同速度等级列车(最高运行速度大于120 km/h的旅客列车、行邮列车及最高运行速度为120 km/h的货物列车、行包列车)的紧急制动距离,在原减速信号牌外方增设特殊减速信号牌,昼间与夜间均为黄底黑T字圆牌(如第120图)。
3. 减速防护地段终端信号
昼间——绿色圆牌;夜间——柱上绿色灯光(如第121图)。在单线区段,司机在昼间应看线路右侧减速信号牌背面的绿色圆牌,在夜间应看柱上的绿色灯光。
第120图
第121图
第359条 在站内线路上检查、修理、整备车辆时,应在列车两端来车方向的左侧钢轨上,设置带有脱轨器的固定或移动信号牌(灯)进行防护,前后两端的防护距离均应不小于20 m(如第122图);不足20 m时,应将道岔锁闭在不能通往该线的位置。
第122图
旅客列车在到发线上进行技术检查时,用停车信号防护,可不设脱轨器。
响墩及火炬信号
第360条 响墩爆炸声及火炬信号的火光(如第123、124图),均要求紧急停车。停车后如无防护人员,机车乘务人员应立即检查前方线路,如无异状,列车以在瞭望距离内能随时停车的速度继续运行,但最高不得超过20 km/h。在自动闭塞区间,运行至前方第一个通过信号机前,如无异状,即可按该信号机显示的要求执行;在半自动闭塞区间,经过1 km后,如无异状,可恢复正常速度运行。
第123图
第124图
无线调车灯显信号
第361条 使用无线调车灯显制式(如第125图)的信号显示方式如下:
第125图
1.一个红灯——停车信号。
2.一个绿灯——推进信号。
3.绿灯闪数次后熄灭——起动信号。
4.绿、红灯交替后绿灯长亮——连结信号。
5.绿、黄灯交替后绿灯长亮——溜放信号。
6.黄灯闪后绿灯长亮——减速信号。
7.黄灯长亮 —— 十、五、三车距离信号。
(1)十车距离信号(加辅助语音提示);
(2)五车距离信号(加辅助语音提示);
(3)三车距离信号(加辅助语音提示)。
8.两个红灯——紧急停车信号。
9. 先两个红灯后熄灭一个红灯——解锁信号。
手 信 号
第362条 列车运行时,有关人员应遵守下列手信号的显示。
1. 停车信号:要求列车停车。
昼间——展开的红色信号旗;夜间——红色灯光(如第126图)。
第126图
昼间无红色信号旗时,两臂高举头上向两侧急剧摇动;夜间无红色灯光时,用白色灯光上下急剧摇动(如第127图)。
2. 减速信号:要求列车降低到要求的速度。
昼间——展开的黄色信号旗;夜间——黄色灯光(如第128图)。
昼间无黄色信号旗时,用绿色信号旗下压数次;夜间无黄色灯光时,用白色或绿色灯光下压数次(如第129图)。
第127图
第128图
第129图
3. 发车指示信号:要求运转车长显示发车信号。
昼间——高举展开的绿色信号旗靠列车方面上下缓动;夜间——高举绿色灯光上下缓动(如第130图)。
4. 发车信号:要求司机发车。
昼间——展开的绿色信号旗上弧线向列车方面作圆形转动;夜间——绿色灯光上弧线向列车方面作圆形转动(如第131图)。
第130图
第131图
在设有发车表示器的车站,按发车表示器显示发车。
5. 通过手信号:准许列车由车站(场)通过。
昼间——展开的绿色信号旗;夜间——绿色灯光(如第132图)。
第132图
6. 引导手信号:准许列车进入车场或车站。
昼间——展开的黄色信号旗高举头上左右摇动;夜间——黄色灯光高举头上左右摇动(如第133图)。

第133图
7.特定引导手信号显示方式:昼间为展开绿色信号旗高举头上左右摇动,夜间为绿色灯光高举头上左右摇动(如第134图)。

第134图
第363条 调车手信号的显示方式如下:
1. 停车信号
显示方式与第362条第1项第126图相同。
2. 减速信号
昼间——展开的绿色信号旗下压数次:夜间——绿色灯光下压数次(显示方式参照第129图)。
3. 指挥机车向显示人方向来的信号
昼间——展开的绿色信号旗在下部左右摇动;夜间——绿色灯光在下部左右摇动(如第135图)。
第135图
4. 指挥机车向显示人方向稍行移动的信号
昼间——拢起的红色信号旗直立平举,再用展开的绿色信号旗左右小动;夜间——绿色灯光下压数次后,再左右小动(如第136图)。
第136图
5. 指挥机车向显示人反方向去的信号
昼间——展开的绿色信号旗上下摇动;夜间——绿色灯光上下摇动(如第137图)。
6. 指挥机车向显示人反方向稍行移动的信号
昼间——拢起的红色信号旗直立平举,再用展开的绿色旗上下小动;夜间——绿色灯光上下小动(如第138图)。
第137图
第138图
对显示本条第2、3、4、5、6项中转信号时,昼间可用单臂,夜间可用白色灯光依式中转。
第364条 联系用手信号的显示方式如下:
1. 过标信号:列车整列进入警冲标内方,运转车长与接车人员显示的信号。
昼间——拢起的手信号旗作圆形转动(如第139图);夜间——白色灯光作圆形转动(如第140图)。
第139图
2. 互检信号:运转车长与接发车人员、巡道人员,或在双线区段列车交会时,与邻线的运转车长显示的互检信号,以示列车安全运行。
第140图
昼间——拢起的手信号旗高举;夜间——白色灯光高举(如第141图)。
3. 道岔开通信号:表示进路道岔准备妥当。
昼间——拢起的黄色信号旗高举头上左右摇动;夜间——白色灯光高举头上(如第142图)。
机车出入段进路道岔准备妥当后,显示如下道岔开通信号:
第141图
第142图
昼间——展开的黄色信号旗高举头上左右摇动;夜间——黄色灯光高举头上左右摇动(如第143图)。
第143图
4. 股道号码信号:要道或回示股道开通号码。
一道:昼间——两臂左右平伸;夜间——白色灯光左右摇动(如第144图)。
第144图
二道:昼间——右臂向上直伸,左臂下垂;夜间——白色灯光左右摇动后,从左下方向右上方高举(如第145图)。
三道:昼间——两臂向上直伸;夜间——白色灯光上下摇动(如第146图)。
四道:昼间——右臂向右上方,左臂向左下方各斜伸45°角;夜间——白色灯光高举头上左右小动(如第147图)。
五道:昼间——两臂交叉于头上;夜间——白色灯光作圆形转动(如第148图)。
第145图
第146图
第147图
第148图
六道:昼间——左臂向左下方,右臂向右下方各斜伸45°角;夜间——白色灯光作圆形转动后,再左右摇动(如第149图)。
第149图
七道:昼间——右臂向上直伸,左臂向左平伸;夜间——白色灯光作圆形转动后,左右摇动,然后再从左下方向右上方高举(如第150图)。
八道:昼间——右臂向右平伸,左臂下垂;夜间——白色灯光作圆形转动后,再上下摇动(如第151图)。
第150图
第151图
九道:昼间——右臂向右平伸,左臂向右下斜45°角;夜间——白色灯光作圆形转动后,再高举头上左右小动(如第152图)。
第152图
十道:昼间——左臂向左上方,右臂向右上方各斜伸45°角;夜间——白色灯光左右摇动后,再上下摇动作成十字形(如第153图)。
十一至十九道,须先显示十道股道号码,再显示所要股道号码的个位数信号。
二十道及以上的股道号码,各站根据需要自行规定,并纳入《站细》。
第153图
5. 连结信号:表示连挂作业。
昼间——两臂高举头上,使拢起的手信号旗杆成水平末端相接;夜间——红、绿色灯光(无绿色灯光的人员,用白色灯光)交互显示数次(如第154图)。
6. 溜放信号:表示溜放作业。
昼间——拢起的手信号旗两臂高举头上交叉后,急向左右摇动数次;夜间——红色灯光作圆形转动(如第155图)。
第154图
第155图
7. 停留车位置信号:表示车辆停留地点。
夜间——白色灯光左右小摇动(如第156图)。
第156图
8. 十、五、三车距离信号:表示推进车辆的前端距被连挂车辆的距离。
昼间——展开的绿色信号旗单臂平伸;夜间——绿色灯光。在距离停留车十车(约110 m)时连续下压三次,五车(约55 m)时连续下压两次,三车(约 33 m)时下压一次(如第157图)。
第157图
9. 取消信号:通知将前发信号取消。
昼间——拢起的手信号旗,两臂于前下方交叉后,急向左右摇动数次;夜间——红色灯光作圆形转动后,上下摇动(如第158图)。
10. 要求再度显示信号:前发信号不明,要求重新显示。
昼间——拢起的手信号旗右臂向右方上下摇动;夜间——红色灯光上下摇动(如第159图)。
11. 告知显示错误的信号:告知对方信号显示错误。
第158图
第159图
昼间——拢起的手信号旗两臂左右平伸同时上下摇动数次;夜间——红色灯光左右摇动(如第160图)。
第160图
第365条 在显示手信号时,凡昼间持有手信号旗的人员,应将信号旗拢起,左手持红旗,右手持绿旗(扳道员右手持黄旗),不持信号旗的人员徒手按各该条规定方式显示信号。
第366条 试验列车自动制动机的手信号显示方式如下:
1. 制动
昼间——用检查锤高举头上;夜间——白色灯光高举(如第161图)。
第161图
2. 缓解
昼间——用检查锤在下部左右摇动;夜间——白色灯光在下部左右摇动(如第162图)。
3. 试验完了
昼间——用检查锤作圆形转动;夜间——白色灯光作圆形转动(如第163图)。
第162图
第163图
车站值班员或运转车长,显示上述信号时,昼间可用拢起的信号旗代替。司机应注意瞭望试验信号,并按规定鸣笛回答。
如列车制动主管未达到规定压力,试验人员要求司机继续充风时,按照缓解的信号同样显示。
第367条 突然发现接触网故障,需要机车临时降弓通过时,发现的人员应在规定地点显示下列手信号:
1. 降弓手信号
昼间——左臂垂直高举,右臂前伸并左右水平重复摇动;夜间——白色灯光上下左右重复摇动(如第164图)。
2. 升弓手信号
昼间——左臂垂直高举,右臂前伸并上下重复摇动;夜间——白色灯光作圆形转动(如第165图)。
第164图
第165图
第十八章 信号表示器及标志
信号表示器
第368条 道岔表示器的显示方式如下:
1. 昼间无显示;夜间为紫色灯光——表示道岔位置开通直向(如第166图)。

第166图
2. 昼间为中央划有一条鱼尾形黑线的黄色鱼尾形牌;夜间为黄色灯光——表示道岔位置开通侧向(如第167图)。

第167图
3. 在调车区为集中联锁时,进行连续溜放作业的分歧道岔应有道岔表示器,平时无显示,当进行溜放作业时,其显示方式如下:
(1)紫色灯光——表示道岔开通直向(如第168图A);
(2)黄色灯光——表示道岔开通侧向(如第168图B)。
A
B
第168图
第369条 脱轨表示器的显示方式如下:
1.昼间为带白边的红色长方牌;夜间为红色灯光——表示线路在遮断状态(如第169图)。

第169图
2. 昼间为带白边的绿色圆牌;夜间为月白色灯光——表示线路在开通状态(如第170图)。

第170图
第370条 进路表示器仅在其主体信号机开放后,才能着灯,用于区别进路开通方向或双线区段反方向发车,不能独立构成信号显示。
1. 两个发车方向,当信号机在开放的条件下,分别按左、右两个白色灯光,区别进路开通方向。
2. 三个发车方向,其显示方式如下:
(1)信号机在开放状态及机柱左方显示一个白色灯光——表示进路开通,准许列车向左侧线路发车(如第171图);
(2)信号机在开放状态及机柱中间显示一个白色灯光——表示进路开通,准许列车向中间线路发车(如第172图);
第171图
第172图
(3)信号机在开放状态及机柱右方显示一个白色灯光——表示进路开通,准许列车向右侧线路发车(如第173图)。
3. 四个及以上发车方向,进路表示器按灯光排列表示。
四个发车方向(A、B、C、D方向)显示方式如下:
(1)信号机在开放状态及表示器左方横向显示两个白色灯光——表示进路开通,准许列车向左侧A方向线路发车(如第174图);
第173图
第174图
(2)信号机在开放状态及表示器左方斜向显示两个白色灯光——表示进路开通,准许列车向左侧B方向线路发车(如第175图);
(3)信号机在开放状态及表示器右方斜向显示两个白色灯光——表示进路开通,准许列车向右侧C方向线路发车(如第176图);
第175图 第176图
(4)信号机在开放状态及表示器右方横向显示两个白色灯光——表示进路开通,准许列车向右侧D方向线路发车(如第177图)。
五个发车方向(A、B、C、D、E方向)显示方式如下:
(1)同四个发车方向的第(1)项——表示进路开通,准许列车向左侧A方向线路发车(如第174图);
(2)同四个发车方向的第(2)项——表示进路开通,准许列车向左侧B方向线路发车(如第175图);
(3)信号机在开放状态及表示器中间竖向显示两个白色灯光——表示进路开通,准许列车向中间C方向线路发车(如第178图);
第177图 第178图
(4)同四个发车方向的第(3)项——表示进路开通,准许列车向右侧D方向线路发车(如第176图);
(5)同四个发车方向的第(4)项——表示进路开通,准许列车向右侧E方向线路发车(如第177图)。
4. 双线区段仅用于区分反方向发车,其显示方式如下:
(1)信号机在开放状态且表示器不着灯——准许列车正方向发车(如第179图)。
(2)信号机在开放状态及表示器显示一个白色灯光——准许列车反方向发车(如第180图)。
第179图 第180图
第371条 发车线路表示器在线群出站信号机开放后显示一个白色灯光——准许该线路上的列车发车(如第181图)。
第181图
不许发车的线路,所属该线路的发车线路表示器不能着灯。
发车线路表示器可用于驼峰调车场,作为调车线路表示器,显示一个白色灯光——准许调车。
第372条 发车表示器经常不着灯;显示一个白色灯光——表示运转车长准许发车(如第182图)。
第182图
第373条 调车表示器的显示方式如下:
1. 向调车区方向显示一个白色灯光——准许机车车辆自调车区向牵出线运行(如第183图);
2. 向牵出线方向显示一个白色灯光——准许机车车辆自牵出线向调车区运行(如第184图);
3. 向牵出线方向显示两个白色灯光——准许机车车辆自牵出线向调车区溜放(如第185图)。
第183图
第184图 第185图
第374条 车挡表示器设置在线路终端的车挡上,昼间一个红色方牌;夜间显示一个红色灯光(如第186图)。
第186图
安全线及避难线可不设置车挡表示器。
线路标志及信号标志
第375条 线路标志: 公里标、半公里标、百米标、曲线标、圆曲线和缓和曲线的始终点标、桥梁标、隧道标、涵渠标、坡度标及铁路局、工务段、线路车间、线路工区和供电段的界标。
信 号标志:警冲标、站界标、预告标、引导员接车地点标、放置响墩地点标、司机鸣笛标、作业标、减速地点标、桥梁减速信号标、补机终止推进标、机车停车位置标 和电气化区段的断电标、合电标、接触网终点标、准备降下受电弓标、降下受电弓标、升起受电弓标、四显示区段机车信号通断标、点式标、调谐区标,以及除雪机 用的临时信号标志等。
第376条 线路、信号标志内侧设在距线路中心应不小于3.1 m处(警冲标除外)。
线路标志,按计算公里方向设在线路左侧。双线区段须另设线路标志时,应设在列车运行方向左侧。
1. 公里标、半公里标、百米标,设在一条线路自起点计算每一整公里、半公里、百米处(如第187图)。
2. 曲线标,设在曲线中点处,标明曲线中心里程、半径大小、曲线和缓和曲线长度(如第188图)。


第187图
第188图
3. 圆曲线和缓和曲线始终点标,设在直缓、缓圆、圆缓、缓直各点处,标明所向方向为直线、圆曲线或缓和曲线(如第189图)。
4. 桥梁标,设在桥梁两端桥头处,标明桥梁编号、中心里程和长度(如第190图)。
5.涵渠标,设在涵渠两端处,标明涵渠孔跨式样和中心里程(如第191图)。
6. 隧道(明洞)标,直接标注在隧道(明洞)两端洞门端墙上,标明隧道号或名称、中心里程和长度(如第192图)。
第189图
第190图
第191图
第192图
7. 坡度标,设在线路坡度的变坡点处,两侧各标明其所向方向的上、下坡度值及其长度(如第193图)。

第193图
8.铁路局、工务段、线路车间、线路工区和供电段的管界标,设在各该单位管辖地段的分界点处,两侧标明所向的单位名称(如第194图)。
第194图
信号标志,设在列车运行方向左侧(警冲标除外)。
第195图
1. 警冲标,设在两会合线路线间距离为4 m的中间。线间距离不足4 m时,设在两线路中心线最大间距的起点处(如第195图)。在线路曲线部分所设道岔附近的警冲标与线路中心线间的距离,应按限界的加宽增加。
2. 站界标,设在双线区间列车运行方向左侧最外方顺向道岔(对向出站道岔的警冲标)外不小于50 m处,或邻线进站信号机相对处(如第196图)。
3.预告标,设在进站信号机外方900 m、1 000 m 及1 100 m处(如第197图),但在设有预告信号机及自动闭塞的区段,均不设预告标。
第196图
长度单位:m
第197图
在双线区间,退行的列车看不见邻线的预告标时,在距站界外1 100 m处特设一个预告标(如第198图)。
长度单位:m
第198图
4. 引导员接车地点标,列车在距站界200m以外,不能看见引导人员在进站信号机或站界标处显示的手信号时,须在列车距站界200 m外能清晰地看见引导人员手信号的地点设置(如第199图)。
5. 司机鸣笛标,设在道口、大桥、隧道及视线不良地点的前方500 m~1 000 m处。司机见此标志,须长声鸣笛(如第200图)。
第199图 第200图
6. 在电气化区段分相绝缘器前方,分别设断电标(如第201图)、禁止双弓标(如第202图)。对于最高运行速度大于120 km/h的旅客列车、行邮列车及最高运行速度为120 km/h的货物列车、行包列车运行的线路,在断电标的前方增设特殊断电标(如第201图)。在分相绝缘器后方设合电标(如第203图)。设置位置如第204图。在双线电气化区段,在“合”、“断”电标背面,可分别加装“断”、“合”字标,作为反方向行车的“断”、“合”电标使用。
第201图
第202图 第203图
长度单位:m
第204图
7. 接触网终点标,设在站内接触网边界(如第205图)。
第205图
第206图
8. 在电气化线路接触网故障降弓地段前方,分别设准备降下受电弓标(如第206图)、降下受电弓标(如第207图);对于最高运行速度大于120 km/h的旅客列车、行邮列车及最高运行速度为120 km/h的货物列车、行包列车运行的线路,在降下受电弓标的前方增设特殊降弓标(如第207图)。在降弓地段后方,设升起受电弓标(如第208图)。设置位置如第209图。
第207图
第208图
长度单位:m
第209图
9. 作业标,设在施工线路及其邻线距施工地点两端500 m~1 000 m 处(如第210图)。司机见此标志须提高警惕,长声鸣笛。
第210图
10. 减速地点标,设在需要减速地点的两端各20 m处。正面表示列车应按规定限速通过地段的始点,背面表示列车应按规定限速通过地段的终点(如第211图)。
第211图
11.桥梁减速信号牌为黄底、黑色图案、黑字,上部标明客车限制速度、下部标明货车限制速度。当客车或货车不需要限速时,标明客车或货车的允许速度(如第212图)。
12. 补机终止推进标(如第213图)、机车停车位置标(如第214图),设置位置由铁路局规定。
13. 四显示机车信号接通标(机车信号接通标):
第212图 第213图
第214图
涂有白底色、黑竖线、黑框的反光菱形板及黑白相间的立柱标志(如第215图)。
14. 四显示机车信号断开标:
涂有白底色、中间断开的黑横线、黑框的反光菱形板及黑白相间的立柱标志(如第216图)。
第215图 第216图
15. 轨道电路调谐区标志:
Ⅰ型为反向区间停车位置标,涂有白底色、黑框、黑“停”字、斜红道,标明调谐区长度的反光菱形板标志(如第217图)。
II型为反方向行车困难区段的容许信号标,涂有黄底色、黑框、黑“停”字、斜红道,标明调谐区长度的反光菱形板标志(如第218图)。
第217图 第218图
Ⅲ型用于反方向运行合并轨道区段之间的调谐区或因轨道电路超过允许长度而设立分隔点调谐区标志,涂有蓝底色、白“停”字、斜红道,标明调谐区长度的反光菱形板标志(如第219图)。
以上三种调谐区标志均使用黑白相间的立柱。
16. 点式设备标:涂有黄底色、黑框的反光直角三角形板及黑白相间的立柱标志,三角形底角指向线路点式设备中心(如第220图)。
第219图 第220图
第377条 通知操纵除雪机人员的临时信号标志如下:
1. 除雪机工作阻碍标——表示前面有道口、道岔、桥梁等建筑物,妨碍除雪机在工作状态下通过;
2. 除雪机工作阻碍解除标——表示已通过阻碍地点。
上述标志的设置如第221图。
长度单位:m
第221图
线路安全保护标志
第378条 铁路线路安全保护区的范围按《铁路运输安全保护条例》的规定执行。线路安全保护区标桩分为A型(如第222图A)、B型(如第222图B)两种。
A型标桩为基本型,沿铁路线路安全保护区边界每200 m左右设置一个,特殊地段可增加或减少设置数量,人烟稀少地区可不设置。
B型标桩为辅助型,适于在人员活动频繁地段的道口、桥隧两端、公路立交桥附近醒目地点、居民区附近和人身伤害事故多发地段的铁路线路安全保护区边界设置。
A B
第222图
标桩在铁路线路两侧规定距离设置时,应与线路另一侧标桩相错埋设。
第379条 在下列地点应设置警示、保护标志:
1. 在铁路桥梁、隧道的两端,设严禁通过标(如第223图A);
2. 在铁路桥梁跨越河道上下游规定的地点,设严禁采砂标(如第223图B);
3. 在铁路信号、通信光(电)缆埋设、铺设地点,设电缆标(如第223图C);
4. 在电气化铁路接触网、自动闭塞供电线路和电力贯通线路等电力设施附近易发生危险的地方,设严禁进入标(如第223图D)。
第223图
第380条 在铁路线路允许行人、自行车通过,禁止机动车通过的人行过道应设置人行过道路障桩(如第224图)。
第224图
列 车 标 志
第381条 列车应根据其种类及运行的线路和方向,在头部和尾部分别显示不同的列车标志。列车标志的显示方式,昼间与夜间相同,但昼间不点灯,其显示方式如下:
1. 列车在双线区段正方向及单线区段运行时,机车前端一个头灯及中部右侧一个白色灯光(如第225图)。列车尾部两个侧灯,向后显示红色灯光,向前显示白色灯光;挂有列尾装置时,为列尾装置向后显示红白相间的反射标志和一个红色闪光灯光(如第226图)。
第225图
第226图
2.列车在双线区段反向运行时,机车前端一个头灯及中部右侧一个红色灯光(如第227图);列车尾部标志与本条第1项同。
3.列车推进运行时,列车前端两个侧灯,向前显示红色灯光,向后显示白色灯光;挂有列尾装置时,为列尾装置向前显示红白相间的反射标志和一个红色闪光灯光(如第228图)。机车后端中部左侧一个红色灯光(如第229、230图)。
第227图
第228图
第229图
第230图
列车在双线区段正向推进运行时,列车前端向前显示左侧一个红色灯光,右侧一个白色灯光,向后显示左侧一个白色灯光;挂有列尾装置时,为列尾装置向前显示红白相间的反射标志和一个红色闪光灯光(如第231图)。
4. 列车后端挂有补机时,机车后端标志与本条第3项同。
5. 单机在双线区段正方向及单线区段运行时,机车前端标志与本条第1项同;后端标志与本条第3项同。
第231图
6.单机在双线区段反方向运行时,机车前端标志与本条第2项同;后端标志与本条第3项同。
7.调车机车及机车出入段时,机车前端标志与本条第1项同;机车后端中部左侧一个白色灯光(如第232图)。
8. 重型轨道车运行时,前端一个白色灯光(如第233图);后端一个红色灯光(如第234图)。
第232图
第233图 第234图
第十九章 听 觉 信 号
第382条 听觉信号,长声为3s,短声为1s,音响间隔为1s。重复鸣示时,须间隔5s以上。
第383条 机车、轨道车鸣笛鸣示方式见第34表。
第34表 机车、轨道车鸣笛鸣示方式表
名 称 | 鸣示方式 | 使 用 时 机 |
起 动 注意信号 | 一长声 — | 1.列车起动或机车车辆前进时(双机牵引或使用补机时,本务机车鸣笛后,补机应回答,本务机车再鸣笛一长声后起动) 2.接近车站、鸣笛标、曲线、道口、桥梁、隧道、行人、施工地点、黄色信号、引导信号、容许信号或天气不良时 3.自动闭塞区间,通过信号机前停车后,能继续运行,通知运转车长时 4.电力机车在检修及整备中,准备降下或升起受电弓时 |
退行信号 | 二长声 — — | 列车、机车车辆、单机开始退行时 |
召集信号 | 三长声 — — — | 要求防护人员撤回时 |
牵引信号 | 一长一短声 — · | 途中本务机车要求补机牵引运行时(补机应以同样信号回答) |
续上表
名 称 | 鸣示方式 | 使 用 时 机 |
惰行信号 | 一长二短声 —·· | 本务机车要求补机惰力推进时(补机应以同样信号回答) |
途中降弓 信 号 | 一短一长声 · — | 1.电力机车双机牵引,本务机车司机要求补机降下受电弓时(补机应以同样信号回答) 2.电力机车司机在途中发现降弓手信号时,应鸣此信号回示 |
呼唤信号 | 二短一长声 ·· — | 1.机车要求出入段时 2.在车站要求显示信号时 |
警报信号 | 一长三短声 —··· | 1.发现线路有危及行车安全的不良处所时 2.列车发生重大、大事故及其他需要救援情况时 3.列车在区间内停车后,不能立即运行,通知运转车长时 |
试验自动 制动机及 复示信号 | 一短声 · | 1.试验制动机开始减压时 2.接到试验制动结束的手信号,回答试风人员时 3.调车作业中,表示已接受调车长所发出的手信号时 |
缓解及溜 放信号 | 二短声 ·· | 1.试验制动机缓解时 2.要求列车乘务组缓解人力制动机时 3.复示溜放调车信号时 |
拧紧人力 制动机 信号 | 三短声 ··· | 1.要求列车乘务组拧紧人力制动机时 2.要求就地制动时 |
紧急停车 信 号 | 连续短声 ······· | 司机发现(或接到通知)邻线发生障碍,向邻线上运行的列车发出紧急停车信号时。邻线列车司机听到此种信号后,应紧急停车 |
第384条 口笛、号角鸣示方式见第35表。
第35表 口笛、号角鸣示方式表
用途及时机 | 鸣 示 方 式 | ||
发车、指示机车向显示人反方向移动 | 一长声 | — | |
指示机车向显示人方向移动 | 一短一长声 | ·— | |
指示发车 | 一长一短声 | —· | |
试验制动机减压 | 一短声 | · | |
试验制动机缓解 | 二短声 | ·· | |
试验制动机完了及安全信号 | 一短一长二短声 | ·—·· | |
一 道 | 一短声 | · | |
二 道 | 二短声 | ·· | |
三 道 | 三短声 | ··· | |
四 道 | 四短声 | ···· | |
五 道 | 五短声 | ····· | |
六 道 | 一长一短声 | —· | |
七 道 | 一长二短声 | —·· | |
八 道 | 一长三短声 | —··· | |
九 道 | 一长四短声 | — ···· | |
十 道 | 二长声 | — — | |
二十道 | 二短二长声 | ·· — — | |
十、五、三车距离信号 | 十车 | 三短声 | ··· |
五车 | 二短声 | ·· | |
三车 | 一短声 | · | |
续上表
用途及时机 | 鸣 示 方 式 | ||
连结及停留车位置 | 一长一短 一长声 | —·— | |
停 车 | 连续短声 | ····· | |
要求司机鸣笛 | 二长三短声 | — —··· | |
试 拉 | 一短声 | · | |
减 速 | 连续二短声 | ·· ·· | |
溜 放 | 三长声 | — — — | |
取 消 | 二长一短声 | — —· | |
再显示 | 二长二短声 | — —·· | |
列车接近通报信号 | 上行 | 二长声 | — — |
下行 | 一长声 | — | |
第四编 对铁路工作
人员的要求
第385条 铁路行车有关人员,在任职、提职、改职前,必须经过拟任职业的任职资格培训,并经职业技能鉴定、岗位任职资格考试合格,取得相应等级的职业资格证书和相关岗位任职资格后方可任职。
在任职期间,应按规定周期参加任职岗位适应性培训和业务考试,考试不合格的,不得上岗作业。
第386条 铁路行车有关人员,在任职前必须经过健康检查,身体条件不符合拟任岗位职务要求的,不得上岗作业。
在任职期间,要定期进行身体检查,身体条件不符合任职岗位要求的,应调整工作岗位。
第387条 对行车有关人员,应加强日常安全生产知识和劳动纪律的教育、考核,并有计划地组织好在职人员的日常政治和技术业务学习。
第388条 驾驶机车、动车组、动车、自轮运转特种设备的人员,必须持有铁道部颁发的驾驶证。变更驾驶机型前,必须经过相应的技术培训并考试合格。
实习和学习驾驶机车、动车组、动车、自轮运转特种设备和操纵信号或重要机械、设备及办理行车作业的人员,必须在正式值乘、值班人员的亲自指导和负责下,方准操作。
第389条 铁路行车有关人员在执行职务时,必须坚守岗位,穿着规定的服装,佩戴易于识别的证章或携带相应证件,讲普通话。
第390条 铁路行车有关人员,接班前须充分休息,严禁饮酒,如有违反,立即停止其所承担的任务。
第391条 行车公寓是专为乘务人员服务的生产设施,应有良好的通信、叫班管理设备和乘务管理设备,有生活、服务、学习、文娱、健身等设施。应保证乘务人员随到随宿,不间断地供给热食及开水。室内应有卫浴设施,经常保持适当的温度,整洁和安静的休息条件;室外应绿化、美化。
铁路各级领导应关心公寓工作,铁路局长每半年至少检查一次公寓工作。
第392条 铁路职工必须严格遵守和执行本规程的规定,在自己的职务范围内,以对国家和人民极端负责的态度,保证安全生产。
第393条 铁路各单位对遵守本规程成绩突出者,应予表扬或奖励;对违反者,应视其违反程度和造成事故的性质、情节及后果,给予教育、纪律处分或追究法律责任。
附 则
第394条 本规程由中华人民共和国铁道部负责解释。
第395条 本规程自2007年4月1日起施行。其他凡与本规程有抵触的,一律以本规程为准。
附图1 建筑限界
1.客货共线铁路建筑限界(v≤160 km/h)
(1)基本建筑限界图

单位:mm
信号机建筑限界(正线不适用)。
站台建筑限界(正线不适用)。
各种建筑物的基本限界。
适用于电力牵引区段的跨线桥、天桥及雨棚等建筑物。
电力牵引区段的跨线桥在困难条件下的最小高度。
旅客站台上柱类建筑物距站台边缘不小于1 500 mm,建筑物距站台边缘不小于2 000 mm。旅客站台分为低站台、高站台,低站台高度为300 mm、500 mm,高站台高度为1 250 mm。货物站台的高度为1 100 mm。在非电气化区段的车站上,车辆调动频繁的站场内,天桥的高度不小于5 800 mm。
货物高站台边缘(只适用于线路的一侧)在高出轨面距离1 100 mm~4 800 mm间,距线路中心线距离可按1 850 mm设计。
曲线上基本建筑限界加宽办法
曲线内侧加宽(mm):
曲线外侧加宽(mm):
![]()
曲线内外侧加宽共计(mm):
![]()
式中 R——曲线半径(m);
H——计算点自轨面算起的高度(mm);
h——外轨超高(mm)。
的值也可用内侧轨顶为轴,将有关限界旋转
角(
)求得。
(2)基本建筑限界图(车库门等)

单位:mm
适用于新建及改建使用内燃机车、车辆的车库门、转车盘、洗罐线、加冰线、机车走行线上各种建筑物,也适用于旅客列车到发线及超限货车不进入的线路上的雨棚。
适用于使用电力机车的上述各种建筑物。
X的值根据接触网的高度(有或无承力索)决定。
(3)隧道建筑限界图(内燃牵引区段)

单位:mm
基本建筑限界。
(4)隧道建筑限界图(电力牵引区段)

单位:mm
基本建筑限界。
曲线上隧道建筑限界加宽办法
曲线内侧加宽(mm):
![]()
曲线外侧加宽(mm):
![]()
式中 R——曲线半径(m);
H——计算点自轨面算起的高度(mm);
h——外轨超高(mm)。
(5)桥梁建筑限界图(内燃牵引区段)

单位:mm
基本建筑限界。
(6)桥梁建筑限界图(电力牵引区段)

单位:mm
基本建筑限界。
2.客货共线铁路建筑限界(160 km/h<v≤200 km/h)
(1)基本建筑限界图

单位:mm
信号机建筑限界(正线不适用)。
站台建筑限界(正线不适用)。
各种建筑物的基本限界。
适用于电力牵引区段的跨线桥、天桥及雨棚等建筑物。
电力牵引区段的跨线桥在困难条件下的最小高度。
(2) 桥隧建筑限界图(内燃牵引区段)

单位:mm
基本建筑限界。
(3)桥隧建筑限界图(电力牵引区段)

单位:mm
基本建筑限界。
曲线上建筑限界加宽办法
曲线上基本建筑限界和隧道建筑限界加宽办法同客货共线铁路(v≤160 km/h)曲线上建筑限界加宽办法。
3.铁路双层集装箱运输装载限界及客货共线铁路双层集装箱运输建筑限界
(1)双层集装箱运输装载上部限界图

单位:mm
电力机车上部限界。
﹡处电力机车尺寸为1 675 mm。
(2)双层集装箱运输基本建筑限界图(内燃牵引区段)

单位:mm
客货共线铁路基本建筑限界。
(3)双层集装箱运输基本建筑限界图(电力牵引区段)

单位:mm
客货共线铁路基本建筑限界。
接触网导线的最低高度为6 330 mm。
h为接触网结构高度。弹性悬挂时,200 km/h地段为1 100 mm,160 km/h及以下地段为700 mm;采用刚性悬挂,结构高度另定。
(4)双层集装箱运输桥隧建筑限界图(内燃牵引区段)

单位:mm
双层集装箱运输基本建筑限界。
(5)双层集装箱运输桥隧建筑限界图(电力牵引区段)

单位:mm
双层集装箱运输基本建筑限界。
接触网导线的最低高度为6 330 mm。
h为接触网结构高度。弹性悬挂时,200 km/h地段为1 100 mm,160 km/h及以下地段为700 mm;采用刚性悬挂,结构高度另定。
曲线上建筑限界加宽办法
曲线上基本建筑限界和隧道建筑限界加宽办法同客货共线铁路(v≤160 km/h)曲线上建筑限界加宽办法。
4.客运专线铁路建筑限界(200 km/h≤v≤350 km/h)

单位:mm
站台建筑限界(正线不适用)。
各种建筑物的基本限界,也适用于桥梁和隧道。
曲线上建筑限界加宽办法
曲线地段的建筑限界,应考虑因超高产生车体倾斜对曲线内侧的限界加宽。其加宽量为:
![]()
式中 W——曲线内侧加宽量(mm);
H——轨顶面至计算点的高度(mm);
h——外轨超高值(mm)。
曲线上建筑限界的加宽范围,包括全部圆曲线、缓和曲线和部分直线,采用下图所示阶梯加宽方法。
附图2 机车车辆限界
1.机车车辆限界(v<200 km/h)
(1)机车车辆上部限界图

单位:mm
机车车辆限界基本轮廓。
电力机车限界轮廓。
列车信号装置限界轮廓。
*电力机车在距轨面高350 mm~1 250 mm范围内为1 675 mm。
(2)机车车辆下部限界图

单位:mm
车体的弹簧承载部分。
转向架上的弹簧承载部分。
非弹簧承载部分。
机车闸瓦、撒砂管、喷油嘴最低轮廓。
(3)通过驼峰车辆减速器(顶)(制动或工作位置)的货车下部限界图

单位:mm
弹簧承载部分。
非弹簧承载部分。
(4)通过驼峰车辆减速器(顶)(缓解位置)的调车机车下部限界图

单位:mm
弹簧承载部分。
非弹簧承载部分。
机车闸瓦、撒砂管、喷油嘴最低轮廓。
2.机车车辆限界(v≥200 km/h)
(1)机车车辆上部限界图

单位:mm
(2)机车车辆下部限界图

单位:mm
车体的弹簧承载部分。
转向架上的弹簧承载部分。
非弹簧承载部分。
机车闸瓦、撒砂管、喷油管最低轮廓。
km——千米(公里); |
m——米; |
mm——毫米; |
t——吨; |
kg——千克(公斤); |
h——小时; |
min——分; |
s——秒; |
V——伏; |
kV——千伏; |
Pa——帕; |
kPa——千帕; |
kN——千牛; |
kg/m——千克/米(公斤/米); |
km/h——千米/小时(公里/小时)。 |
|
|
用微信“扫一扫”,点击右上角分享按钮,
即可将网页分享给您的微信好友或朋友圈。